加装天线放大器是解决电视机接收信号弱不能正常收看的措施之一。但是对电视天线放大器的制作要求较高,业余条件下制作有一定困难,不易达到预期的效果。购买成品放大器费用较高。现介绍一种用成品高频头(Kp—12型)改装天线放大器的方法,供业余爱好者参考。
该放大器改装方法简便,不需要另配电源,直接用电视机内的+12V电源,工作电流约12毫安,对电视机没有什么影响。经测试总增益可达30dB左右,噪声小,抗干扰性能良好。而且可在1~12频道内任意选用。
改装原理
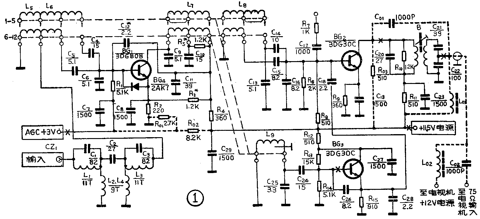
大家知道,高频头由高频放大器、本振和混频三部分组成。高放级之前有高通滤波器,可以有效的抑制低频干扰。对于每一个频道,高放级都有良好的幅频特性和较高的增益。所以高放级可以继续使用,仅需要把混频级的输出部分改成电阻负载,使之变成一级宽频带放大器。为了防止本振级的影响,应断开本振不用。这样就把原高频头变成了一个具有选频特性的两级高频放大器。利用原有频道转换开关,可选择需要放大信号的频道。
改装方法
电路改动部份,如图1虚线所示。图中画“×”处,为电路从此断开处。

改装方法如下:将原高频头+11.5V和AGC电压输入线拆除,中频输出电缆改接到放大器的输出端。原天线输入插座仍接天线输入。原AGC电压(即高放管的基极偏压)改为固定偏压,由+12V电源经电阻R\(_{0}\)1和R02分压获得。本振电路全部不用,为了改装方便,只要将BG\(_{3}\)的基极断开,这样本振级就停止工作了。
原混频级改动较多,将双调谐回路线圈B及R\(_{1}\)0、R11、C\(_{2}\)0、C21、C\(_{22}\)、C23全部不用,另外增加了R\(_{0}\)3、C01、C\(_{0}\)2、L01、L\(_{0}\)2五个元件。B03为负载电阻,C\(_{0}\)1为耦合电容,C02为隔直流电容,L\(_{0}\)1、L02为高频阻流圈。C\(_{0}\)1、C02用一般高频瓷片电容器。L\(_{0}\)1、L02用电视机中周内“I”字形或“王”字形骨架和磁心,用φ0.21毫米的漆包线绕25圈。从电视机通道板上引出的+12V电源经同轴电缆心线和L\(_{0}\)1、L02馈给。在印制电路板上,还需要增加一个接线点,新增加的接线点用小刀在原混频管旁边大面积接地铜箔上刻出,如图2。新接线点即为信号输出点。焊开原混频管BG\(_{2}\)集电极使之悬空并与C01的一端相接。C\(_{0}\)1另一端接到新接线点上。电阻R03一端接到悬空的BG\(_{2}\)集电极上,另一端接原11.5V印制导线上。电感L01一端接新接线点,另一端也接到原11.5V印制导线上。新增加的元件除L\(_{0}\)2、C02外全部焊在印制板的铜箔面一边,接线位置见图2。L\(_{0}\)2和C02可以焊接在电视机+12V电源引出端及电视信号的输入端。

改装时,只要连接正确,不需要任何调试。
安装与使用
放大器需要装在天线附近,天线与放大器之间接阻抗变换器。再用75Ω同轴电缆与电视机75Ω输入相接。如果无同轴电缆,也可用300Ω平行扁馈线,但效果要差一些,馈线越长差别越大,而且还需要增加一只阻抗变换器,这样损耗也会增大。同时给+12V馈电也带来麻烦。具体联接参考图3。

放大器改装好后,将频道开关转到所需要接收的频道上,先在电视机附近联试,应能正常接收图象和伴音。但这时效果不一定很理想,只要将放大器装在室外天线附近,效果会更好。
在什么情况下需要安装天线放大器呢?根据我们的实验,一般在能收到电视信号,但收看效果差,例如噪声大,有雪花干扰、同步不稳等。这时加装天线放大器能够收到较好的效果。如果根本就收不到信号,即使加了天线放大器后,能收到信号,也不一定能正常收看。(湘钧)