金星牌B31-1型电视机为晶体管式12英寸黑白电视机,灵敏度较高、抗干扰性能强、耗电省、伴音柔和动听,现将它的电路特点介绍如下。
通道电路
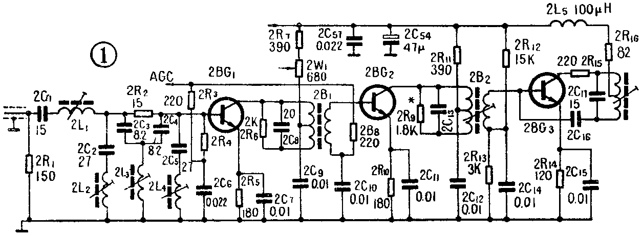
B31-1机的中频放大电路采用三级放大,前二级为变压器耦合单调谐电路如图1。变压器耦合电路的优点是阻抗匹配性好,传输损耗小,可发挥的增益高,但往往频带较窄。为了克服频带窄的缺点,在第一、二级中放调谐回路中,都加接了阻尼电阻(2R\(_{6}\)、2R9),使第一、二级中频放大器的频带加宽,从而使AGC电路动作后的中放总特性曲线保持不变。末级中放采用外电容耦合双调谐电路,通过对元器件的选择及对电路的调整使其处于临界耦合状态。

为了充分发挥第一、二级中频放大器的放大作用,我们对其所用超高频管最高增益(Kp)时的工作电流进行了选择,例如3DG56最高增益时的电流从2.5mA~5.5mA,一般选在4mA(如图2a),若将2.5mA和5.5mA的管子装在第一、二级中放级,必然是2.5mA的增益低,而5.5mA的则工作在负向AGC(如图2b)。由于偏离原设计的AGC工作电流,使通道的增益与特性都无法保证。

该机中放增益为70dB;带宽大于4.7MHz;AGC动作范围大于60dB。
噪声消除电路
B31-1机采用具有抗干扰能力强的关闭式噪声消除电路(如图3),它由2D\(_{3}\)、2BG8等组成,对抑制非连续性高频干扰脉冲的效果较好。其工作原理是:当无干扰时2BG\(_{8}\)处于饱和状态。当每一个负极性行脉冲到来时,使2BG8饱和深度变浅,其基极电流的一部分经2D\(_{4}\)向2C30充电。同步头消失后,2C\(_{8}\)0通过2R89、2BG\(_{8}\)放电,若放电时间常数取得合适,2C30上的电压刚好能保持到同步头到来时2BG\(_{8}\)处于临界饱和状态。当超过同步头的干扰脉冲出现时,因2C30两端的电压不能突变,干扰脉冲使2BG\(_{8}\)退出饱和区而进入放大区,2BG8集电极电位升高,使2D\(_{3}\)截止,干扰脉冲就不能通过2D89,因此起到了抗干扰作用。要使此电路工作稳定,2D\(_{4}\)和2BG8器件的质量要好。如2D\(_{4}\)漏电,使放电时间常数减小,同步头到来时的充电电流会增大,造成同步头压缩,严重时造成图象扭曲。2BG8的正常电流应略大于1.6mA,太小则同样会使同步头压缩,太大则不起消噪声作用。

直耦式视频放大电路
通常所说的图象清晰,实际上不仅指分辨力较高,而首先是指图象的综合质量较好,其中图象的层次丰满、重现的灰度等级多尤为重要,所以正确地重现原画面的灰度等级对提高图象质量有重要意义。
为了重现原画面的灰度,需要做到无论画面平均亮度如何变化,其黑色或白色电平都要不变。因此,除了传输画面内容的黑白交流分量外,还要传送画面平均亮度的直流分量,才能正确地重现原画面的灰度,即送至显象管阴极的电信号中应包含反映图象平均亮度的直流分量。
为此,该机视频信号从预视放管2BG\(_{4}\)发射极至视放管2BG12基极之间以及2BG\(_{12}\)集电极至显象管阴极之间均为直流耦合。但在对比度控制电路中,为了简化电路,仍采用交流(电容)耦合。
自动亮度限制电路
直流耦合电路,当无图象信号(或在空频道)时屏幕最亮,有信号时屏幕亮度变暗。为了保证在接收信号时有足够的亮度,必须使屏幕在无图象信号时要异常地亮,才能保证正常收看,这种异常的亮就要求显象管阴极发射电流相应地增大,对显象管阴极不利。所以该机设置了自动亮度限制电路(简称ABL电路),使显象管射来电流被限制在额定范围内。
ABL电路由电阻2R\(_{66}\)、电容2C60和二极管2D\(_{9}\)组成如图4。当显象管阴极电流ik较小时,图4中B点电位低于A点电位,二极管2D\(_{9}\)导通,于是B点电位UK被箝位于U\(_{A}\)-0.71V。当ik增大到最大值i\(_{k最大}\)时,B点电位高于A点电位,二极管2D9被截止,这时相当于二极管被断开,由于显象管阴极与地之间接有电阻2R\(_{66}\)因而限制显象管阴极电流的增加,而电视信号则可通过2C60加到显象管阴极。实际上,正常收看节目时的显象管阴极电流约40μA,只有当阴极电流大于80μA时,才会使二极管2D\(_{9}\)截止(即UA<U\(_{B}\)),此后即使A点电位再降低显象管阴极电流也不再增加了,如图5。


亮点消除电路
该机亮点消除电路由电容3C\(_{29}\)(15μ)和二极管3D9 (2CZ\(_{82}\))组成,见图6a。开机时A点电压为+400V,B点电压为+60V,C点电压为+100V,3D9处于导通状态。显象管栅极g\(_{1}\)电压为0~60V,3C29两端电压为40V,下正上负,此时亮度控制正常。关机后,3C\(_{27}\)(4.7μ)上所充100V电压通过视放级负载电阻2R63(6.8K)和视放管放电,电压很快降至0。但电容3C\(_{29}\)(15μ)容量较大,其两端电压不能突变,由于下端与3C27正极相连此时电位为0,所以B点电压降为-40V,使3D\(_{9}\) 反偏截止。显象管g1电位也为-40V,截止了电子束,消除了产生亮点的因素。因g\(_{1}\)和3D9截止后内阻较高,B点负电压只能通过3R\(_{25}\)和2R66进行放电(图6b)放电的时间常数τ=15μ×(27+0.75)MΩ≈52秒。3C\(_{29}\)上的电荷放完的时间需3τ,即约2分半钟。关机后二分半钟时显象管的阴极已基本冷却,高压也泄放完了,屏幕就不会出现亮点了。如果产生了亮点,可能是3D9漏电或3C\(_{29}\)容量消失所致。

峰值式AGC电路
B31-1机采用了具有控制灵敏效果好的峰值AGC电路(如图8)。为了获得较好的抗低频干扰效果,同步脉冲的充放电电容2C26选用0.33μ,如果其容量选用过小,会影响同步脉冲的滤波效果,使图象上出现横条纹干扰。

由于全电视信号中的行、场同步脉冲宽度不同,所以2C\(_{26}\)上所充得的电压也不一样,在场脉冲到来期间所充电压稍高一些,这个电压通过AGC电路的作用会使场同步头压缩(如图7),造成场同步不稳。为此,电路中接入了2C25,使行、场同步信号在2C\(_{26}\)上所充得的电压相同。

中放AGC电路的稳定可靠不仅与2BG\(_{5}\)(3DK2)有关,还取决于2R22、2R\(_{19}\)、2R25和2R\(_{28}\)组成的分压电路精确分压有关。这部分需选用误差小于5%的电阻。2BG5采用开关管3DK2,可使同步头的检出更为灵敏。经2R\(_{25}\)加至2BG5发射极的电压决定同步头电平,改变2R\(_{25}\)的阻值可改变2BG5发射极电压从而调节了中放AGC的起控电平。由于2R\(_{25}\)不是直接接至12V电源电压,所以当12V电源变动时,预视放2BG4与AGC电路的工作电压同时变动,不至于影响中频AGC的起控电平,这就保证了全电视信号幅度的相对稳定。经2R\(_{19}\)加至2B4上的电压决定白色电平。(上海电视一厂)