一般立体声重放系统,都是由两个性能完全相同但互相独立的放大器(即双声道扩音机)和两个全频带组合音箱组成的。每个声道推动各自的扬声器,互不干扰。图1便是这种典型立体声重放系统的方框图。这种系统重放音质好,立体感强,但需要两只大口径低音扬声器。是否能减少一个低音扬声器同时又能获得立体声放音效果呢?回答是可以的。

我们知道,立体声放音的立体感和临场感,是由人的“双耳效应”产生的。这就要求声源应具有较明显的指向性,使听音者的左耳只接受左声道的声音,右耳只接受右声道的声音。经分析与实验证明:声音的指向性不仅和扬声器的性能有关,而且和声音的频率有关。声音频率越高,指向性越明显;声音频率越低,指向性越差;当频率很低时,指向性将基本上丧失。因此可以说,立体声放音效果主要是由高音和中音产生的,低音起作用不大。本文介绍的方案正是巧妙地利用了这种特性而设想出来的。
该方案仍然采用一般双声道立体声信号源,并不需要三路声源。整个系统的方框图如图2。从图中可以看出,它是把左右声道中的低音信号取出来,混合以后,用一个专门放大低音的功率放大器进行放大,然后去推动一个大口径低音扬声器。我们把这个声道叫做中间声道。左右声道的信号经过分频器后滤掉低频,但仍然保持相互独立,再经过功率放大后去推动两只能播送中、高音的扬声器音箱。这种系统虽然比一般双声道扩音机多一只功率放大器,但少用了一个低音扬声器及相应的助音箱,所以造价较低,同时也减少了在室内的占地面积。另外,由于是前级分频,可采用性能良好的RC有源滤波网络来构成分频器,使低音和中高音分别进行功率放大,于是互调失真大大降低,这一点是喇叭端分频法所不能相比的。

线路特点
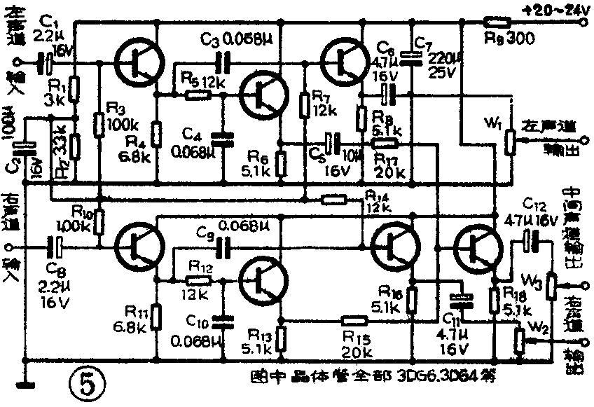
一、分频器:分频点取200赫。为了获得较高的分离度,采用了如图3所示的每倍频程衰减12分贝的分频器。这种分频器由高通、低通滤波器组成。C\(_{3}\)、C4、R\(_{5}\)6为左声道的高通滤波器,C\(_{12}\)、C13、R\(_{15}\)、R16为右声道的高通滤波器。这种电路能使200赫以上的中、高频信号通过,但对200赫以下的低频信号有很大的衰减。R\(_{8}\)、R9、C\(_{6}\)、C7组成左声道低通滤波器,R\(_{18}\)、R19、C\(_{15}\)、C16组成右声道低通滤波器,它们只允许200赫以下的低频信号通过,而高、中频信号被切除了。从BG\(_{3}\)、BG6的发射极分别取出左右两声道中的低频信号,经过BG\(_{7}\)混合后,形成中间声道信号,再馈入功放级。(注意:图3中BC2发射极与C\(_{5}\)正极应有连接点,BG3发射极与C\(_{3}\)正极应有连接点。原图此处有误,请更正)

图中BG\(_{1}\)、BG2(或BG\(_{4}\)、BG5)接成射极跟随器,较高的输入阻抗可以减小对前一级工作状态的影响;较低的输出阻抗可利于后面所接的滤波器更好地工作。分频器部分的印刷线路板见图4。图中的晶体管除BG\(_{8}\)为3DG12外,其余的均选用3DG6或3DG4等小功率硅管。管子的BVceo应大于20伏,β值需大于100,最好选β值为150~200的管子。图5为另一种较简单的分频电路(图6为印刷电路板),其衰减特性为每倍频程6分贝,对于一般普及型的OTL或OCL扩音机,这种分频器完全能够胜任。



为了使分频器的分频频率较为精确,用于分频网络的各阻容元件的误差最好小于5%,不能选误差大于10%的。如果有条件,在安装以前最好将各元件的数值测试一遍。这些元件包括:图3中的C\(_{3}\)、C4、C\(_{6}\)、C7、C\(_{12}\)、C13、C\(_{15}\)、C16、R\(_{5}\)、R6、R\(_{8}\)、R9、R\(_{15}\)、R16、R\(_{18}\)、R19;图5中的C\(_{3}\)、C4、C\(_{9}\)、C10、R\(_{5}\)、R7、R\(_{12}\)、R14。
二、功率放大器:对于三个声道的功率放大器,原则上没有什么特殊要求,选用一般OTL或OCL电路均可。不过左右声道应严格对称、性能相同。中间声道的电路程式与左右声道可以不同,增益应比左右声道高一些。为使低音较为丰富柔和,中间声道最好用OCL电路,其不失真输出功率不应小于10瓦。左、右两声道放大器仅工作于中、高音频范围,因此可以采用OTL电路。为了获得良好的高音频响应,输出级应当使用大功率硅管。功放级输出端到扬声器的耦合电容选用220μF~470μF就足够了(在8欧负载下)。
另外应注意:左、右声道的输出功率虽不要求很大,每个声道大约3瓦就足够,但电源电压不应太低。在OCL电路中,电源电压不应低于±16伏;如果是OTL电路,电源电压不应低于32伏。这是因为实际的音频信号并不是正弦波。由频谱分析可以知道,管弦乐队中的高音乐器的声波中,含有大量丰富的高次泛音。当这些高次泛音叠加在一起时,会形成许多尖峰。反映在电信号里就是一些上升时间极短、宽很窄的尖顶状脉冲。这种脉冲信号往拄有很高的峰值电平。当电源电压太低时,即使实际输出功率不大,这些脉冲信号也会被削顶,因而产生很大的波形失真,使高音变得毛糙、难听。
左、右声道与中间声道的电源最好独立供给。可在电源变压器上绕两个次级绕组,左、右声道各用一组,中间声道单独用一组。这样做是因为低音声道输出信号波动大,使电源电压随之波动。当共用一组电源时,波动着的电源电压会使低音信号对高音信号产生调制,形成调制失真。
三、音箱:中间声道可使用口径8英寸以上的扬声器,并单独做一个音箱。读者如果原来已有单声道扩音机用音箱,可现成加以利用而不必再改造。左、右声道可各用一只5×7英寸或6\(\frac{1}{2}\)英寸双纸盆扬声器,这种扬声器放音频带宽,低音可至120赫,高音可达12000赫左右,音质很好。由于左、右声道不要求放低音,所以对音箱没有严格要求。采用后开口式或密闭式均可。
音箱在室内的布置方法是:中间声道的低音扬声器箱放在靠墙的中间。左、右声道的扬声器箱对称地放置在两旁,距离在2.5~3米,音箱高度应为1.2~1.5米。如果无其它家具可支放,直接挂在墙上也可以。题图为一种布置方案,可供参考。只要音箱布置合理,其效果完全可以与典型的双声道立体声系统比美。
总体结构的考虑
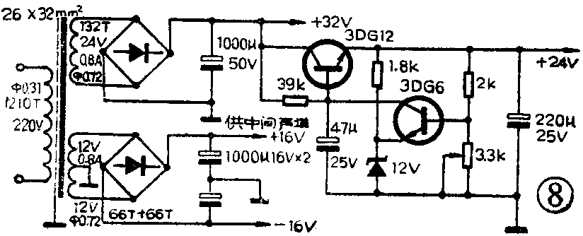
图7是一种具体电路结构配置方案(当然并不是唯一的),图8是这种方案的供电方式。在此方案中,左、右声道采用OTL功率放大器,由32伏单电源供电。再将32伏电源经一个简单的稳压器,将电压稳定到24伏,供前置放大、音调及分频混合电路使用。中间声道采用OCL电路。其±16伏电源由变压器的另一组绕组经整流滤波后供给。


另一个值得注意的是功率放大器的增益分配问题。由于中间声道所发出的声功率要和左、右两个声道相抗衡,这就要求中间声道必须输出2倍于左声道(或右声道)的功率。但从分频器输出的激励电压来看,中间声道还略低于左右声道。因此中间声道功率放大器的电压增益应等于左声道(或右声道)的\(\sqrt{2}\)倍。一般电压增益具体分配方法可为:左、右声道各为26分贝(20倍),中间声道为30分贝(32倍)左右。
整个扩音机由多块印刷电路板组装成,因此布局和接地问题显得非常重要。否则容易引起自激或交流声。具体如何考虑请参考本刊1981年第2期《高传真扩音机制作中的几个问题》一文。
调试注意事项
立体声扩音机对左、右声道的平衡度要求比较严格,只要两个声道的增益相差2分贝,就会造成声象漂移现象。在业余安装时,更需要进行平衡调整。调试步骤为:①把扩音机的音调和平衡电位器放在中点位置。②把扩音机左、右声道两个输入端并联起来,然后输入一个1000赫音频信号(可采用简易的信号发生器)。③接上负载。④把W\(_{1}\)调在离地端3/4处,用万用表(最好是音频电压表)交流10伏档测出左声道的输出电压,记下电压数值。⑤再测试出右声道的输出电压。调节W2,使右声道输出电压与左声道一样。此时左、右声道的增益平衡就算调好了。W\(_{3}\)主要是用来调整低音与中、高音的比例平衡。此时可输入一个单声道管弦乐曲信号,通过调整电位器W3,使低音与中、高音比较起来不太强又不太弱就可以了(注意:此时输入端仍保持并联状态)。如果爱好者没有调试仪器,在调整电位器W\(_{1}\)、W2时,可采取用耳朵听的办法。此时可播送一张唱片,仔细调整W\(_{1}\)、W2,使得声音好象是从左、右两个扬声器正中间发出来的即可(听音者应站在正确的听音位置)。W\(_{1}\)、W2、W\(_{3}\)也可用微调电阻代替,调好以后固定。(曹松青)