本刊1982年第3期及第7期,曾介绍了LY480(原称LE480)高阻抗复合管的原理及用该管制作的高传真扩音机,应读者来信要求,本文讲讲这种管子几项参数的测试方法及使用中的几个特点。
一般测试方法
LY480复合管是由PMOS场效应晶体管和NPN型晶体三极管在同一硅片上集成的,在线路应用中常以跟随器的形式出现。因此,对该管交流性能的测试,主要是测这种混合式跟随器的传输特性。
1.电压传输系数K及最大输入信号电压的测试:电压传输系数K,是指复合管S极(源极)输出电压V\(_{0}\)与输入信号电压Vi之比,即K=V\(_{0}\)/Vi。一般是通过测量正弦信号的有效值来确定的。测试线路如图1,用手倒换开关S,就可以从GB—9型电子管毫伏表上读出V\(_{0}\)和Vi有效值。音频信号源是一个频率f=1千赫的正弦波信号。如果令V\(_{i}\)=1伏,则K=V0。也就是说,此时K值可直接从电子管毫伏表上读出来。一般说来,应满足K≥0.9,高档管应满足K≥0.95,最好的管子其K值可接近于1。图1中的示波器可作为监视用。

逐渐增大输入信号电压,输出信号电压也应成正比例地增大。但当输入信号增大到一定值后,输出信号电压不再变化,示波器上会看到明显的削波现象,此时K值明显下降。“最大输入信号电压”就是指在保证K≥0.9时,所允许的输入信号电压的最大值(对信号幅值而言,应为\(\sqrt{2}\)·V\(_{i}\))。当电源电压为+12伏时,这个值应为2~2.5伏,最高的可达3.5~4伏。
应注意的是,R\(_{s}\)的大小会影响K值。测试条件规定,在Ec=+12伏时,R\(_{s}\)取1千欧。另外,在正常传输交流信号时,由于Rs的深度负反馈作用,源极S端的直流电位约保持在5~8伏(随管子不同而异),所以必须通过隔直电容C引出交流信号。
也可以用改变管子直流栅电位的方法测量电压传输系数。见图2。栅极G的电位由电位器W分压而定,可从零伏变化到+3伏。此时相应源极(S极)的电压也增加。设栅极电位为零伏时源极电位为V\(_{0}\)1,栅极电位改变到1伏时,源极电位升为V02,那么,电压传输系数就为K=ΔV\(_{0}\)/ΔVi。ΔV\(_{i}\)是栅极电位的变化量,在这里ΔVi=1-0=1伏;ΔV\(_{0}\)是源极电位的变化量,ΔV0=V\(_{0}\)2-V01。显然,用这种方法可以测出在各个不同栅电位时的K值。此K值的变化量越小越好,一般应小于0.05。LY480复合管的电压传输特性(或称转移特性)见图3。


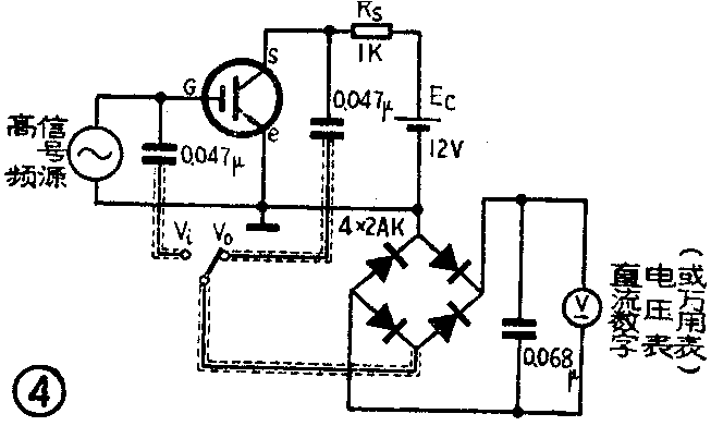
2.频率特性的测量:以上所讲的传输系数的测试是在直流或低频情况下完成的。随着输入信号频率的增加,由于栅电容的作用,会使管子的输入阻抗降低,管子的复合跨导也会降低,这将导致电压传输系数K值减小。我们定义传输系数K值下降到最大值的0.707倍时所对应的信号频率称为管子的最高工作频率(注意在测试过程中输入信号的幅值应固定不变)。具体测试线路如图4。输入和输出的高频信号经过同一整流系统后再测量,其目的是可减小各种干扰造成的测量误差。信号引出线要使用同轴电缆线,被测部分要置于接地良好的屏蔽盒内。所有仪表及稳压电源的外壳都要接大地。这样,对应每一个频率下的信号都可测出它的电压传输系数,从而可测出该跟随器的频带宽度,其特性曲线如图5所示。实测表明,在频率为35兆赫左右时,K值开始有所下降,此的频率宽度可达70兆赫。


3.直流输入阻抗的测量:常规测量时,是将栅极G和源极S两个管脚接入高阻表或静电计的测量插座上测试,S极接正极性端,可直接按档位读数。应注意的是测试时应选用10伏档,不能选用高压档,以免击穿管子栅极。
在业余条件下,也可用万用表测试该管的栅质量。将万用表打在1千欧档,先将红表笔接管子的栅极G,黑表笔接源极S,表针应不动,至少要大于500千欧以上,说明栅极是好的;如果小于500千欧,说明管子栅极漏电大,不好用;若电阻值接近零,显然是栅穿损坏了。如果管子栅电阻经测试合格,可将表笔对调,如果此时所测阻值与表笔对调前相同,说明该管内部没有设栅保护二极管;若电阻值小于10千欧(一般在2千欧左右),说明该管内部已设置有栅保护二极管。
4.源——射击穿电压BV\(_{s}\)eo和栅——源击穿电压BVGSO的测量:这两个参数可在晶体管特性图示仪上按一般NPN晶体管击穿电压的测试方法进行测试。源极应始终接正电位。应注意的是BV\(_{GSO}\)超过击穿电压极限时,是破坏性的,应避免这种情况发生。
简易测试盒
在业余条件下,如果读者仅想了解一下LY480管的好坏,并不想全面知道上述各个参数的数值,可如图6所示自行制作一个简易测试盒,使用起来是很方便的。

图6测试器仅需几个容易找到的元件:磷砷化镓发光二极管一个,300欧电阻一只,三脚晶体管插座一只,小型按钮开关一个,15伏积层电池一块。整个部件可装在一个小塑料肥皂盆中。插座、发光管和按钮开关装在盒盖上。由于未插入管子前电源没有通路,所以可不设电源开关。插入管子后,按钮开关的常闭触点将栅——源短路,即V\(_{GS}\)= 0伏,管子不导通,则发光管不亮;按下按钮开关后,常开触点将栅极与射极短路,VGS为负值,管子导通,电流流过发光二极管,驱动其发光。串接的300欧电阻起限流作用,可防止发光二极管烧坏。满足上述要求时,说明高阻抗复合管功能正常;如果插入管子后,不按开关,发光管就亮了,说明源——射极穿通或MOS管的源——漏极穿通,管子已损坏;如果插入管子后,按下开关,发光管仍不亮,说明管子可能栅穿了,或者是栅漏电太大,失去了栅控作用,此时管子也不能再使用。
使用特点
正象本刊1982年第3期中介绍的那样,该复合管主要是以跟随器的形式,在电路中作为阻抗变换级或缓冲级。既可以单独使用,又可选配构成差动跟随器使用,以减小失调和温漂的影响。下面介绍一下使用中的特点。
1.单管构成的跟随器:线路连接参见图1。信号由栅极G直接输入,输出信号由源极S引出。信号既可以是交流电压,也可以是直流电压。只要在最大允许的输入信号电压范围内改变栅极电位,源极输出电位就相应地跟随栅电位变化。当栅极G的电位固定时,工作电流I\(_{s}\)则随电源电压的增加而成正比例地增加。而S极的输出电位,由于有负反馈电阻Rs的作用,所以基本保持不变。例如,如果栅极电位固定在-3伏,当电源电压从10伏增大到30伏时,源极电位仅由3伏变到3.4伏左右,而工作电流却可以由7毫安上升到21毫安左右。也就是说,该管的电压传输系数基本上不受电源电压波动的影响。因此,对电源电压稳定度的要求是很低的。
由于工作电流I\(_{s}\)主要是NPN管中通过的集电极电流,因此所承受的负载能力比一般场效应管要大得多。它可以带动发光二极管、小型继电器等工作,更可以作为集成电路的输入驱动级。
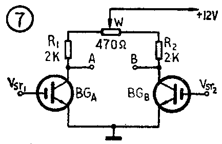
2.差动跟随器:在某些场合,例如与集成运放块配接以提高电路的输入阻抗,要求输入失调电压和温漂要小。这时可通过选配,将两只电参数相同的LY480如图7所示连接成差动跟随器。差动电路的A、B端后面可以连接F007、BG305等线性集成运放电路的正、反相输入端(要求线性集成电路的共模电压能达到10伏左右)。这样就可构成输入阻抗很高的线性放大电路组件。

为了测量这种对管的输出失调电压,可按图8接线。当C点电位为零时,测出的V\(_{AB}\)就是通常定义的差分对管的失调电压。这个值一般应小于8毫伏。当C点电位由-3伏变到+3伏时,VAB一般可选在20毫伏以下。之所以比零伏输入时失调电压大,是由于这种对管的传输系数线性度的对称性不甚理想。

3. 在大多数电子线路中,都希望所使用的器件参数温度漂移要小。LY480复合管构成的跟随器,由于在源极回路中串接了具有深度负反馈的负载电阻,所以工作的稳定性较好。经实测证明,当温度从-55℃~+125℃变化时,该跟随器的传输系数几乎不发生变化。如果在使用中不要求传输系数很严格(例如在某些保护电路中作开关应用),在射极与地之间可再串接一个100欧左右的小电阻,会使电路的稳定性进一步提高,失真度进一步减小。失真度一般可小于0.003。
4.一般MOS场效应晶体管的栅极容易发生静电击穿,最初试制的这种高阻抗管也存在这个问题。但是目前正式生产的管子,由于采用了必要的工艺措施,静电击穿的矛盾已经不突出了。经多次试验证明,将管子栅极引脚在化纤织物上反复蹭磨,或用15瓦内热式烙铁通电焊接5秒钟以内,均未发生栅穿现象。上机之后也没有出现栅穿现象。当然,为了保险起见,焊接时还是注意一些为好,最好采用瞬时断电焊接法。特别是对于阻抗极高的C档管,更应注意栅穿问题。
此外,该管金属外壳与内部管心的源极和集电极是相通的,在使用时切记不要将外壳接地,也不要使其与其它元件相碰。
5.为了满足民用产品用户需要,最近济南半导体试验所开始生产全塑封LY480高阻抗复合管。管脚排列尺寸如图9。电性能基本与以前生产的B\(_{1}\)型金属壳封装管相同。(刘庚乾)
