(1)在图1、图2所示的电路中,如果给两个晶体管的基极b都加上负电压(-E\(_{b}\)),使它们深度截止,请分别求出两电路中a、c、e各点的电位Ua、U\(_{b}\)、Ue(图中晶体管和二极管的参数按理想情况考虑)。
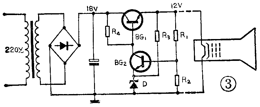
(2)某电视机的显象管灯丝电压是稳压电源输出的12V直流电压,见图3。如果稳压管D断开,显象管有什么危险?
想想看答案
(l)设图1中a点电位为U\(_{a}\),则流过R1的电流I\(_{R1}\)=Ec-U\(_{a}\)R1。因为晶体管是截止的,所以其集电极电流为零,即I\(_{R1}\)=0,由此得出Ua=E\(_{c}\)。同理,也能求出图1中的Uc=E\(_{c}\),Ue=0。

显然,图2中U\(_{a}\)=Ec,U\(_{e}\)=0。然而Uc则不再等于E\(_{c}\),而是等于零了。为了证明这一点,我们可以先假设UC≠0,那么C点到地之间就存在着一定的电位差,若将C点与地短接(见图2中的虚线),则C点到地必有电流I通过,但由于二极管D是反向截止的,在理想情况下,可认为其反向电阻为无穷大,也就是说a、c两点相当于是断开的,因此通过二极管D的电流I等于零,显然与假设条件相矛盾,所以U\(_{c}\)=0。(许克荣)

(2)稳压电源在正常工作时,流过电阻R\(_{4}\)的电流等于调整管BG1的基极电流与比较放大管BG\(_{2}\)的集电极电流之和,正常输出电压为12V。如果稳压管D断开,则比较放大管BG2的集电极电流就为零,这时流过R\(_{4}\)的电流将全部流入调整管BG1的基极,因此使BG\(_{1}\)因基流过大而接近或进入饱和状态,这样调整管BG1本身的压降就变得很小,稳压电源的输出电压就随着上升而接近18伏。这个电压远远超过显象管灯丝的正常电压,因此显象管灯丝有被烧断的危险。(赵学泉)