晶体管收音机的短波段往往比中波段增益低,而短波信号场强一般也比较弱。为了改善短波收听效果,收音机电路中都要采取种种措施来提高短波的接收灵敏度。使用增益提升器就是主要的方法之一。目前,短波增益提升器多数通过下述两种方式构成:(1)采用LC串联谐振回路;(2)提高晶体管的静态工作电流。下面我们分别介绍它们的工作原理。
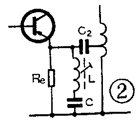
(1)采用LC串联谐振回路。图1是超外差式收音机的变频电路。变频管发射极信号电流由多种信号成分所组成,其中包括本机振荡与输入信号的差拍——中频465KHz信号。中频信号成分大,变频增益就高,反之变频增益就低。从图中看出,中频信号在发射极分两路入地:一是射极电阻R\(_{e}\);二是振荡耦合电容C2和振荡线圈B2的2~3段。因线圈2~3段的电感量很小,对465KHz信号可以视为短路,所以C\(_{2}\) 起到了旁路发射极电阻Re的作用。C\(_{2}\)的容量越大,其容抗值越小,对Re的旁路作用越好,R\(_{e}\)的负反馈作用越小,变频增益就越高。但实际上,为了防止耦合过紧使振荡电压太高而产生啸叫,C2的容量是不能取得太大的。因此,其容抗值X\(_{c2}\)也就不可能太小。这个容抗与Re并联后的等效电阻必然对中频信号产生电流负反馈,降低变频增益。

图1变频原理图既适用于中波也适用于短波。不过波段不同,C\(_{2}\)的容量不同,输入和振荡回路的元件数值也不同。它们是通过波段开关进行转换的。在中波段,由于振荡频率较低,C2容量较大(通常为5100pF~0.01μF),对增益影响较小,但在短波段,因耦合电容C\(_{2}\)多取2200pF,对增益的影响就比较明显了。下面让我们计算一下C2=2200pF时,对465KHz中频信号的容抗值X\(_{c2}\):
X\(_{c2}\)=\(\frac{1}{2πfC}\)2=1;2×3.14×465×10\(^{3}\)×2200×10\(_{-}\)12≈156Ω
R\(_{e}\)的电阻值一般在1.5KΩ~2KΩ之间,所以Xc2《R\(_{e}\),对中频信号而言,发射极等效电阻值近似为156Ω。这样大的阻值,对中频的负反馈量较大,所以短波的变频增益就被降低。
LC串联谐振回路谐振时的等效阻抗为一数值很小的纯电阻:
R=\(\frac{X}{_{L}}\)Q=XC;Q=\(\frac{1}{Q}\)\(\sqrt{L;C}\)。
假如把这样一个串联回路并联在变频管发射极电阻上(见图2),并使它谐振于中频465KHz,那么,由于谐振电阻值很小,耦合电容容抗所产生的负反馈将被大大减小,从而使变频增益得到提高。若选用680pF的串联电容、Q值等于50的串联电感,因谐振回路的Q值近似等于串联电感的Q值,串联谐振电阻则等于:
R=\(\frac{X}{_{C}}\)Q=1;2πfQC=\(\frac{1}{2×3.14×465×10}\)\(^{3}\)×50×680×10-12≈10Ω

可见,接入LC串联谐振回路后,对465KHz信号的有效发射极电阻将由未接时的156Ω降至10Ω以下,因此中频信号的负反馈量将被明显减小,从而使变频增益得到提高。

图3就是带有LC短波增益提升器的变频电路。当置于短波段时,波段开关的第三刀K\(_{3}\)将振荡耦合电容和LC串联回路同时接于变频管的发射极。由于LC回路谐振于465KHz,它仅降低了中频的等效发射极电阻,而本机振荡信号频率远高于465KHz,LC回路对它相当于开路,所以对本振不产生影响。晶体管收音机增加LC短波增益提升器后,可使增益提高10~15分贝。
实践证明,串联谐振回路所用的电容量不同,对短波高低端的提升量不同,电容量大,短波低端提升量大。而多数收音机短波低端灵敏度要比高端低,为补偿低端,一般选用大于或等于510pF的电容做LC增益提升器。专为提升器设计的串联线圈,其结构与晶体管收音机中周的结构相同,市场有成品出售,如北京产的SZP8,其谐振电容为510pF。也可用谐振电容为510pF或1000pF的中周,用其初级线圈同它相对应的电容(510pF或1000pF)串联,中周的初级抽头及次级空着不用。串联电容应选用介质损耗小的云母电容。
LC短波增益提升器的调整十分简单,波段开关拨于短波位置,从变频管基极注入465KHz中频信号。调节提升器的串联线圈的磁帽位置,从而改变它的电感量,使LC谐振于465KHz,此时收音机输出最大。在没有仪器的情况下,可以接收一个短波电台,同样上下旋动线圈磁帽位置,使收音机的声音最大为止。

(2)提高晶体管的工作电流来提升短波增益。晶体管的输入特性曲线是非线性的(见图4),因此当晶体管工作在小电流状态时,静态工作点不同,同样大小的信号电压所引起的基极电流的变化量△I\(_{b}\)也不等。如在Ib1时,对应V\(_{BE}\)的变化量△VBE,I\(_{b}\)的变化量为△Ib1;而在I\(_{b2}\)点,对应等量的△VBE,I\(_{b}\)的变化量却为△Ib2。显然,△I\(_{b2}\)>△Ib1,因此相应的集电极电流变化量△I\(_{c2}\)也要大于△Ic1。这就是说,静态工作点不同,晶体管的增益不同:静态工作电流小,增益低;静态工作电流大,增益高。根据这一特性,若在收音机的短波段提高晶体管的静态工作电流,放大器的增益也将被提升。图5画出的三种电路就是这样的短波增益提升器。图5a所示电路位于短波位置时,波段开关把电阻R并接到上偏流电阻R\(_{b1}\)上,减小上偏流电阻阻值,使静态直流工作点上升,增益提高。图5b所示电路位于短波位置时,波段开关把电阻R从下偏流电阻Rb2上断开,增大下偏流电阻阻值,提高工作点,使增益相应提升。图5c则是通过波段开关把电阻R并接在发射极电阻R\(_{e}\)上,减小发射极电阻阻值,同样能达到提高工作点从而提升增益的目的。

由于变频管既作振荡又兼作混频,静态工作电流的大小不仅影响振荡工作状态和变频增益,还会影响变频噪声。一般当工作电流大时,噪声也相应增大。由于变频级是整机的第一级,它的噪声将经过中放、低放各级电路进一步放大,同此变频噪声增大会明显降低整机的信噪比,显然,这样的短波增益提升器不适于用在变频级。另外,为了提高电路的稳定性,特别是为了防止因不必要的级间反馈而引起啸叫,在设计电路板时,总是把二中放尽量安排在距输入端最远的地方。而波段开关由于其接点大多数与输入及变频电路相接,为缩短引线,其位置均位于变频级的附近。如果在二中放设置提升工作电流的短波增益提升器,势必会有较长的引线跨接于输入端与二中放之间,加大前后级的不良耦合,降低工作的稳定性。不仅如此,由于二中放工作电流较大(0.8~1.lmA),放大的信号幅度也较大,当静态工作电流提高后,有可能减小本级的动态范围,使失真增大。因此,这种短波增益提升器也不能设置在第二中放级。鉴于上述原因,提高静态工作电流的短波增益提升器多数用于第一中放级。我们知道,晶体管的工作电流不仅影响放大器的增益,还要影响晶体管的极间电容。由于这些电容实际上是该级输入、输出中频谐振回路电容的一部分,当它们的数值因工作点变化而改变时,将会影响这些回路的谐振频率,致使收音机在短波段中频频率发生偏移。再者,极间电容变化,内部反馈量也跟着改变,工作电流提升后,若内部反馈增大到一定程度,就会产生自激振荡。为了减小这些影响,静态工作电流就不能提高得太多。因此,这种增益提升器的提升量当然就不会太大。通常,一中放电流在中波段多为0.3~0.5mA,在短波段,一般提高到0.7mA左右,增益提升量通常为4~6分贝。虽然这种增益提升器比LC串联谐振增益提升器提升量小,不过由于这种提升器成本低、不需调整,所以在晶体管收音机中被广泛采用。

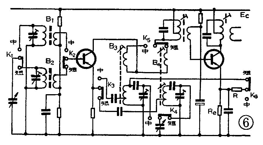
图6是一台收音机的变频及一中放电路。当置于短波位置时,波段开关的第六刀K\(_{6}\)将电阻R接于中波振荡线圈B3的初级线圈上端。因线圈直流电阻很小,对直流而言,等于把R并联在一中放发射极电阻R\(_{e}\)上,这与图5c的方法相同,提高了一中放工作点。另外,电阻R与Re串联后并联在B\(_{3}\)初级线圈的两端。由于Rc一般为几百欧姆,R也不过一千欧姆左右,二者串联后总阻值仍很小,它将使中波振荡线圈初级与分布电容形成的并联谐振回路的Q值大幅度降低,从而消除这个回路对短波段的吸收现象。于是K\(_{6}\)起到了提升增益和消除吸收的双重作用,可以节省波段开关的一个刀片。(冰凡)