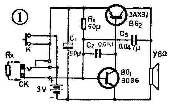
这种电子门铃的电路见图1。晶体管BG\(_{1}\)、BG2、电阻R\(_{1}\)、电容C3等组成互补直耦振荡器。调整R\(_{1}\)的阻值,可以改变振荡器的振荡频率。

从图中可以看出,当按钮开关按下时,电源接通,这时电路振荡频率仅由R\(_{1}\)决定,扬声器发出某一频率的声音。如果按照图2将电阻接在两心插头里,然后将插头插入图1中的插孔里,这时电源接通,插头里的电阻与原电路电阻R1并联,相当于R\(_{1}\)变小,改变了振荡频率。

图1中的按钮开关K是给客人用的,而插头是给家里人用的,可选几个不同阻值的电阻分别安装在各插头里,家里每人一个。像把小“钥匙”似的,带在身上。由于每把“钥匙”插入插孔时,扬声器发出不同频率的信号,所以叫多频率电子门铃。根据不同的响声就可以知道家里那个人回来了。因为客人是按按钮开关K的,所以一听就知道。这种电子门铃使用起来有趣、方便。
图中晶体管BG\(_{1}\)可选用3DG6,BG2选用3AX31。如希望声音更大些,应用3DG12(或3DK9)与3AX81配合使用。管子选穿透电流小的较好,要求β大于20。扬声器用2.5英寸或4英寸的。按钮开关可自制,也可以用市售的微动开关改制。插头、插座就用一般的耳塞机或外接电源用的φ3.5mm的插头、插座,但必须把原来的插座改制一下,即插头插入后两簧片由原来的断开应改为接通。插头内焊接的电阻用1/16瓦的小型碳膜或金属膜电阻,阻值在51K~150K之间根据不同的频率选择,总之,使并联后的阻值R在27K~68K之间较好。插头焊好后,用塑料套管在插头上作一个小圆圈,以便穿在钥匙链上携带方便。电源用两节2号电池。



印制电路板见图3(1:1)。将电池、扬声器和电路板装在一个盒里,见图4,挂在室内;插座与按钮装在另一小盒,见图5,安装在门外。(唐宗理)