旧的木料中,往往残留着断钉,这些断钉在木材加工时不易被发现,容易损坏加工工具。为此,我们制作了残钉探测器,用它可以检查出埋没在5毫米深处的残钉断头,若断钉为直径2.5毫米的短段圆钉,在距离探测头20毫米处就能发现了。
电路介绍
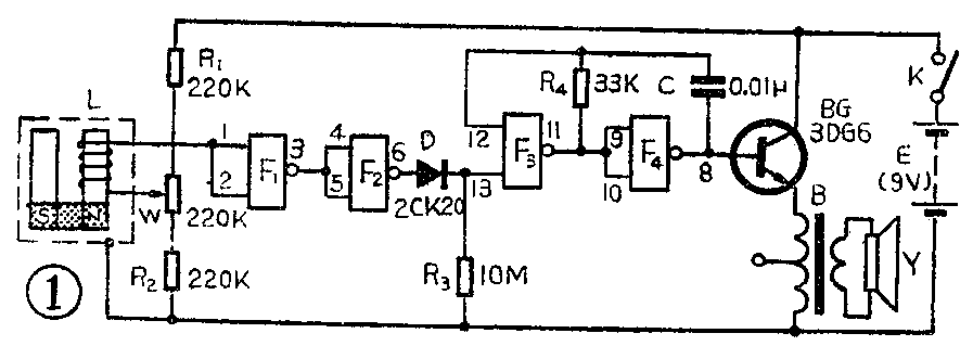
电路很简单,由一片C\(_{0}\)36(或C006、C\(_{0}\)66)型数字集成电路和一只3DG6三极管构成。电路原理见图1。L为探测头,它的构造和去掉振动膜的耳机相似。当有铁磁物质在它的磁极间移动时,穿过线圈的磁通就产生变化,因而线圈两端就有一个电脉冲输出。F1、F\(_{2}\)构成两级反相器,F1输入端的电位可由R\(_{1}\)、W、R2构成的分压器来调节。W中点的电位(即F\(_{1}\)输入端的电位)调节在略低于MOS管的阈电压(VT≈2.8V)。平时F\(_{1}\)输出为高电位(接近9伏),F2输出为低电位(接近0伏)。当探测头L有幅度大于0.3伏的脉冲到来时,F\(_{2}\)就能输出一幅度近9伏的正脉冲。F3以一个输入端与F\(_{4}\)、C、R4构成音频振荡器,另一个输入端作为控制端,经二极管D与F\(_{2}\)的输出端相接。平时,控制端为低电位,振荡器处于停振状态,当F2输出正脉冲时,经二极管向控制端的输入电容C\(_{i}\)充电,约在2微秒内,控制端的电位就能升到正9伏左右,于是音频振荡器就产生振荡。F4输出的音频信号经BG放大后,再去驱动扬声器,使扬声器发出音频叫声。F\(_{2}\)输出的脉冲过去后,Ci通过R\(_{3}\)放电,约经半秒钟的时间后,Ci两端的电压降到MOS管的阈值以下,振荡器停止振荡。

制作与调试
F\(_{1}\)~F4四个与非门用一块C\(_{0}\)36型集成电路,C036的引出线见图2。BG用3DG6管,β应在100左右。二极管D用2CK20。以上元件均可用业余品。

L为探测头,其构造见图4。磁钢用电表中用的磁钢,磁性越强则灵敏度越高。磁极铁心可用优质变压器硅钢片改制。线圈用φ0.06mm的漆包线绕满线框为止,硅钢片、线框的尺寸示于图4中。线圈外要用薄铜皮作一个屏蔽罩把它罩起来,屏蔽罩的一边要开一条缝,以免形成短路环。整个探头的结构要作得十分牢固,以免在受到振动时产生错误信号。

电源用9伏积层电池,电路的静态电流约为20微安左右,发生讯响的短时间内,整机电流也不超过20毫安。B用一般晶体管收音机的输出变压器,Y用2英寸永磁纸盆扬声器。
印制电路板参见图3(1:1)。焊接CMOS集成块时,电烙铁的外壳最好与地相接,以免集成块被外界电场所击穿。

整机装好后,把W的滑臂移至接R\(_{2}\)的一端,然后开启电源,试将F3的控制端与V\(_{DD}\)(即图2的第13脚与第14脚)用一导线相接,扬声器里就会发出“的……”的叫声,若将连接导线拆除,叫声就停止,说明图1中F3以右的电路工作正常。然后调节W,使它的中点电位逐渐升高,一直到扬声器产生叫声后,再略调低使叫声刚好停止。这时,用铁钉或什锦锉在L的磁极前移动,扬声器就会发出短促的叫声。
如果要进一步提高灵敏度,可从改进探测头入手,图5给出了用2.5英寸扬声器的磁体改制探测头的示意图,仅供参考。

使用时把探测头的磁极贴进水材表面,以每秒30厘米的速度移过去,到有断钉的地方就会发生讯响。(朱蔼初)