电视机的故障,大体可分为两大类,一类为硬故障,如无光栅无图象、有图象无伴音、无图象无伴音等等。这类故障较容易判断和检修。另一类为软故障,即图象、伴音均有,只是声象不稳定或质量欠佳。修理软故障要比硬故障困难一些,现介绍用“DB”测量法修理电视机软故障的一点体会,供参考。
所谓“DB”测量法,也称作“隔直取交”测量法,是根据电视机某些电路中含有交流和直流两种成份,利用电容器能隔离直流取出交流信号的原理,来测量电路中的交流电压,经分析判断,确定故障部位。进行“DB”电压测量,必须具备两个条件:①所测电路部位的交流电压幅度要足以驱使万用表指针摆动;②万用表的频响范围必须超过所测交流电压的频率范围。所以用“DB”测量法检修晶体管电视机时,最适宜的电路是:行场振荡级、推动级、输出级、偏转系统;同步分离级;视放输出级;伴音低放和功放级。
我们曾用“DB”测量法检修过无锡《红梅》WHD—2型、上海友谊JD16—2型、飞跃12D1型等电视机,均取得满意的效果。首先打开电视,使之处于工作状态,除行、场扫描电路之外,其他部分如同步分离、同步放大、鉴相管、视放管等需要有电视信号时才能进行测量。然后将万用表打到交流电压档的适当量程上,将正表笔插入有“DB”标记的插孔中,负表笔接地。如果没有“DB”电压测显档的万用表,只要在万用表的正表笔上接一只0.022μ的CJ11型金属化纸膜电容即可,如图1所示。

下面以《红梅》WHD—2型电视机为例,介绍检修软故障的方法。
1.伴音正常,整幅图象在水平方向飘移,行不同步。
造成行不同步的常见故障,一是发生在行振荡级,二是发生在AFC电路。检查步骤是:<1> 首先调节一下行频旋钮,若有一个同步点,说明行振荡级是正常的;<2>再用“DB”测量法测鉴相管5BG1的B极和E极;如图2(a)中标号①和②,若均有“DB”电压,说明同步信号已送到鉴相管,鉴相管也是正常的。从电路可知,控制行同步的逆程脉冲,经5C6、5R9整形后,加到AFC电路。<3>用“DB”测量法,检查行输出管5BG6的C极,即图2(b)中的标号⑩,正常情况下“DB”电压为35V;可再测5C6与5R9连接点的“DB”值。当测量5R9与5BG\(_{3}\)连接点(即图2(a)中标号⑤)的“DB”电压时,若为零伏(正常值为1.4 V),则故障出在5R9上,拆下5R9测量,阻值为无穷大。换一个新电阻,恢复正常。

2.整幅图象上下滚动,且左右飘移,有时水平方向有相同的五、方幅图象左右飘移,行场均不能同步。
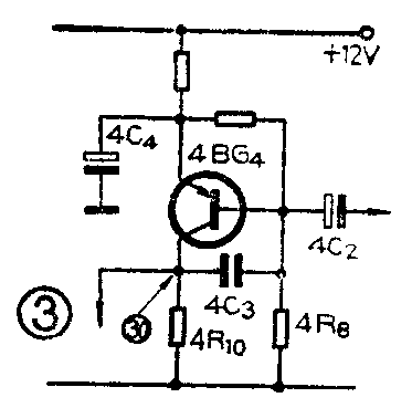
行场均不同步的故障,多数发生在同步分离级。(1)先用“DB”测量法,测同步分离管4BG4的C极,见图3标号1正常值为1.4V,经测量“DB”电压正常,说明分离管正常。从电路分析知,场同步信号是取自鉴相管5BG1的E极,5BG1同时承担着行、场同步信号的传递作用。因此,5BG1出毛病,也会引起行场不同步。(2)再用“DB”测量法测量5BG1的E极(见图2(a)标号②),无“DB”电压,拆下5BG1测量,发现5BG1发射极开路。换新管子,行场恢复正常。

3.伴音正常,画面左边出现白雾状微亮区。
画面右边(有时左右两边)出现白雾状微亮区,故障多数发生在行消除电路。如果消隐电路出故障,不能向视放级提供行消隐脉冲,结果在行回扫期间出现回扫线。因为行回扫时间比场回扫时间短得多,而且行扫描线又很密集。所以不会出现象场回扫线那样的亮线,而是较明显的微亮区。首先用“DB”测量法测行消隐电路的5R24左端,即图2(b)标号⑩,正常值为35V,说明行输出级正常。再测量5R24右端,即图2(b)标号果无“DB”电压,判断5R24出毛病。
用“DB”测量法检查电视机的软故障比较方便,同样也适用于检修硬故障。试举两例。
4.水平一条亮线。
这种故障说明行扫描系统正常,场扫描电路有故障。先用“DB”测量法检查场振荡管6BG4是否起振,测量6BG4的E极的“DB”电压(即图4(a)标号,起振时应有1.1V,测量结果没有“DB”电压,说明振荡管没有起振。再结合直流电压法,检查6BG4的B极,看有无正常直流偏置。当测量C极(即图4(a)标号(22)),既无“DB”值,又无直流电压时。进一步检查振荡变压器6B1,发现给振荡管集电极供电的一组绕组开路,换一只新的变压器,恢复正常。

5.有伴音有光栅,但无图象。
此种故障说明通道及扫描系统是正常的,故障出在视放部分。先用“DB”测量法检查视放管2BG7的c极(见图 5标号2,正常情况下“DB”电压为9.2V,测量结果正常,又结合直流电压法检查2BG7各极电压也正常,说明视放管是好的。再用“DB”测量法逐个检查视放输出部分的有关元件,查到2C37与2R43连接处时,还有“DB”电压,再检查显象管阴极时,发现无“DB”电压。检查发现2R43顶端断裂开路。换上一只新的电阻,再测显象管阴极上的“DB”电压为9V,电视机恢复正常。

表1
标 DB值 标 DB值 标 DB值
号 (V) 号 (V) 号 (V)
1 0.8 11 18 21 0.4
2 0.5 12 135 22 0.8
3 0.8 13 34 23 1.1
4 0.5 14 132 24 0.4
5 1.4 15 34 25 4
6 1.1 16 2 26 0.5
7 2 17 34 27 9.2
8 4.5 18 1.2 28 9.1
9 1.3 19 0.8 29 9
10 35 20 1.2 30 1.4
表1列出无锡《红梅》 WHD—2型电视机部分电路正常情况下的“DB”电压,供参考。(周茂芳)