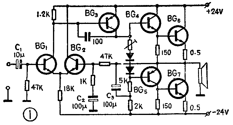
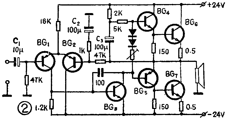
图1和图2给出了两种常见的 OCL电路,它们都是由分立元件组成的。由于差分放大器和激励级所用的晶体管不同,所以图1、图2中反馈电容C\(_{2}\)(电解电容器)的接法也不一样。请读者注意:这个电解电容的极性是不能接错的,否则时间一久,哪怕电压很低,也会使电解电容器的漏电越来越大,最终导致电容器损坏,机器工作就不会正常了。


以图1为例,BG\(_{1}\)、BG2组成差分放大电路,它们有相同的集电极电流和基极电流,两管的β值也近似。设β\(_{1}\)=β2=50,并取I\(_{c1}\)=Ic2=0.5毫安,I\(_{b1}\)=Ib2=I\(_{c1}\)/β1=0.5/50=0.01毫安,则在47千欧电阻两端的电位差为0.01×47=0.47伏。而BG\(_{2}\)NPN管的基极电流是从基极(b极)流向发射极(e极)的,即电流是从外向里流的,又由于BG1、BG\(_{2}\)基极回路两个47千欧电阻的另一端都是零电位,所以BG1、BG\(_{2}\)的基极电位一定是-0.5伏左右。实践也证明,只要输出端静态是零电位,可测出基极是负电位。同理,图2中BG2BG\(_{1}\)的基极电位一定是+0.5伏左右。所以反馈电容C2必须按图中的接法连接。(张伟龙)