失真是放大器的一项重要技术指标。所谓失真是指放大器输出信号的波形不能真实地重现输入信号波形的现象。具体地说,一个理想放大器输出的信号电压或电流,不仅要求其振幅能比输入信号增大若干倍,而且要求其波形仍能保持输入信号的形状。如果放大之后波形发生了变化,那就是产生了失真,或称畸变。
放大器中经常遇到的波形失真有两种:非线性失真及频率失真。这两种失真产生的原因及对电路特性的影响是不同的。然而,改善这两种失真的最有效的方法都是在放大电路中引入负反馈。下面我们就分别研究用负反馈怎样来改善非线性失真及频率失真。
用负反馈改善非经性失真
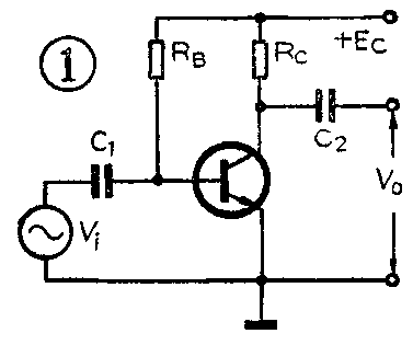
假设一个放大电路的输出电压为V\(_{0}\),输入电压为Vi,则V\(_{0}\)与V1应该有如下的关系:V\(_{0}\)=AVV\(_{i}\)。式中AV为电压增益,或称电压放大倍数。显然,当V\(_{i}\)变化时,只有AV的值为常量,才能保证V\(_{0}\)的波形与Vi的波形相同,不产生波形失真,也就是说V\(_{i}\)与V0必须成线性关系。但是,这对于一个放大电路来说是难以实现的。以图1所示的单级晶体管放大电路为例,晶体管本身就不是一个线性元件。从晶体管的输入特性曲线来看,基极和发射极之间的电压V\(_{BE}\)与基极电流iB之间的关系就是非线性的,见图2a。由图看出,虽然基极输入信号电压V\(_{be}\)是正弦波,而基极输入信号电流ib却变成一个正负半周不对称的波形,当然把这样的i\(_{b}\)放大之后所得到的集电极信号电流iC也不可能是正弦波。此外,从输出特性曲线来看(见图2b),曲线的间隔并不是均匀的,这就说明基极电流i\(_{B}\)与集电极电流iC之间的关系也是非线性的。此时,即使基极信号电流i\(_{b}\)是正弦波,集电极信号电流iC的正负半周也不可能对称。尤其是当基极输入信号电流i\(_{b}\)的幅度增大到一定程度时,晶体管就会工作在饱和或截止状态,使输出波形的底部或顶部被“削波”。综上所述,这种由于放大电路特性不成线性关系而造成的失真现象,叫“非线性失真”。


从一个电信号所包含的频率成分来看,任何一个非正弦信号都可以分解为若干个正弦信号,其中包括基波分量和各次谐波分量。因此可以把图2a中i\(_{b}\)失真的波形分解为基波和二次谐波等频率分量,见图2c。而这些谐波分量是输入信号中所不存在的。因此非线性失真的特点,是在输出信号中产生了输入信号中所没有的新的谐波频率分量。这些谐波分量的大小就标志着非线性失真的程度,通常用非线性失真系数γ来衡量,定义为负载上总谐波幅度与基波信号幅度之比、即γ= \(\sqrt{V}\)2m\(^{2}\)+V\(_{3m}\)2+…+VKm\(^{2}\)/V\(_{1m}\)。显然,非线性失真越小,γ越小。
怎样来减小非线性失真呢?由图2a、b可以看出,非线性失真的大小与输入信号的幅度有着直接的关系:只要输入信号的幅度足够小,晶体管的输入特性和输出特性都可以近似地看作是线性关系,所产生的非线性失真很小可以忽略。随着输入信号幅度增大,非线性失真将随之增加。放大器的后级,尤其是输出级的输入信号的幅度一般比前级大得多,所以在后级及输出级需要重点考虑减小非线性失真的问题。减小非线性失真的措施,首先应该正确地选择工作点,合理地设计放大电路的动态范围,以及选择线性较好的元件等,这些措施无疑是十分重要的。但是,这只能使非线性失真减小到一定程度。如果要求失真系数很小,例如优质扩音系统及通信设备中的放大器,有的失真系数要求小于0.01%,对于这样高的要求,除了采用负反馈,没有其它的办法可以实现。
下面通过两个实例来说明利用负反馈改善非线性失真的原理。图3是一个晶体管收音机低放电路,音频输入信号V\(_{i}\)经耦合电容C1加到BG\(_{1}\)的基极;放大以后的输出信号V0加在扬声器上,这是我们熟知的信号正向传输过程。如果没有负反馈,由于晶体管及变压器造成的非线性失真,收音机的声音将嘶哑刺耳,十分难听。而在这个电路里,由于R\(_{F}\)及Re1的存在,又把V\(_{0}\)从输出回路引回到输入回路,在Re1形成反馈电压V\(_{f}\),如果输出变压器次级绕组的极性选择得合适,则对BG1基极与发射极之间的净输入信号电压V\(_{be}\)来说,Vf与V\(_{i}\)的极性相反,于是构成了电压负反馈电路,这是信号的反向传输过程。下面我们来看引入负反馈之后输出电压V0的波形有什么变化,设V\(_{i}\)为正弦波,若放大电路输入输出之间的非线性关系是:对应于Vi正半周A\(_{V}\)大;对应于Vi负半周A\(_{V}\)小。于是V0的波形则为正半周幅度大、负半周幅度小的失真波形,如图4b所示。由于在电压负反馈电路里,反馈电压Vf与输出电压V\(_{0}\)成正比,因此Vf的波形与V\(_{0}\)的波形相同,见图4c。这样Vbe=V\(_{i}\)-Vf的波形就变成正半周小、负半周大的失真波形,见图4d。而V\(_{be}\)的这种波形恰恰与放大电路的特性有这样的对应关系:当Vi为正半周A\(_{V}\)大时Vbe小;当V\(_{i}\)为负半周AV小时V\(_{be}\)大。于是Vbe\(_{V}\)可以互相弥补,最后使输出电压V0的波形正负半周幅度趋于一致。从而达到了改善非线性失真的目的。


从这里可以看出,改善波形失真的关键,是利用负反馈把输出电压失真的波形再反送回输入回路,与原输入电压的波形相减,得到一个与输出电压失真相反的另一种失真波形,有时把这个波形称为“予失真”波形,再用这个予失真波形去矫正输出波形。这种改善非线性失真的方法在实际电路中用得很多。
图5是电视机中常用的一种场扫描输出电路,实际上它就是一个互补推挽无变压器的放大电路,其形式与常用的0TL音频放大电路基本相同。所不同的是这里的输入电压V\(_{i}\)为锯齿波电压,见图6a。输出电流i′y为锯齿波电流,见图6e。电路的负载为场偏转线圈。图5中BG\(_{1}\)、BG2是激励级,其作用是将锯齿波电压放大,以推动场输出管BG\(_{4}\)及BG5。这两个输出管本来应该采用性能对称的互补型NPN管及PNP管,但目前大功率管互补配对比较困难,则用BG\(_{3}\)与BG5复合代替PNP型输出管。这样一来就出现了一个问题:由于复合管的电流放大系数β≈β\(_{3}\)·β5要比单管大,因而上下互补管是不对称的,在锯齿波正程的前半段:BG\(_{3}\)、BG5工作,由于β较大,向偏转线圈提供的偏转电流i\(_{y}\)大,其波形变化的斜率就大;在锯齿波正程的后半段,BG4工作,由于β较小提供的偏转电流i\(_{y}\)小。其波形变化的斜率就小。因此,在锯齿波正程时偏转电流iy的波形就必然成为两段折线,见图6b。这种由放大电路造成的非线性失真反映在光栅上,则使上半部分扫描线变稀,下半部分扫描线变密。从而出现图象上半部分伸展下半部分压缩的现象。


为了改善这种由放大电路引起的偏转电流失真,在该电路中引入了较深的电流负反馈。其反馈途径是将偏转线图通过一个电阻R接地,使偏转电流i\(_{y}\)在R上产生压降,并把这个压降作为反馈电压Vf加到BG\(_{1}\)的输入回路。Vf的波形与i\(_{y}\)相同,见图6c。这样BG1的净输入电压V\(_{be}\)的大小则取决于Vi-V\(_{f}\)。Vbe的波形也不再是一个上下对称的锯齿波,而变成一个正程前半段斜率小、后半段斜率大的子失真波形,见图6d。不难看出,把这种波形的电压再送入放大电路,偏转电流i\(_{y}\)的波形就基本上变成上下对称的锯齿波了,见图6e,从而矫正了放大电路的非线性失真。另外在该电路里还有其它形式的负反馈,用来改善失真及稳定增益,限于篇幅就不一一分析了。
关于用负反馈改善非线性失真的问题,有以下几点需要说明:(1)失真改善的程度与反馈深度有关,例如电压负反馈在理想情况下其失真系数可减小(1+A\(_{V}\)FV)倍,但放大器的增益要下降(1+A\(_{V}\)FV)倍。同时,为了保持原来的输出电压,输入电压也势必提高(1+A\(_{V}\)FV)倍。所以失真系数的改善是以牺牲增益和信号源幅度为代价的,设计时应权衡各项指标的利弊。(2)负反馈改善波形失真的范围,只限于反馈环内非线性元件所产生的失真,如果输入信号原来已经失真则不能得到改善。(3)如果放大器本身的非线性失真非常严重,或者信号已超出放大器的动态范围,此时改善失真的效果很差。所以必须在引入负反馈之前尽力减小放大器本身的失真,并且保留一定的动态范围,才能获得比较理想的改善效果。
用负反馈改善频率失真
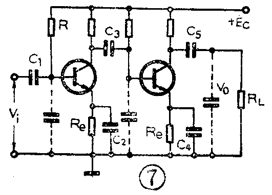
我们知道,声音及图象信号都是包含有许多频率分量的非正弦信号,这些分量以一定的幅度比例关系及相位关系组合在一起,构成某种确定的波形。如果需要将这个信号无失真地放大,无疑要求放大器对各频率分量具有相同的增益,才能保证输出电压的波形与输入电压的波形一致。即在式V\(_{0}\)=AVV\(_{i}\)中,对应于Vi的各频率分量A\(_{V}\)均为常量。而实际的放大器,并不能实现对所有的频率分量具有同样的增益。以图7的阻容耦合放大电路为例,对低频分量来说,电路中的一些电容,不能象中频及高频时那样可以看作短路,这时放大器的输入耦合电容C1、级间耦合电容C\(_{3}\)及输出耦合电容C5都呈现一个较高的容抗,对信号产生较大的压降,与输入阻抗或负载阻抗则要分压,其结果将使信号的低频分量输出电压减小;另外,发射极旁路电容C\(_{2}\)、C4对低频分量也呈现一个较高的容抗,因此R\(_{e}\)对低频分量也要产生负反馈。所有这些因素都将造成低频分量的输出电压下降。对高频分量来说,放大器的输入电容及输出电容(包括分布电容及晶体管的极间电容),呈现的容抗较小,不能象中频及低频那样可以把它们看成开路,同此它们对高频分量起分流作用,使高频分量的输出电压降低。所以实际的放大电路增益与频率的关系如图8中的(1)所示,中间频率平坦,高频和低频部分下降。这种对于不同频率分量增益不一致所造成的波形失真为频率失真。


如所周知,音乐、语言、图象等信号都是包含有基波及谐波分量的复杂信号。以乐音信号来说,其频率分量所占范围大约为20赫至20千赫。然而各种乐音的基波频率并不是很高的,其高频部分主要是高次谐波分量。基波分量决定音调,谐波分量则决定音色。所以一个高保真度的放大器必须对基波及谐波分量都予以同样的放大。如果音频放大器产生频率失真,高频失真则要使谐波分量的幅度下降,乐音就会失去原有的特色,给人以单调乏味的感觉,甚至无法将不同的乐器区别开来;低频失真则使浑厚雄壮的乐曲变得轻浮无力。再以图象信号来说,如果视频放大器产生频率失真,高频失真将使图象的细节变得抹糊不清;低频失真则造成背景亮度不均匀。就是一部电话机,频率失真的大小也会给人以不同的感觉,失真很小时能够听出讲话人是谁;失真严重时甚至无法分清对方是男是女。
通常把图8(1)所示的频率特性曲线中间平坦的部分称为中心频带,中心频率的电压增益称为中频电压增益,用A\(_{Vm}\)表示。一般规定电压增益比中频增益降低3dB的频率为截止频率,即AV=1\(\sqrt{2}\)A\(_{Vm}\)=0.707AVm时的频率,在高频端称为上截止频率,低频端称为下截止频率,分别用f\(_{H}\)及fL表示。把f\(_{H}\)与fL之间的频率范围定为通频带,用ΔF表示,则ΔF=f\(_{H}\)-fL。因为一般f\(_{H}\)》fL,因此ΔF≈f\(_{H}\)。显然为了能够获得与中频段同样的增益,信号的高频及低频分量应处在通频带范围内。因此从减小频率失真的角度出发,放大器的通频带应力求宽一些。展宽频带的一项重要措施是在放大电路中引入负反馈。
引入负反馈为什么能够展宽频带呢?我们仍以图3为例,根据前面的分析,在无反馈的情况下,当输入信号的高频或低频分量在接近截止频率时,由于放大器的频率特性将使输出电压V0下降,于是产生了频率失真。引入负反馈之后,V\(_{0}\)的下降则将引起反馈电压Vf的下降,于是使放大器的净输入电压V\(_{be}\)=Vi-V\(_{f}\)增加,使输出电压V0的下降得到一定的补偿,这就相当于把上、下截止频率向高、低频率推移,因而把放大器的通频带展宽。如果用f\(_{Hf}\)及fLf分别代表有反馈时的上、下截止频率[图8(2)],可以证明,在电压负反馈的情况下,f\(_{Hf}\)=(1+AVmF\(_{V}\))fH,f\(_{Lf}\)=fL1+A\(_{Vm}\)FV。)一般情况下f\(_{Hf}\)》fLf,所以通频带ΔF\(_{f}\)=fHf-f\(_{Lf}\)≈fHf=(1+A\(_{Vm}\)FV)f\(_{H}\)。上式说明了引入负反馈之后,通频带将比无反馈时展宽了(1+AVmF\(_{V}\))倍,可见反馈深度越深,频带也展宽得越多。但反馈深度不能过深,否则就会出现两个问题;一是引起增益下降不大;二是容易引起自激,因此需加以注意。(刘铁夫)