很多生产部门需要测量薄膜的厚度。通常使用的测厚装置,有的比较复杂,也有的精度很差,而且不少属于破坏性测量。我们介绍一种薄膜厚度的测量方法,此法比较简单,调试使用也很方便,而且不是破坏性测量,对各种非铁磁性薄膜,如纸张、塑料、搪瓷、喷漆层、铝箔、铜箔以及锌、铅、锡的镀层厚度均能得到满意的测量结果。
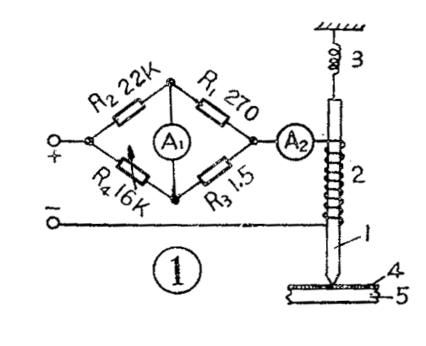
图1是测量原理示意图,1是一个高导磁率的软铁棒,2是励磁线圈,3是弹簧,4是被测薄膜(如喷漆层),5是铁磁性材料的基底。当一个直流电流通过桥路流过线圈2时,铁棒就被磁化,构成一个电磁铁。这时,如果把铁棒的一端接触到附在铁磁性基底5上的非磁性薄膜4时,铁棒就会被吸引在薄膜上。调节桥臂电阻R\(_{4}\),逐渐减小线圈2中的电流(即电流表A2指示的电流),铁棒的吸引力就会逐渐减小。由于铁棒还受到弹簧3的拉力,因此当线圈2中的电流减小到某一数值时,铁棒便会被弹簧拉起而离开被测面。对于一定的薄膜厚度,铁棒被拉起时的电流值是一定的,因此,根据电流与膜厚的这种确定的关系就可以由A\(_{2}\)指示的电流来确定被测薄膜的厚度了。显然,被测膜越厚,铁棒被铁磁性基底吸引的力量就越小,因而越容易被弹簧拉起,或者说,A2指示的电流还比较大时,铁棒就被拉起来了。反之,被测膜越薄,在同样的电流下,铁棒被吸引的力量就越大,因而也就越不容易被弹簧拉起来。此时若要把铁棒拉起来,必须进一步减小电流。这就是薄膜测厚的原理。

然而,在实际制作的时候,最好不采用电流表A\(_{2}\),而采用电流表A1的指示来表示薄膜厚度。这是因为,理论和实验都表明,当调节桥臂电阻R\(_{4}\)时,电流表A1的指示发生的变化要比A\(_{2}\)大,因此用A1的电流指示来表示薄膜厚度测量精度会更高一些。不过,A\(_{1}\)指示的变化情况与A2正好相反,A\(_{2}\)↑时,A1↓;A\(_{2}\)↓时,A1↑。所以A\(_{1}\)的指示越小,说明所测的薄膜越厚。我们自制的测厚仪,A1的指示与膜厚的关系如图2所示,大家可以参考。

测头是仪器的关键部分,因此需要再详细说一说。测头的结构如图3所示,它是由测棒、线圈和弹簧组成的。测棒是一个小圆棒,它必须由高导磁率、低矫顽力的材料加工而成。励磁线圈可用漆包线勾绕制成,匝数要尽可能多一些(最好不小于5000匝),以增加电磁铁的吸力。骨架材料选用胶木,不用有机玻璃,以免由于线圈发热而引起形变。测棒上端连接一个弹簧,并将弹簧固定在支架上,测棒下端与骨架底面相距约2毫米左右。测棒应能在骨架内孔上下运动不受阻碍。

为了能在测量过程中判断测棒何时离开被测面,可以利用测棒本身和另一个固定接点K构成一个开关,如图4。当测棒弹起的瞬间,用这个开关去控制一个指示灯L。其控制过程如下:在图4a中,测棒被吸附在待测面上,这时作为活动接点的测棒离开了固定接点K,指示灯L的电源断开,因此L不亮;当测棒离开待测面而回到自由状态时(图4b),测棒与K点接触,指示灯电路接通,L亮。

测量线路包括一个电桥和一个直流电源(见图1)。我们制作的测厚仪中采用的各桥臂电阻的数据也标在图1上,供大家参考。直流电源要能够提供足够的电流(由测量的最大厚度决定)。下面再把组装与调试的主要之点谈一谈。首先要将测棒置于绕好的线圈中,并将弹簧固定好,使测棒下端距骨架底面约在1.5~2毫米,这时先将电源不通过电桥直接加到线圈两端,并将线圈骨架放在最大被测厚度的薄膜上,看测棒能否被薄膜的铁磁性基底吸住,如果不能,则应加大电源的输出电压(即加大线圈的电流),或减小测棒与骨架底面之间的距离(但最好不要小于1毫米)。采取这两种措施后,基本上就可以保证测棒能与被测薄膜吸上。在这之后把桥路接入电路,调节R\(_{4}\)再次看看测棒能否吸附薄膜,如吸不上,可将桥臂电阻R1的值适当减小。然后再向相反的方向调节R\(_{4}\),观察测棒是否可以从薄膜上弹开,如不能,可增大R1值。最后达到两个方向调节R\(_{4}\)时使测棒既能吸在薄膜上,也能弹起来,就可把表头A1接入桥路,并进行刻度标定了。标定的方法是使用本装置去测量一些已知厚度的薄膜,并将这些厚度值和表头的电流值对应起来画出一条曲线(如图2那样),也可以直接将毫安表的表盘刻成厚度单位(微米)。
最后说明一点,如果测量的薄膜本身就有铁磁性基底(如测量铁板、铁管喷漆的厚度),本仪器可以直接使用;如果测量本身无铁磁性基底的物质厚度,如塑料、纸张等,则需将薄膜平整地放在一块铁板上,此铁板即铁磁性基底。基底的材料(钢或铁)和厚度(1~10毫米以内)基本上不影响测量结果。(戴锦锟)