本文介绍的这种锁的开启是靠一组数字编码进行的,数字密码由自己设计决定。由于本锁使用了定时供电电路,对开锁的数字码有一定的时间要求,即使知道开锁的数码,而不知道控制时间,也打不开锁,这就增加了锁的保密性。
工作原理
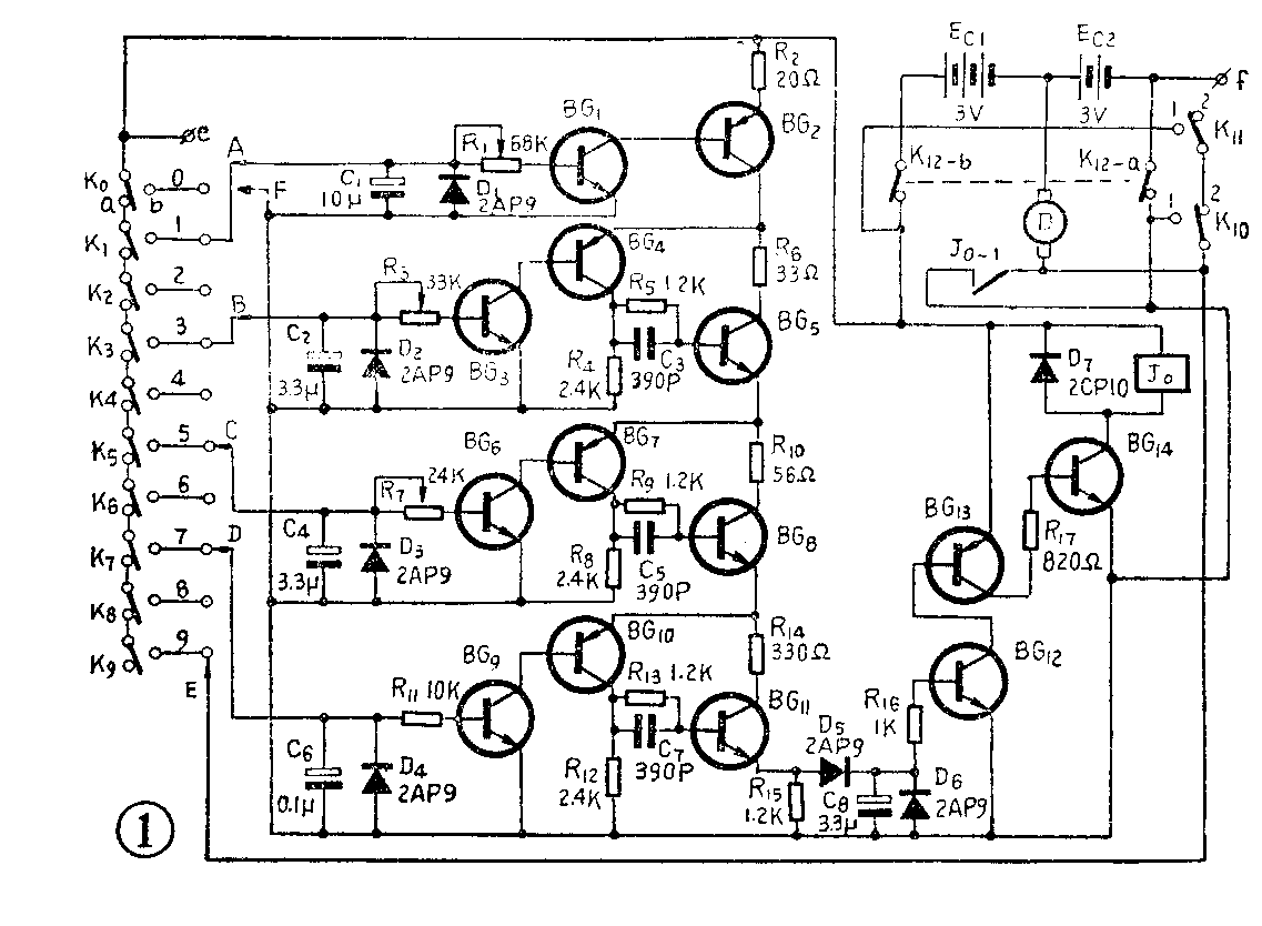
整机电路见图1。全电路是由五级定时供电电路、三极管与门电路、继电器执行电路几部分组成。

晶体管BG\(_{1}\)和BG2;BG\(_{3}\)和BG4;BG\(_{6}\)和BG7;BG\(_{9}\)和BG10;BG\(_{12}\)和BG13等为五级定时供电电路。
图1左边是一组开关K\(_{0}\)~K9。平时K\(_{0}\)~K9均处于“a”位,这十个开关是串联连通的,并且都接到6伏电源的正极上;当按下数码钮“1”时,K\(_{1}\)置于“b”位,电源通过K1接到A点,作为第一级定时电路的触发信号。必须松开数码钮“1”,使K\(_{1}\)回到“a”位后,再按数码钮3,电源则通过K3接到B点,作为第二级定时电路的触发信号,同理再逐级地接通第三级和第四级。当开关K\(_{0}\)~K9处于“a”位时,A、B、C、D各点上均没有触发信号。下面以第一级定时电路为例,说明工作情况。第一级电路由晶体管BG\(_{1}\)、BG2等组成,BG\(_{1}\)作为推动管,BG2作为开关管。当A点没有触发信号时,BG\(_{1}\)、BG2均截止;当A点通过开关接到电源E\(_{C}\)时,EC向电容C\(_{1}\)充电,C1两端电压上升,上升到一定电压时,BG\(_{1}\)导通,BG2也导通。当A点与电源断开时,由于C放电,所以BG\(_{1}\)、BG2还能维持一段导通时间,之后BG\(_{1}\)截止,BG2也迅速地截止。当断开电源后,BG\(_{2}\)还能维持一段导通时间,这段时间就是我们需要的延迟时间。该延迟时间的长短与R1、C\(_{1}\)、β1、β\(_{2}\)等数值有关。
第二级定时电路是由BG\(_{3}\)、BG4等组成的,工作原理同上面介绍的第一级相同,晶体管BG\(_{5}\)等组成与门电路,BG5称为门三极管,从图中可以看出,只有当第一级开关管BG\(_{2}\)与第二级开关管BG4都导通时,BG\(_{5}\)才导通。第三级、第四级与第二级电路完全一样。
从第二级定时电路到第四级,三极管BG\(_{4}\)、BG7、BG\(_{1}\)0的发射极有无电压均取决于前一级门三极管是否工作,只有前一级门三极管导通时,该级才进入准备工作状态。否则,该级的触发是无效的,这就是开锁的第一个必须条件。另外必须按照A、B、C、D的顺序,依次触发各级,门电路才能导通,电阻R15上才能有电压输出。
为了不让A、B、C、D同时触发,触发开关K\(_{0}\)~K9采用了特殊的结构。从电路图中可看到,任何一只开关按下(接到数码上)后,这只开关之后的所有开关都和E\(_{C}\)(EC1+E\(_{C2}\))断开了,以后的各级电路都不能触发,这就构成了开锁的第二个必要条件即开关只能按顺序一只一只地按下并松开才起作用。
我们设计的四级定时电路的定时时间是不同的,第一级T\(_{1}\)=1.5秒,T2=1秒,T\(_{3}\)=0.5秒,T4=0.07秒。从A触发后到B触发的时间间隔不能超过T\(_{1}\),否则BG2已截止,再触发B也无效了。同理对第三、第四级也是一样。A、B、C、D总的触发时间不能超过1.5秒,各级才能正常工作。这是开锁的第三个必要条件。前四级的定时时间分别由定时电路的第一个晶体管的基极电阻来调整。
开关K\(_{0}\)~K9一共有10只,每一只的副触点都接到电路板的插扎上。而定时电路的触发点A、B、C、D通过导线,可方便地在印制板上换接,从而选择不同的编码,每一组编码对应着四位按顺序排列的数。四只插头,十只开关向使用者提供了几千种编码,一组编码失密,马上就可以换另一组编码,更换方便。
按规定按完编码开关后,门电路导通,R\(_{15}\)上输出1.5~1.8V电压,加到第五级输入端,BG14导通,继电器吸动,J\(_{0}\)—1闭合,EC2电源通过K\(_{12—a}\)、J0—1加到电机两端,电机正转,将锁打开。经过0.2秒的延时时间后,BG\(_{14}\)截止,继电器释放,电机停转。闭锁时,按下数码钮9,K9接到“b”位,这时电源E\(_{C1}\)通过K12—b、K\(_{0}\)~K9接到电机两端,电机反转,推出锁舌将门锁上。
图中开关K\(_{1}\)0、K11是室内直接开或闭锁用的,不受编码开关控制。当开关K\(_{1}\)0置于“1”位,EC2负端通过K\(_{12}\)-a、K10接电机负端,E\(_{C2}\)正端加到电机正端,电机正转,门锁打开。如此时将K12-a断开,电机因断电,锁舌就一直停留在原位,门锁就一直开着;同理,K\(_{11}\)置于“1”位时,EC1正端通过K\(_{12-b}\)、K11、K\(_{1}\)0接到电机负端,EC1负端加到电机正端,电机反转,将门锁上。此时如断开K\(_{12-b}\),电机断电,锁就停留在这个位置,不受编码开关控制。这一组开关相当于弹子锁的旋把与卡锁。
元件选择、制作与安装
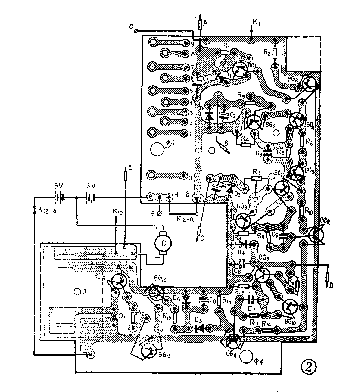
整机电路印制板见图2(1:1)。各三极管要求如下:定时电路中的推动管的β值约在60~80之间,不宜太高,一般3DG型管子均可用。开关管的β要求大于100,一般3CG型硅管尚可。对于这两种管子要求BV\(_{CEO}\)、BVCBO要高于5伏。BG\(_{14}\)用3DK4、3DG12或3DG27等中功率管。全部三极管的ICEO越小越好。

二极管D\(_{1}\)~D6均用反向电阻为150KΩ~250KΩ的次品2AP型锗二极管,D\(_{7}\)用2CP10。为减小体积,电阻全部采用1/8瓦的小型碳膜电阻。电解电容器的耐压要求大于16伏。加速电容C5~C\(_{7}\)可在330PF~560PF之间选用。
电动机采用航模中使用的131型微型直流电动机,不必改装,但需要加焊电机固定架。继电器用一般JPX—4型继电器改制,先拆下原来线包,换用φ0.13mm高强度漆包线,重绕1500匝,直流电阻为60Ω,吸动电流为80mA,释放电流58mA。
制作K\(_{0}\)~K9数码开关时,先参照图3了解开关板的结构,开关板的面板尺寸见图4,最好用铝板。面板上的攻丝盲孔是用来从门内侧穿入螺钉把面板固定在门上。

数码按钮用截面为6×6mm的塑料棍,切成长为12mm左右的10段。一面刻上0~9等10个数字,另一面上钻上盲孔,用M1.5×6的铜螺钉硬拧进去作成触头。弹簧可用细的磷铜丝绕制,只绕几圈就可以。
主触头板用双面敷铜板制作,它的上面一面对着面板上的按钮,下面一面对着副触头板。这两面铜箔的腐蚀情况参见图5,副触头是单面敷铜板,见图6所示,安装时有铜箔的一面朝着主触头板。图5、图6每边都注有编号。安装时,要注意面板、主触头板、副触头板的各边编号1、2、3、4要一一对应。

从图3可以看出,当数码钮按下时,触头杆与副触头板上的相对应的铜箔接触,相当于开关K\(_{0}\)~K9置于“b”位;松开按钮,触头杆复位,与副触头板断开,而与图5中的下面的铜箔接点相接触,相当于K\(_{0}\)~K9置于“a”位。为了保证触头杆被按下时与图5(b)中的铜箔没有接触,各焊点的大孔(φ2)周围的铜箔应刮去一些,当然不能去掉太多,以免触头杆复位时触头螺钉头与铜箔接触不上,我们是用φ3.2的铅头将φ2孔周围铣掉一圈铜箔。图5中的各个小孔(φ1),是用来连接两面铜箔的,可用导线穿过此小孔将两面的铜箔焊连在一起(相当于K\(_{0}\)~K9在“a”是连通的)。a、b、c、d孔为螺钉装配孔,其中a孔的螺钉应和主触头板上的铜箔接触良好,这只螺钉就是电路中的外接电源e点。
数码开关板装配好以后,应将露出面板外的螺钉帽锉平,免得用改锥把面板起下来强行开锁。
开关K\(_{1}\)0、K11的制作方法与上面介绍的数码开关一样,印制板见图7。K\(_{12}\)用双刀双掷微动开关。K10、K\(_{11}\)、K12安装在一块板上,并把它用螺钉固定在底板上,在这块板下面的几个元件R\(_{4}\)、C3、R\(_{7}\)的腿要弯得短些,以免和开关板相碰。

电路板上的两个φ4.5mm孔是用来将电路板固定于锁体上用的。
这种电子锁的机械传动部分见图8,电机轴带动凸轮转动,凸轮上的拨杆在锁舌的长孔中移动,将锁舌推出或拉进,从而将门锁上或打开。图9给出了一些设计数据和示意图,仅供读者参考。其中锁舌是用铝板作的。为了固定电机,用铁皮作两个支架,将电机固定在底板上。


数码换接焊头直接用φ2.5mm的空心铆钉固定在印制板上,底面焊牢。
锁的安装方法很多,图10是我们设计使用的一种图,仅供参考。

调整与使用
全机电路焊接好以后,直接装上锁体进行调整。调整时,先将R\(_{1}\)、R3、R\(_{7}\)阻值调到最大,闭合K12接通整机电源,然后按下列步骤逐级调节:
先用一节1.5伏干电池,负极接地,正极通过一个导线去碰BG\(_{11}\)的e极。此时,第五级电路工作,继电器吸动,电机将锁舌拉入锁舌孔。若用插头E再碰触一下电源EC2的正极,电机应能将锁舌推出,说明第五级与闭锁电路工作正常。如果锁舌不动作,除了检查继电器好坏外,应检查第五级电路中的三极管、二极管,以及电路的直流工作状态。然后再按下述方法从第一级起逐级调整。
将万用表的负表笔接地,用正表笔去碰测各个点的电压。先碰触BG\(_{2}\)的e极,此时电表指示的应是电源电压。然后再碰BG2的c极,此点电压应为0(管子截止)。用触头A碰接一下电源正极,BG\(_{2}\)的c极电压立即上跳到1.5伏左右,并维持一段时间后,再迅速地回降到0伏,说明该级工作正常。
调第二级时,正表棒应接在BG\(_{5}\)的e极,负表棒接地。未触发时,电压表指示为零。触发时,先触发A,接着再触发B,e极电压应上跳,只触发B,电压是不会上跳的。电压上升后也应维持一段时间后再下降到零。说明第二级工作也正常。其它几级也照此方法调整。
上述测试中,如某级电压不上跳,说明该级有故障。可将正表笔移到该级门三极管的b极,再触发一次,如果有电压上跳,说明门三极管坏了;若仍无电压上跳,将表笔移至开关管的b极,触发后有电压上跳,则开关管已坏,若无电压上跳,说明推动管损坏。特别注意的是,不能图方便而不依次触发,那将给整机调整带来麻烦。
各级工作正常后,就可以调各定时时间了,调整各推动管b极上的电阻R\(_{7}\)、R3、R\(_{1}\),对照钟表测量电压开始上跳至开始下降之间的时间,先从第三级开始调(第四级不用调),各阻值不能调得太小,以免烧管。
调好各级后,快速依次触发一次A、B、C、D。锁舌应能推出,动作干脆,说明电路已调好。
使用时,先自己确定一个开锁数码,1357—9如图1所示。前四位数为开锁码,后一位数为闭锁码。按照这个数码,依次把插头A、B、C、D、E分别焊接到电路板上1、3、5、7、9插座,按照定时时间按下1 3 5 7开关,锁舌退回,锁打开;按下9号开关,锁舌推出锁上。
这种锁电路耗电小,如果没电池了,首先是锁不上门;万一电池用完打不开门,只要在门外面的开关面板上的接点c、f上外接6伏电源,再按数码开关,就可以将门打开。如果想改变数码,只要把A、B、C、D的接头改接在另定的数码开关上即可。
若为了使电路保险,还可以再加一只短路插头,如图1中的F插头,平时将F插头接在任一数码开关上,自己要记牢这个数码,若有人偷开锁时不知开锁数码而按着这个数码时,会将电源短路,因无电池,再也打不开锁。(刘恂)