电视机中图象载波信号和伴音载波信号是同时在公共通道中进行放大的。二者很容易互相影响,造成声象干扰。
总的要求是严格保证图象中放的频率特性,如图1所示。其中最重要的是37MHz的图象中频应保证50%的电平,伴音中频30.5MHz的电平应保证在5%以下。倘若不正确,就会产生声象干扰等现象。

声象干扰的基本形式是:图象信号干扰伴音而产生蜂音,产生一种特有的嗡嗡声;伴音信号干扰图象,在画面上出现随声音变化的横条干扰。主要故障部位是公共通道和伴音通道。此外,扬声器、整机结构、线路布局、焊接质量也有一定影响。现以昆仑牌B312型电视机为例,分析各类声象干扰的原因及检修方法。
图象信号干扰伴音
图象信号干扰伴音,会在扬声器里出现蜂音,这主要是视频信号中50Hz场频成份干扰伴音信号造成的。由于视频信号波形具有脉冲性质,所以产生的嗡声比交流声还要生硬得多,并使伴音显得非常浑浊,常见的蜂音可分为调制性蜂音和非调制性峰音两类。其中调制性蜂音又分为调幅性蜂音和调频性蜂音两种。
一、调幅性蜂音
大家知道,伴音信号是以等幅调频形式传送的。当其受到调幅形式的图象信号干扰时,会产生寄生调幅。此调幅分量应在伴音通道受到限幅。如果在伴音通道不能被完全切除,就会产生调幅性蜂音。
调幅性蜂音产生的直接原因是伴音载频的幅度超过额定要求(即图象幅度的3~5%),结果使二者的互相影响增大,没有将二者的相互干扰限制到规定的范围之内。特别是当输入信号过强或公共通道增益太大时,这种干扰更趋严重。
判断调幅性峰音的方法是:旋转频道旋钮时,观察蜂音是否伴随图象而出现,即当有电视广播时才有蜂音,就属于调幅性蜂音。
图象通道30.5MHz中频吸收回路发生故障是产生这类蜂音的主要原因。伴音中放中的限幅器、鉴频器有故障也会引起同样效果。
具体故障是:
1.中频吸收回路调谐不准:
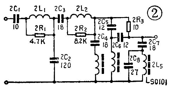
图2为公共通道的吸收回路,其中2C\(_{7}\)、2C8、2L\(_{5}\)为专门对3O.5MHz伴音中频的吸收回路。使用过程中由于线圈2L5磁心松动等原因致使吸收回路失谐。对30.5MHz频率的信号吸收不足,会使其进入公共通道的振幅大为提高,超过了5%,如图1中虚线①所示。此时差出之第二伴音中频振幅便随图象信号而变化,产生寄生振幅。

2.限幅作用不完善:
本机伴音中放第二级3BG\(_{2}\)同时兼作限幅用,如图3所示。它是利用其集电极——发射极电压的饱和——截止特性作双向限幅切割的。通过发射极反馈电阻3R11、集电极负载电阻3R\(_{13}\)来降低Uce,以压缩其动态工作范围,完善其限幅特性。当输入信号发生变化时,输出信号幅度可以保持不变,以使伴音中频信号中的寄生调幅被限幅,输出等幅调频信号,最常见的故障是反馈电阻3R\(_{11}\)短路,或者旁路电容3C11漏电流增大。致使U\(_{ce}\)电压值提高,使限幅范围过宽,失掉限幅作用,产生寄生调幅。

3.鉴频电路工作不正常:
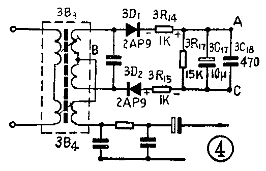
本机采用不对称式比例鉴频器,如图4。其中电阻3R\(_{14}\)、3R15是为减小图象调幅分量干扰而专门设置的。电路平衡时,若寄生调幅增大,平衡电阻3R\(_{14}\)、3R15二端电压降的方向如图4所标注,这就使鉴频二极管3D\(_{1}\)、3D2负偏压增大,输出减小,从而对调频伴音中频信号起限幅作用。这两个电阻要求阻值、性能一致,其中任一个变值或变质,都会使鉴频电路失去平衡,影响限幅作用并因此无法消除调幅性蜂音。

鉴频二极管3D\(_{1}\)、3D2的对称性要求同上,任一只鉴频二极管的损坏,后果比前者还要严重。
此外,鉴频器抑制寄生调幅的作用还在于其负载电路3R\(_{17}\)、3C17的充、放电时间常数,通常选择在0.1~0.3秒之间。当3C\(_{17}\)容量较大时,若输出信号有寄生调幅、也会被滤掉。当3C17漏电流增大或者容量变小或短路时,使时间常数降低,就失去了对寄生调幅的抑制作用。
对于调幅性蜂音一般的检修方法是:首先缓慢调节鉴频器输入回路中频变压器3B\(_{3}\)的磁心,观察其蜂音变化情况,以判断故障部位。当调节3B3时若蜂音与伴音相比无变化,说明故障在鉴频器之前,此时则应检查公共通道和伴音中放。当调节3B\(_{3}\)时蜂音有变化,说明故障在鉴频器之后,应检查鉴频器的工作是否正常。
如果只有万用表,可以测试图4中A、B二点的正向电阻应为1~2K左右,反向电阻约为其十倍,再测量C、B两端的正、反向电阻应该跟前者一致或接近。如前者有异常,说明3D\(_{1}\)、3R14有损坏;后者有异常说明3D\(_{2}\)、3R15有损坏。最后测一下A、C二点间的电阻,正常时应为15K,否则便是3C17损坏。
有扫频仪时,可在其输出探头串接0.01μ电容器后,接到预视放晶体管基极,输入探头接图4中B点,正常应示出S形曲线,如图5。如果发现曲线上下不对称,需调整3B\(_{3}\)4的磁心,并逐个检测3D\(_{1}\)、3D2、3R\(_{14}\)、3R15、3C\(_{17}\)等。

二、调频性蜂音
图像信号以调频形式干扰伴音信号所产生的蜂音称为调频性蜂音。产生这种蜂音的根源是由于电视发送信号时,所采用的残留边带方式,在图象载频附近产生寄生调频,使差拍出的6.5MHz伴音中频随着图象信号的低频成份飘动,经鉴频器后出现蜂音信号。调频性蜂音的特征是在出现蜂音的同时图象的边缘还隐约出现拉毛或网纹。这种故障是内载波伴音输出的固有缺陷,通常是在调整图象中放电路的幅频特性时予以消除的。电视机使用中出现这类蜂音时,则以改变图象通道第四中放双调回路的耦合电容2C\(_{22}\)的大小来减小。
三、非调制性蜂音
这类蜂音的特征是不管有无图象信号出现或伴音大小,都对它无影响。例如场偏转电路中的脉冲信号窜入伴音电路所引起的蜂音,即为非调制性蜂音。场扫描信号窜入伴音通道的常见途径有:①电源去耦不良(是指场输出电路或伴音低放电路的去耦不良),使场脉冲通过电源进入伴音电路。检修时应着重检查几个去耦电容器有无漏电或容量减小的现象。②场扫描电路地线与低放级地线之间有耦合。在修理电视机时,元件不要随便乱焊,否则很容易节外生枝,新添这种故障。③当场输出级出现阻塞性高频振荡时,也会干扰伴音。在电路适当部位试加小电容,有消除作用。
伴音干扰图象
当第二伴音中频6.5MHz信号或者音频信号成份混入到视频电路时,就会产生伴音干扰图象。它们往往是与图象干扰伴音同时出现的,这类故障的形式主要有:
一、点状干扰
凡是6.5MHz伴音中频信号直接混入到图象通道或视放电路中,都能产生图6所示的点状干扰。这类干扰在调节音量大小时没有变化。常见故障:

1.预视放发射极吸收回路失谐:
预视放管2BG\(_{5}\)发射极桥T形陷波器,如图7所示。它由2C31、2C\(_{32}\)、2R28和2L\(_{15}\)组成,用以吸收伴音中频6.5MHz信号,阻止它进入视放电路影响图象。当它调谐不准时,则对6.5MHz伴音信号抑制不够,就会产生伴音干扰图象故障。检修中,出现故障较多的是吸收线圈2L15电感量变化,调整其磁心即可解决。

2.预视放晶体管质量变坏:
预视放管的作用之一是分离出伴音中频信号并使视频信号与之隔离,同时还兼作伴音第一中放。当此管放大作用不正常,截止频率下降时,会使伴音中频信号窜入视放,干扰图象。此时应更换新管。如果预视放集电极负载电阻3R\(_{1}\)开路也会造成上述后果。
3.伴音中放频率偏离:
伴音中放电路所有谐振回路都应谐振于6.5MHz,这样才能有效地放大伴音中频信号。若失谐,就可能使某些谐波通过寄生耦合干扰图象。此时可调节中频变压器的磁心,其中最主要的是3B\(_{3}\)。
4.公共通道增益过大:
公共通道增益太大会使加到检波器上的伴音信号过强,对图象信号进行调制,产生伴音干扰图象。公共通道增益变大的原因,常见的有各级中放电路发射极反馈电阻阻值变小、旁路电容的漏电流增大等。2C\(_{19}\)是图象通道第四中放发射极旁路电容,作用是抑制音频寄生调制的,当它损坏时,就会造成声音干扰图象。
在预视放管发射极桥T形陷波器中,2L\(_{15}\)、2C32串联谐振于6.5MHz,用于抑制伴音中频信号对图象的干扰。当发生伴音信号干扰图象时,调整它作用较明显,如果仍不能完全消除,就应按上述四方面的原因去检查。
如果伴音干扰图象又随音量大小而变化时,多是音量电位器以后的低放电路退耦不良、扬声器质量不佳或元器件焊接不牢引起的。如果有的元器件焊接不牢,当扬声器发声振动机箱时,就会使元器件的参数随音量的大小而变化,从而干扰了图象。检修中,应细心找出焊接不良的元器件。
二、横条干扰
如果视频信号中混入音频信号时,由于音频信号在视频频谱中相当于低频成分,所以会在电视屏幕上出现横条干扰,如图8所示。当这种干扰与音量大小无关时,主要原因有:①高频头本振频率偏高,使混频后的伴音中频相应提高,落在中放幅频特性曲线的斜边上,如图1中⑤的位置。结果使30.5MHz吸收回路作用锐减,从而产生横条干扰。②30.5MHz吸收回路失谐。③中频曲线调得不准确。正常情况下图象中频37MHz应处于图1中②的位置,当中频曲线调得不准确,使图象中频下降至④的位置时,就等于相对地提高了伴音中频信号的电平,从而干扰了图象中频信号,结果引起横条干扰。与此同时,视频特性低端下降,高端提升,所以还伴随出现对比度变淡,有时还会出现重影或白色镶边现象。这也是判断此类故障的一个标志。

总之,当调节频率微调旋钮,伴音干扰图象虽有变化,但图象质量始终不正常时,则多属于通道部分故障。当调节对比度旋钮,出现对比度淡并有“重影”或者“镶边”现象时,说明中频特性不好。可以通过调节双调谐回路之间的耦合电容2C\(_{22}\)的容量得到改善。
对于随音量大小而变化的横条干扰,多属于电源退耦不良或公共地线不良,使音频信号通过电源或公共地线耦合到视放电路而造成的。这里就不多谈了。(高雨春 张未)