该电源的主要特点是低电网电压的稳压性能好,纹波小,实测数据表明,电源起动时,输出电压缓慢上升,冲击电流小。电网电压由250伏降至120伏时,输出电压纹波小于5毫伏。电网电压为150伏时,能保证电视机正常收看。电网电压降到120伏时,图象变小但比较稳定。
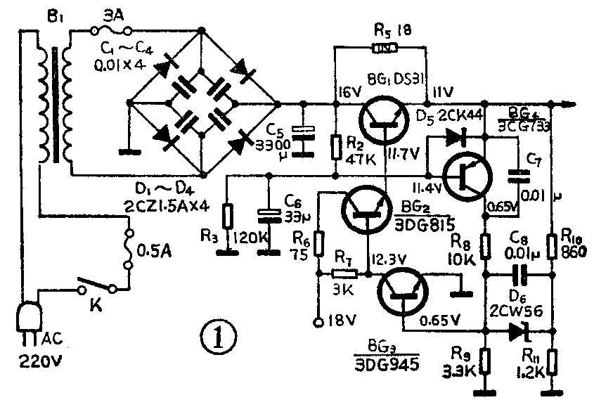
该电源系日本东芝12L151Z型电视机稳压电源,我们改用了国产管,电路如图1所示。该电源由串联调整稳压电路与自动电源滤波器组成稳压系统,输出直流电压11伏,电路简单,调整方便。

晶体管BG\(_{1}\)、BG2、BG\(_{3}\)组成串联稳压调整电路,其工作原理和一般串联稳压电路相同。不同之处在于:(1)供给BG2、BG\(_{3}\)集电极电压,不是取自整流滤波后的电压,而是通过R6、R\(_{7}\)取自行扫描电路稳定的提升电压,从而减小了输入电压纹波,改善了交流电网电压下降时的稳压特性,提高了输出电压稳定度,也简化了滤波电路。(2)在电源调整管BG1的集电极与发射极之间接了一个瓦数较大的分流电阻,既减轻了电源调整管的负担,还兼有起动稳压电路的作用。(3)稳压管D\(_{6}\)不是接在取样放大管BG3发射极与地之间,而是接在该管基极回路里,其优点是流过稳压管的电流小、变化小,有利于降低稳压管功耗和提高基准电压的稳定度。
自动电源滤波器由BG\(_{4}\)、R2、R\(_{3}\)、R8、C\(_{6}\)、C7、D\(_{5}\)组成。BG4为有源滤波管,选用PNP型管,目的是提高基极电压触发灵敏度。R\(_{2}\)、R3为分压电阻,用以决定BG\(_{4}\)基极电位。C6为滤波电容。C\(_{7}\)为缓冲电容,用以减轻开机瞬间的较高电压冲击BG4集电极。R\(_{8}\)是BG4负载电阻。二极管D\(_{5}\)是保护BG4发射结不因输入电压过高而被击穿。
自动电源滤波器的工作原理是:当电网电压升高时,整流滤波后的电压随着升高,经电阻R\(_{2}\)、R3分压后,使得BG\(_{4}\)基极电位抬高,因BG4为PNP管,其基极电位愈正,截止程度愈深,当BG\(_{4}\)截止后,自动电源滤波器不起作用,将由串联型稳压电路维持电路的正常工作。如果电网电压下降,则BG4其极电位降低,该管进入导通状态,使BG\(_{3}\)基极电位升高,其集电极电位降低,推动管BG2基极电位也降低,促使电源调整管BG\(_{1}\)基极电位降低并由饱和区进入放大区。也即是说,加了电源滤波器后,即使电网电压很低,电源调整管仍工作在放大区,随时对电源起调整作用,保证电源在低电网电压下工作时纹波不大。如果不加电源滤波器,当电网电压低到一定程度后,因电源调整管集电极与发射极之间压降很小,则使其由放大区进入饱和区,失去了对电源的调整作用,结果造成输出电压纹波增大,导致电源不能正常工作。
该电源电路调整简单,其串联稳压部分的调整已为大家熟悉。自动电源滤波器的调整,可通过改变电阻R\(_{2}\)、R3的分压比,即改变BG\(_{4}\)基极电位,以控制其截止与导通时间。减小R3或增大R\(_{2}\),BG4将提前导通进入有源滤波状态,但导通时间不可过分提前,否则会引起输出电压下降,但也不要使其截止时间过长,起不到滤波器的应有作用。
上述电源由于推动管和取样管集电极电压均取自行扫描电路,若行振荡电路停振或升压电路出现故障,不能供给BG\(_{2}\)、BG3两管集电极所需的电压,稳压电源输出电压将要大幅度跌落,甚至使电源不能工作。出现故障,检查调整电源时,可断开R\(_{5}\),将推动管、取样管集电极电压暂时改接到整流滤波的输出端,使其按串联调整稳压电路方式工作,若能稳压,说明故障在行扫电路。不稳压,故障在电源本身。不过改接后,虽能稳压,但输出电压纹波会有所增大。
因该稳压电源输出电压不可调,若需调整,可将R\(_{1}\)0、R11分别减小到620Ω和1KΩ,并在两电阻之间串进470Ω电位器如图2所示,可实现10~12伏电压调整。若不用电位器调整,也可通过改变R\(_{1}\)0、R11的分压比得到所需电压。

如按该电路组装的稳压电源,输出直流电压偏高,在不调整其它元件的情况下,将稳压管D\(_{6}\)换用2CW4,也能使输出电压稳定在11伏。
电路中所用的晶体管除D\(_{5}\)为一般二极管外,其余均为外形小巧的国产塑封管,有利于实现电源小型化,当然也可选用性能相近的其它晶体管代替。(张木林)