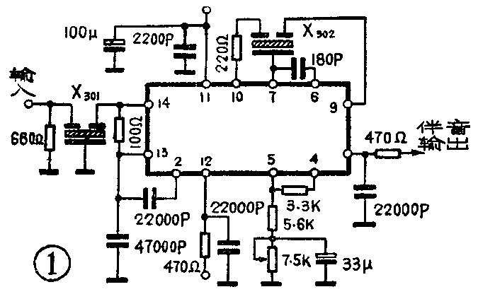
从国外进口的彩色和黑白电视机,有的在第二伴音中频输入和鉴频电路中都采用了陶瓷滤波器作选频电路。采用这种新元件的电路通常称为“双陶瓷伴音电路”,图1是其中的一种。

在双陶瓷伴音电路中使用的两个陶瓷滤波器,频率特性是不同的,其实测结果如图2所示,因此,一般来说不能互相代替。用于伴音中频输入电路的陶瓷滤波器,常见的型号有SFE、SFC、CF等。用于鉴频电路的陶瓷滤波器有CDA型。本文要介绍的就是这种双陶瓷伴音电路的改频问题,对于在第二伴音中频输入电路中,使用串联的两个陶瓷滤波器的电路,这里就不予以涉及了。

改频的原则
第二伴音中频电路的改频,从原则上讲,就是把原机的第二伴音中频频率(如4.5MHz、5.5MHz、6.0MHz等),改为我国使用的第二伴音中频频率6.5MHz。由于使用两个陶瓷滤波器的伴音电路,其谐振频率都是固定的,这就需要用工作频率为6.5MHz的陶瓷滤波器或采用其它措施来实现改频。
双陶瓷伴音电路的改频方案,有以下四种,应根据具体情况,选择其中之一进行改频。
①输入和鉴频电路,更换为两个配套的6.5MHz陶瓷滤波器(如SFE和CDA6.5MHz):②输入和鉴频电路,更换为两个相向型号的陶瓷滤波器(如SFE6.5MHz);③输入电路更换为SFE6.5MHz的陶瓷滤波器,鉴频电路改为LC调谐电路;④输入和鉴频电路,都用LC调谐电路代替陶瓷滤波器。
改频的方法
一、输入和鉴频电路,换为两个配套的陶瓷滤波器。这是既简便而又合理的方案。只要把原机上的陶瓷滤波器取下来,换上6.5MHz的陶瓷滤波器就可以了。改换后,若发生由于原机图象中频电路的频带宽度不够(如4.5MHz),声音太小时,可适当调整图象中频电路的调谐电路,一般都能得到较好的效果。
二、输入和鉴频电路,换用两个型号相同的(如SFE6.5MHz)陶瓷滤波器。有的电视机的双陶瓷伴音电路,输入和鉴频电路的陶瓷滤波器的频率特性很相近,可以使用两个型号相同的陶瓷滤波器(如SFE6.5MHz)来代换。改频后的声音失真不大,音量也还不算小。因此对于一时难于找到两个配套的陶瓷滤波器,而又方便地找到SFE6.5MHz滤波器时,可先换用同样的滤波器试一试。如果不行,再改用其它方案。
三、输入电路改换为SFE6.5MHz陶瓷滤波器,鉴频电路改为LC调谐回路。如果一时找不到鉴频电路用的CDA型6.5MHz陶瓷滤波器,可使用由LC组成的调谐回路代替。此方案的关键是LC调谐回路的制做,及其接入伴音电路的方法。
(1)LC调谐回路的制做:采用并联调谐回路如图3,其中电容器使用容量为82pF或68pF的片形或管状瓷介电容器;电感使用晶体管电视机用的中频变压器进行改制。把屏蔽罩和磁帽去掉,只留下骨架和调整用磁心,如图4所示。然后用φ=0.1mm漆包线,每个槽绕8~10匝,共24~30匝,再把两端和电容器并联即可。当磁心调出四分之三左右,其谐振频率约为6.5MHz,也可以使用扫频仪进行调整测试,联接方法如图5所示。调整磁心使谐振频率在6.5MHz处的±1~2MHz范围内即为合格。


若想保留磁帽和屏蔽罩,应适当减少所并联的电容器的容量。
2.接入伴音电路的方法:用LC调谐回路代替陶瓷滤波器,其具体接入鉴频电路的方法,须结合实际电路说明:
①对于使用TBA-120系列集成电路的双陶瓷伴音中频电路(如图6所示)改频时,把CF\(_{1}\)换成SFE型6.5MHz陶瓷滤波器,再取下CF2和R\(_{3}\)R4,把制做好的6.5MHz调谐回路两引出端,接在TBA-120的7、9两脚。然后开启电视机电源,送入信号或接收广播节目,调整线圈磁心,使音量最大、失真和交流声最小。若沙沙声比较大,可减小C\(_{3}\)的容量。例如C3原为120pF可改为82pF或36pF或其它数值,有时C\(_{3}\)也可以不用。

凡使用TBA-120系列集成电路的双陶瓷伴音中频电路,尽管具体电路略有不同,都可以使用上述方法改频。
②图7是使用LA-1365或TA7176、AN241、HA1124、MA3065等集成电路的双陶瓷伴音电路。改频时先把X\(_{3}\)01更换为SFE6.5MHz陶瓷滤波器,再把X302、R\(_{3}\)04、C306等元件取下来,把制做好的6.5MHz调谐回路接在LA-1365的第9、10两脚之间,如图所示。其调整方法同上,如果沙沙声较大,可在第10脚与地之间接入一只数十微微法(如56pF)的电容器,以使沙声最小。

③对于使用TA7073P、MC1351、M-7926等集成电路的双陶瓷伴音电路(图8),改频时,取下X\(_{6}\)01换成SFE6.5MHz陶瓷滤波器,再取下X602、R\(_{6}\)02、R603、R\(_{6}\)08、C607、C\(_{6}\)08等元件,在TA-7073P的第3和13脚之间接入制做好的6.5MHz调谐回路。同时,还须用一只20pF左右的电容器接在集成电路的第8和第13脚之间,否则无声。这是由于原陶瓷滤波器还起耦合作用,将解调后的信号由第13脚耦合到8脚的缘故。

目前常见的就是这三种类型的双陶瓷伴音电路,当然也还有少数特殊电路,但改频方法同样可以适用。
四、输入和鉴频电路、都用LC调谐回路代替陶瓷滤波器
当无任何6.5MHz的陶瓷滤波器时,可以都用LC调谐回路代替陶瓷滤波器进行改频。
代替SFE型陶瓷滤波器的LC调谐回路,仍使用前述晶体管电视机用的中频变压器改制(见图4)。先绕初级,每槽绕9匝,共27匝,并联一个82pF电容器,组成6.5MHz调谐回路。再绕次级、三个槽共绕4~6匝、不并联电容如图9,应注意使初、次级绕线方向一致。导线用0.1mm的漆包线即可。

用LC回路代替SFE型陶瓷滤波器时,可按图10所示方法接入伴音输入电路。图中C\(_{A}\)和CB是为了消除输入电路和输出电路对调谐回路的影响而设置的,同时也起隔直流作用。其容量以10~15pF为好。若原电路中已有这样的电容器,就可以不再另外加接。如果不用C\(_{A}\)、CB或C\(_{A}\)、CB容量较大时,多数情况下会使这个调谐回路没有明显的调谐点。
鉴频电路中所使用的调谐回路,其制作和接入电路的方法与第三种改频方案中所介绍的方法基本相同,只是在调整输入电路的LC调谐回路时,就应使伴音声最大、沙沙声最小,调鉴频电路的LC回路时,使伴音失真和交流声都最小。要找到调谐的零点,在零点两边交流声和失真都会增大。新接入的两个调谐回路,要反复调整以求达到最佳效果。
由于进口电视机图象中频电路的频带宽度多数都比我国的窄(多数为4.5MHz或5.5MHz,少数有的是6.0MHz或与我国的相同,为6.5MHz)。因此,改频后,有时会出现声音小,沙沙声大的情况。这时就需要适当地调整图象中频电路的伴音中频吸收回路和视频放大器输入电路的第二伴音中频吸收回路。可以明显地增大音量、减少沙沙声。(李福祥)