JMK—1型扩音机是一种由分立元件组装的普及型OCL高传真扩音机,本刊1981年第12期,曾报导了这种机器的制作及调整经验,应读者要求,本文讲讲这种扩音机与几种常用信号源的配接方法。
一般配接知识
扩音机与信号源的配接是非常重要的。如果配接不合理,不但机器声音小,输出功率达不到要求。还会引起失真和交流声。常用信号源一般是指电唱机晶体唱头输出信号、收音机或收录机耳塞插孔输出信号、收音机检波极输出信号、话筒输出信号等。为了分析方便,可将所有信号源等效为图1a,即把它们看成是由一个音频电压源u和一个内阻抗(即信号源的输出阻抗Z\(_{出}\))串联组成的电路。对于不同的信号源来说,其输出电压U~及输出阻抗Z\(_{出}\)是不同的。如:收录机耳塞插扎的输出阻抗为8欧,输出电压U~可达几伏,而普及型电唱机晶体唱头的输出阻抗Z\(_{出}\)在20千欧以上,U~则在200~500毫伏左右。

至于与信号源相连接的扩音机输入插孔,即扩音机前置级的输入端,也具有一定的输入阻抗,同时也要求有一定的输入电平(即扩音机的灵敏度所要求的输入电压)才能使扩音机正常工作,其等效电路见图1b。
从电学基础知识可知,为了使信号源与扩音机正确配接,一般应有如下要求:①信号源的输出阻抗Z\(_{出}\)与扩音机的输入阻抗Z入相等或近似相等。这是因为:配接使用时,扩音机的输入阻抗又是信号源的负载,输入阻抗太大或太小都会影响作为信号源的机器的工作状况,最好是使信号源的内阻抗与扩音机的输入阻抗相近,或者叫做匹配,才能达到合理的不失真的传输信号。当然,有些信号源对负载阻抗(即扩音机输入阻抗)的要求并不严格,只要在一个范围内变化就行了。例如,对于晶体唱头来说,只要求扩音机输入阻抗高于唱头输出阻抗就行;②信号源的输出电平U\(_{~}\)必须大于或等于扩音机灵敏度所要求的输入电压U入。如果U\(_{~}\)<U入,则扩音机输出功率低,声音小,当U\(_{~}\)远远小于U入时,即使音量电位器开到最大,喇叭中也不会有声音;另一方面U\(_{~}\)也不能比U入大得太多,这是由于扩音机输入级有一个动态范围,U\(_{~}\)大到超出动态范围时,信号在输入级就会引起限幅失真,使信号失真很大。
综上所述,考虑到扩音机与信号源配接时,总是力求达到Z\(_{出}\)≈Z入,U\(_{~}\)≈U入。但是由于扩音机的输入阻抗Z\(_{入}\)和扩音机灵敏度所要求的输入电压是固定不变的,而与之配合的各种信号源又有不同的输出阻抗Z出和输出电平U\(_{~}\),如何达到较合理的配接呢?一般有如下两个办法:①当信号源较强时,可考虑增设一个衰减网络。例如:作为信号源的收录机的Z出=8欧,U\(_{~}\)=5伏,而扩音机Z入=100千欧,U\(_{入}\)≤100毫伏,则配接时可设计增加一π型衰减网络(后面要具体讲)。π型网络的输入阻抗正好与信号源输出阻抗相匹配,而网络的输出阻抗正好与扩音机的输入阻抗Z入相匹配。另一方面,收录机输出的5伏电压信号,经过衰减器衰减后,已满足扩音机的灵敏度要求;②当扩音机灵敏度太低时,应再给扩音机输入级增加一级(或两级)电压放大级。例如:当以话筒作信号源时,因话筒Z\(_{出}\)≈20千欧,U~≈5毫伏,如果直接与灵敏度U\(_{入}\)≤100毫伏的扩音机相配接,则由于推动信号太小而无法使扩音机正常工作,必须在扩音机前置级再增加一至两级电压放大级,提高扩音机灵敏度,并使其输入阻抗与话筒的输出阻抗近似相等才行。另外应指出,当扩音机与某些信号源(如磁头输出信号或电磁式唱头输出信号)相配接时,除考虑上述要求外,还应考虑频率均衡问题。这些内容本文就不再讲了。
了解一下前置级
几种信号源都是与扩音机的前置级相连的,因此了解一下前置级的特点甚为必要。
图2为JMK—1型机前置级电路,它由BG\(_{1}\)(3DG型晶体管)管组成射极跟随器,输入阻抗较高,输出阻抗较低。安装、调试时应注意:①BG1应选用NPN型硅管,如3DG或3DK型均可。管子的BV\(_{CEO}\)应等于或大于25伏,β值应在40~60之间;②组装好以后,应细心调整静态工作点。根据JMK—1型机原理图,如果电源电压为±24伏,经降压以后至前置级的电源电压为+15伏。BG1的V\(_{BE}\)一般取0.6伏,所以VB为4.2伏,V\(_{E}\)为3.6伏。当电源电压为±15伏时,前置级的电源电压EC为10伏,此时V\(_{B}\)为2.8伏,VE为2.2伏(以上电压值均为该点对地电压)。调整时,可改变R\(_{6}\)阻值,以达到上述要求。注意应使用内阻较高的电压表(如电子管电压表)进行测量。

经计算,图2射极跟随器的输入阻抗R\(_{i}\)=81千欧,输出阻抗R0=2千欧。这样,拾音插孔的输入阻抗R\(_{i1}\)=R1+R\(_{i}\)=591千欧≈600千欧;收录音插孔的总输入阻抗Ri2=R\(_{2}\)+Ri=132千欧≈140千欧。该扩音机的输入灵敏度电压值为:收录音≤100毫伏;拾音≤200毫伏。
几种信号源配接方法
1.以录音机为信号源:一般录音机均备有外接扬声器输出插扎,信号从输出级引出,输出阻抗一般为8欧。信号失真很小,输出电压可高达几伏。如果以此为信号源,可用一根屏蔽线,通过φ3.5毫米双心插头直接接入JMK—1型机的收、录音输入端即可。为了避免因输入给扩音机的电压过高而产生非线性失真,使用时应先调节录音机(或收、录两用机)的音量控制电位器,将其置于较小的音量位置上。也可以在屏蔽线中串入一个衰减器,对参考图3制作。该衰减器的连接线必须使用屏蔽导线,屏蔽线的中心导线上串入电阻R\(_{1}\),并且接到插头的中心上。R2、R\(_{3}\)的一端分别接在R1的两端,另一端接至屏蔽线的金属丝外皮上,并可靠地接地。各个电阻也应屏蔽起来并将屏蔽层接地。实验证明:对于以输出变压器输出的收音机、电视机、录音机的耳塞插孔(8欧),可直接用屏蔽线输入至JMK—1型扩音机收、录音输入插孔进行扩音,也可以在中间再加上如图3所示的π型衰减器。

对于低放级为OCL电路的收音机、电视机、录音机,其耳塞插孔输出信号(8欧)最好不要直接用屏蔽线输入给扩音机,应通过如图3所示的π型衰减器再接到扩音机收、录音插孔。
2.以收音机作信号源:这里所指的收音机,包括电子管收音机和晶体管收音机。不论哪一类收音机,信号引出方式又分为从功率输出级引出(即耳塞插孔输出)和从检波级输出两种,下面分别讨论:
①从收音机的功率输出级引出:这种输出方式比较简单,不论是晶体管收音机还是电子管收音机,只需在输出变压器次级与扬声器之间如图4所示设置一个输出插孔即可。当外接插头插入插座CK时,扬声器自行断开。有许多半导体收音机已备有耳塞机插孔,这时就不必再进行上述改进了。从插孔CK引出的信号,可通过屏蔽线或用图3的衰减器接入JMK—1型机收、录音插孔。这种连接方式虽较简单,输出电压较高(几伏),输出阻抗较低,但由于信号要经过收音机低放级,所以信号失真及噪音都会大一些。一般说来都希望从检波级引出信号。

②从电子管收音机检波级引出信号:一般超外差式电子管收音机检波后的音频电压可达1伏左右,而且可以输出足够的电流以推动扩音机工作,所以只需按图5a对检波级进行改装就行了。图5b为改装部分的详细电路。需注意的是,在作为连接用的屏蔽线中,还要如图6所示串入一个隔直电容器C\(_{1}\),C1也需屏蔽起来。


③从晶体管收音机检波级引出信号:一般晶体管收音机检波级在空载时的音频输出信号可达几十毫伏,但是由于收音机低放部分要求推动电流较小,如果检波后的信号同时推动扩音机输入端和收音机低放部分,负载将太重,而导致检波输出电压降至仅有几个毫伏,就不足以推动JMK—1扩音机正常工作了(读者应注意,上述观点仅是对JMK—1型机而言,如果所用扩音机输入灵敏度较高,则可能不存在上述问题)。解决办法是采用图7连接方式,插头插入外接插孔后,至收音机原低放级三极管基极连线断开。如果收音机采用电池供电,为减少电池消耗,可另设一个电源开关,放音时将收音机低放电源回路切断。

3.以电唱机为信号原:本文仅介绍以晶体唱头输出信号为信号源的情况。晶体唱头的输出电压为200~500毫伏左右,输出电阻在20千欧以上。由于受使用、安装及受潮等因素影响,输出电压及输出阻抗变化较大。一般的晶体唱头输出信号可直接接至JMK—1型机拾音插孔。如果发现扩音机音量不足,而且声音失真,可适当降低图2中的R\(_{1}\)(510K)。但R1不宜太小,否则会因扩音机输入阻抗太小而使音质变坏。
常遇到的几个问题
1.放音时出现交流声或其它噪声。如果音量电位器W\(_{1}\)关到最小时,交流声及噪声消失,W1开大时,交流声等出现,则故障出自前级。应首先检查BG\(_{1}\)静态工作点是否正确,然后检查输入端有关引线是否因没有使用屏蔽线或屏蔽线外皮没有接地而引起交流声干扰。输入端引线不要太长。有时适当调整一下C2、C\(_{3}\)容量,也会有效果。
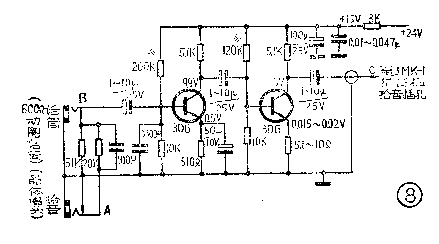
2.JMK—1型扩音机的信号源只能使用收音机、录音机、收录两用机、电视机、晶体唱头电唱机等,不能以话筒作信号源。这是因为一般动圈式话筒的输出电压仅5毫伏左右,输出阻抗又分高阻(20KΩ)、低阻(600Ω)两种,它们不能与JMK—1型扩音机直接相匹配。有些电唱机或收音机检波输出信号,因输出幅度太小,JMK—1型扩音机的输入灵敏度又没有那么高,也不能直接相匹配。读者遇到这种情况时,应在JMK—1型机输入级前面再加一个如图8所示的放大电路。

图8电路为两级电压放大,对两只3DG型(或3DK型)晶体管的要求为:β≥30,BV\(_{CEO}\)≥25伏。静态工作点及元件参数如图所示。A点和地点接晶体唱头输出端;B端和地点可与低阻(600Ω)动圈话筒输出端直接相连;C端到地点之间的输出信号,可用带φ3.5mm插头的屏蔽线接至扩音机的拾音插孔。改装后,此扩音机可做为小型厅堂话筒扩音用。若感音量不足,也可把图8的输出信号直接接到原扩音机收音、录音输入端,输出功率会有所增加。(张开善 熊第衡 孙瑞元)