充电电源故障指示
电路如图5。当充电开始时,按一下按钮开关K,可控硅导通,BG\(_{1}\)、BG2组成的复合管截止,指示灯不亮,说明充电正常。当充电电源开路或短路时,可控硅就关断,被充电的电池作为复合管电源,复合管导通,灯泡亮;当充电电源瞬间中断(中断时间大于可控硅的恢复时间)后又恢复时,电源仍向被充电的电池充电,但指示灯很亮,说明充电电源已中断过。若要重新监视,需再按一下K。

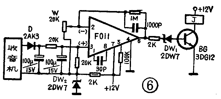
电台播音报警
有些广播电台不是昼夜连续播音的,有时需要在广播信号来到的时候有报警信号发出,提醒工作人员注意,或者自动接通附设的收录机或扩大机等,图6电路就可以起到这个作用。

图中,收音机被调谐到待监测的电台频率位置,接通它的电源,使它处于“待命”状态。一旦播音开始,收音机输出的音频信号经整流、滤波后,加在低功耗运算放大器的输入端放大后输出。如果输出电平高于稳压管DW的开启电压,晶体管BG导通,集电极电流通过继电器绕组,继电器的触点接报警电路,提醒值班人员,或者接通录音机、扩音机电路,把电台信号录下或播出。
针对不同的无线电信号强度和稳压管的阀值电压,应仔细调整放大器的增益,使电路既灵敏又可靠。<续完>(张开逊)