罗马尼亚244型20英寸黑白电视机,在使用中,常常出现不同程度的打火故障,特别是在开机一段时间后,经常出现高压硒堆正端对地放电现象。电视机出现打火故障时,轻者在屏幕上产生黑白点或左边出现黑条,干扰图象,使图象不稳定。重者放电飞弧,使行电流增大,造成行输出管、高压线圈、高压整流硒堆、稳压电源等元器件损坏,出现无光栅、无伴音故障。
我们在修理实践中,摸索到一些检查处理方法,供大家参考。
该机打火、放电的原因是:①高压硒堆的正端与行输出变压器隔离防护铁罩(即地)之间的距离不够远而打火;②硒难座罩内引线存在有毛刺和断股,引起尖端放电;③开机工作一段时间后,随着机内温度升高,高压硒堆座和塑料固定架的绝缘性能下降。
检修时,首先应检查电源供电电压和行振荡频率是否正常。因为稳压电源出故障使供电电压不正常时,会使行输出电压升高,引起高压升高,造成打火、放电。行振荡频率升高时,高压也会升高,也能引起打火、放电。接着再检查硒堆和接触辫扣是否接触良好,是否有毛刺;高压包输出引线焊接是否牢固、光滑,是否有断股;最后再检查高压硒堆正端的绝缘座罩对地距离是否大于1.5cm。
经过上述检查,如果发现故障部位,应进行排除。如果没有发现什么异常,机器仍打火、放电,可采取以下方法处理。
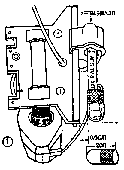
当发现高压包输出端打火时,可以去掉原来的硒堆绝缘座罩,焊掉接触辫扣,将高压包输出引线直接焊到硒堆的负端,然后采用钳把的绝缘套或自行车闸把的橡皮套,从封口的一端裁取长2cm的一段代替原来的绝缘座罩,再将硒堆和引线一并套入套内。如图1所示。一定要将绝缘套套到底并用尼龙线固定牢,以免松动脱落。同时要将硒堆正端的绝缘座军向里推移1cm左右,使套上的绝缘套底部与塑料支架对齐。

当发现高压硒堆正端打火、放电时,同样可以采取上述方法处理。
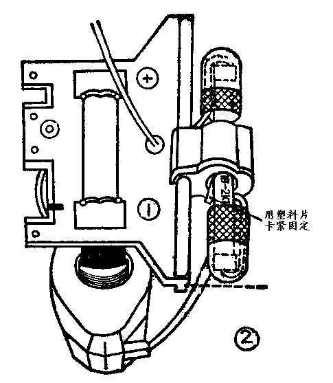
当发现高压硒堆两端都打火时,可将原来的绝缘座罩去掉一只,将另外一只的底部开孔后移到固定支架的中间,将硒堆穿入,使绝缘座罩固定在硒堆的中部。硒堆两端的处理方法同上,如图2所示。

经过以上处理,该机的打火、放电故障一般就可以排除。这种处理方法,对匈牙利TA3301、TA5301、TA5309、波兰625型等电视机也适用。要注意的是:这些电视机大都采用无电源变压器的供电电路,所以底板带电,操作时应切断电源,防止触电。经过通电试验的机器,检修高压部分时,应对高压进行放电,防止电击。(杨承畴)