世界各国彩色电视广播所采用的制式和技术标准是不同的,我国采用的是PAL-D、K制。一些人由于对这一点不了解,买回了一些在国外使用的彩色电视机,其中不少属于是NTSC制的彩色电视机,因此不能收看我国的彩色电视广播节目。“改制”主要是把原属于NTSC制的彩色解码器改为PAL制的解码器,当然解码器以外的其它相关电路也须根据实际情况做相应的改动。
图1示出了NTSC制与PAL制两种解码器的方框图。对比这两个方框图,可以看出;两种制式的解码器输入的信号都是全电视信号,输出信号都是红(R)、绿(G)、蓝(B)三个基色信号。两种解码器的电路组成,除虚线内部分,其余大部分相同。这些相同的部分,其作用和工作原理也基本上相同,只是工作频率不同(NTSC制是3.58MHz,PAL制是4.43MHz),但只要把工作频率改到4.43MHz就可以了。

两种解码器不同的地方(图1b虚线内),只是PAL制解码器增加了梳状滤波器(包括64μS延时线,加法电路、减法电路),7.8KHz识别信号选频和放大电路,逐行倒相电子开关等部分。
改制方案
由NTSC制彩色电视机改为PAL制彩色电视机,目前有三种方案:
1.完全利用NTSC制解码器,只增加PAL制解码器的专有部分,即另组装一块包括流状滤波器,7.8KHz选频放大电路,逐行倒相电子开电路的PAL板,再和原电路进行适当联接,就可以把NTSC制的解码器改造成为PAL制的解码器。
2.使用PAL制解码器的大规模集成电路,如TA-7193AP、μpc1365C、IX0129CE等,配上适当的外围电路,制作一块PAL解码器板。然后,自原彩色机色度带通滤波器取出色度信号,经集成电路变换后,输出三个色差信号,送入末级矩阵电路。此方案简便易行又能保证质量。
3.使用分立器件,设计制作一套PAL制彩色解码器电路板,以代替原来的NTSC制解码器。
使用大规模集成电路彩色解码器的彩色电视机,能否采用第一方案进行改制,关键在于能否从原集成电路中取出7.8KHz的PAL识别信号,以控制电子开关电路,进行(R-Y)信号的倒相工作。如果不能取得7.8KHz信号,就不能得到正确的红基色信号,就不能采用第一方案改制。因此,在确定改制方案前,须对原机NTSC制解码集成电路进行测试,看它的鉴相器输出端至副载频振荡电路之间,有无引出脚。如果有引出脚,可用示波器观测其输出波形,如有图2所示7.8KHz成分,则可采用第一种改制方案,否则不能采用。

改制实例
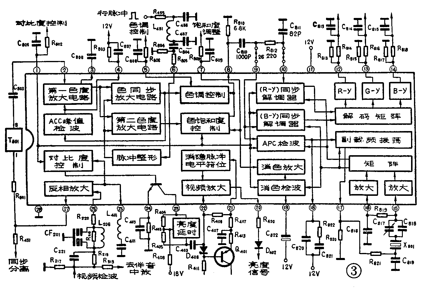
现采用第一种改制方案,对夏普1335型彩色电视机进行改制。原机是在美国使用的,现在要求能在我国北京使用。因此,除了进行改制外,其第二伴音中频,要由4.5MHz改为6.5MHz,另外还要把原机高频调谐器的第7频道频率改为我国的第6频道频率。它的图象中频电路,只须略加调整即可。下面介绍具体的改制方法。色度信号电路原彩色电视机的解码器,使用的IX-0093CE是一只28脚大规模集成电路,其内部功能和外围电路如图3所示。

改制前,首先把原机色度带通滤波器T\(_{8}\)01的工作频率由3.58MHz改为4.43MHz。原机的T801原理图和底座图如图4所示,其电感、电容都未标明数值。改频时,把C\(_{1}\)改为39PF,C2改为15PF,L\(_{1}\)由原54匝改为30匝,L2、L\(_{3}\)不动,C3改为60PF,C\(_{4}\)改为12PF。T801改动前后的频率特性如图5所示。因T\(_{8}\)01的频带不够宽,会使色度信号相移增大。图象的彩色会出现拖尾现象,为此在L3两端并接一只100Ω左右电阻R,用以扩展频带。


对副载频恢复电路,只须把3.58MHz的晶体换成4.43MHz的晶体就行了。若相位不合适可以调整C\(_{817}\)。此外,由于原机有色调控制电路,还可以利用色调钮,对副载频相位进行调整。
完成上述改频之后,用示波器,对集成电路IX-0093CE进行测试,观察其第的输出波形,实测波形如图2所示。从波形可知,以行频为变化周期的波形中,还有一个每两行为一变化周期的频率成分,即是7.8KHz的成分。
通过对原机集成电路的观测,说明可以取得7.8KHz识别信号,因此可采用第一种方案对该进行改制。
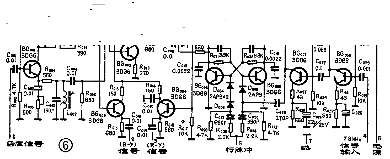
按照图6所示电路组装改制用的PAL板,印制电路板图如图7。它包括梳状滤波器、逐行倒相电子开关电路和7.8KHz信号选频放大电路。组装PAL板电路所用的几个中频变压器和电感线圈绕制数据如下:


T\(_{0}\)01:用一般的电视机用的中频变压器改制。磁心、骨架如图8,用φ0.14mm漆包线,初级共绕24匝,每槽绕6匝,头接底座第6脚,尾接第4脚,顺时针绕制。次级采用双线并绕共12匝,每层绕3匝,头接底座第1、2脚,尾接第2、3脚,也为顺时针绕制。

T\(_{0}\)02所用磁心和骨架与T001相同,用φ0.13mm漆包线顺时针绕制。初级,共绕38匝第1、2两槽各绕7匝,第3、4、5三槽各绕8匝,头接底座第4脚,尾接第6脚。次级为双线并绕共20匝,每槽4匝,头接第1、2脚,尾接第2、3脚。
L\(_{0}\)02所用骨架也与T001相同,用φ0.15mm漆包线共绕24匝,每槽绕6匝,头接底座第4脚,尾接第6脚。
L\(_{0}\)03和L004线圈,使用大工帽形瓷心和骨架,见图9。使用φ0.095mm漆包线顺向绕制,共绕415匝。头接第1脚,尾接第3脚。

L\(_{0}\)01和L005使用8.2μH的固定电感。
PAL板组装完毕,把它与集成电路IX-0093CE进行连接。把IX-0093CE的第⑧脚的C\(_{81}\)0去掉,并将该脚与PAL板第①号端子(梳状滤波器输入)相连。由PAL板的第②号端子至集成电路的第⑨脚之间,用导线连接好,并将集成电路第⑨脚原有接线26去掉,使其与外电路断开,这部分改接后的情况如图10所示。然后,把PAL板第③号端子与集成电路第⑩脚的外接电阻R812原接C\(_{81}\)0的一端用导线接通,这样,就可使由梳状滤波器输出的逐行倒相的(R-Y)信号,经PAL板上的由电子开关控制的倒相电路,恢复成不倒相的(R-Y)信号,经一级射随器,再送到(R-Y)同步解调器。将集成电路第与PAL板的第④端子用导线连接起来,使7.8KHz信号送到PAL板上的选频放大电路。PAL板上的双稳态电子开关所需之行触发脉冲,由集成电路第⑥脚外连接的延时网络之电阻R455处取得,加到PAL板的第⑤号端子。

新组装之PAL板电路,须使用12伏电源供电,其电流需在40~50mA之间。若使用原机由行输出变压器产生的12伏电源,会因负荷过重影响其它电路的工作和行输出变压器的安全。因此改为在原机120伏整流器之前的某一侧的中点(交流电压输入点)取出交流电压,经整流、降压和稳压之后得到+12伏电源,如图11,单独供给新装的PAL板各电路。若嫌稳压范围小,可改用图12电路。


亮度信号电路
对亮度信号电路,只要把集成电路第连接的副载频陷波电路的工作频率,由3.58MHz改为4.43MHz就行了。实际改频时,不必改动L\(_{4}\)01,只要将C401由22PF换为15PF的电容即可。改后工作频率是否准确,可用扫频仪检查。这样,就可滤除色度信号,得到亮度信号(Y)。
图象中频电路
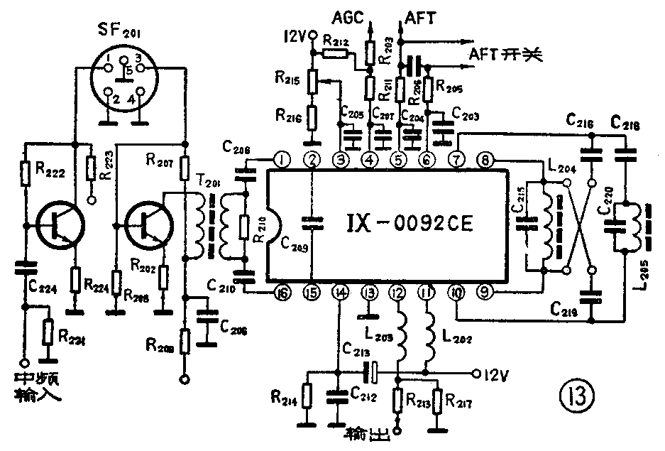
原机图象中频电路如图13所示,其中频为45.75MHz,伴音中频频率为41.25MHz。输入端采用了声表面波滤波器,工作频带宽度标称为41.25~45.75MHz,实测频带略宽一些。这样的中频电路,只作适当调整、不必作较大的改动就能进行工作。如果要改成我国标准的中频电路,就需要更换声表面波滤波器和改制T\(_{2}\)01、L204、L\(_{2}\)05。考虑到经济实用性,可以在不太影响图象和彩色质量的情况下,只对原机的T201、L\(_{2}\)04、L205作适调整,使图象中频45.75MHz位于中频特性曲线右侧的上部,而使PAL制色度信号中频41.32MHz(45.75-4.43=41.32)位于曲线左侧的上部,如图14所示即可、调整工作借助扫频仪比较方便、准确。如果不具备,可在整机改完后,再借助电视台信号进行调整。首先使电视机接收图象正常,再把色饱和度钮固定于一适当位置,调整T\(_{2}\)01、L204和L\(_{2}\)05,使图象彩色最好,即色度中频信号增益最大。


第二伴音中频电路
原机第二伴音中频使用一块IX-0043CE型集成电路,实际伴音电路如图15。改频时,只须把原4.5MHz的陶瓷滤波器换为6.5MHz的陶瓷滤波器,把L301线圈由原44匝改为28匝(或将L\(_{3}\)01内连接的小电容换为一只30~47pF的小电容),再作适当调整。

高频调谐器电路
原机收不到我国的第6频道,收不好我国的第三频道。由于要求在北京使用,故只须把原机的第7频道(174~180MHz)改为我国的第6频道(167~175MHz)即可。本机高频调谐器是机械式鼓形结构,原第7、8、9三个频道使用串联一组线圈,改频道时,用原第七频道位置,把第7、8、9三个频道的高放、混频、振荡各组串联线圈的公共部分,用镊子夹紧即可达到。调整时,可观察荧光屏上的图象质量进行,若借助扫频仪进行更好。(李福祥)