问:一台台湾产新丽牌十七英寸黑白电视机,行输出变压器高压包外层出现蓝色火光和丝丝声,请问怎样解决?
答:一般十七英寸黑白电视机高压包的外层有一万六千伏上下的行逆程脉冲高压,所以对绝缘材料的要求很高。当高压包外层绝缘材料受潮或粘上油污时,外层高压就会通过潮气或油污与底板地线联接的变压器磁芯紧固螺丝之间产生放电,而出现蓝色火光和丝丝声,并且还会产生臭氧味。出现上述故障时,轻者图象产生打火点或毛刺等干扰,伴音中出现沙沙声,重则产生光暗或烧坏行输出变压器,行输出管等。因此在发现故障后应马上关机,用棉花蘸汽油或酒精擦去高压包绝缘物上的污物,并用灯泡或其它热源烘烤去潮,然后通电试看。如蓝光和丝丝声消失,也嗅不到臭氧味了,则说明故障已排除,可以继续收看。(江锡明)
答:这种故障是由于帧输出管6F3损坏引起的,此时测量电子管6F3的7脚电压,可发现由正常值200V下降到几十伏,同时阴极电阻(510Ω)发热。此时换一只新管故障即可排除。如果手头没有6F3管,可用一只6N1或6N2和一只6P1电子管代替。具体做法:在原来的管座上插上6P1,再增加一个九脚管座插上一只6N1或6N2。后加的管座可如图2所示固定在场输出变压器的右上角(利用变压器上的螺丝)。然后把原管座的1、2、3脚连线焊下接在新增加管座的1、2、3脚上,新加管座的4、5脚连在6.3V上,再把原管座7脚的接线改焊在2、9脚上、原9脚接线改接在7脚上。这样不用再加调试电视机便又可正常工作了。(张文平)
问:电视机的灵敏度用什么来表示?怎样来区别它的高低?
答:电视机的灵敏度用微伏(μv)数来表示,它说明电视机天线所需感应电磁波信号的大小。表示灵敏度的微伏(μv)数值越小,说明电视机的接收灵敏度越高,接收弱信号的能力越强。微伏(μv)数值越大,则说明电视机的接收灵敏度越低,要在电磁波信号较强的条件下方能收看。国产晶体管黑白电视机的灵敏度一般在100微伏(μv)左右、集成电路黑白电视机的灵敏度约在150微伏(μv)左右、晶体管彩色电视机的灵敏度约为200微伏(μv)左右、电子管黑白电视机的灵敏度平均为200微伏(μV)左右。(花维国)
问:我的飞跃9D3型电视机发生故障,水平一条亮线,检查各线直流电压正常,偏转线圈及连线也没有问题,这是什么原因?
答:这种故障原因是,6BG4发射极电阻6R15断路。该机的场偏转线圈是通过6BG4发射极电阻6R15接地的,正常情况下,流过场偏转线圈的锯齿波电流在电阻6R15上产生一个电压降,反馈到6BG4发射极,形成电流负反馈,用以改善线性,稳定工作。当电阻6R15断路时,流过场偏转线圈的锯齿波电流就没有通路,也就是说场偏转线圈没有锯齿波电流通过,因此,电视机屏幕只有一条水平亮线。
电阻6R15断路以后,6BG4发射极的直流工作电压仍然可以从场输出管的集电极经场偏转线圈和6R18、6R22加上,所以6BG4直流工作点基本没有什么变化。此故障只要更换电阻6R15即可修复,如属虚焊,重新焊接。电视机就可恢复正常的扫描光栅了。(唐进)
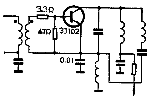
问:菲利浦17B770黑白电视机的行输出管BUY71损坏,一时没有同型号管子,可否用国产管子代用?
答:可以采用国产高反压大功率三极管3J102代替。代用时要在3J102的发射极对地接上一只0.01μf(耐压400V)的涤纶电容器(如图所示)以消除振铃。(吴翘原)

问:我的一台电视机显象管阳极插座周围出现放电现象,多次用酒精棉球擦净,再用热吹风机吹干的处理方法,都不能彻底解决问题。是否有其它好办法?
答:可在阳极接插座周围φ40mm处薄薄地涂上一层环氧树脂,等其自然干燥后再开机,就能消除打火现象。(张心键)
问:为了节电,拟用晶体二极管代管电子管收音机中的6Z4进行整流,该如何处理?
答:6Z4是双屏极二极管,其最大整流电流为75毫安,用二只电流大于75毫安的晶体二极管可以代替6Z4进行整流。晶体二极管的耐压应为电源变压器次级高压的2\(\sqrt{2}\)倍,如电源变压器次级高压为250伏,则晶体二极管的耐压应大于700伏。业余爱好者可以选用2DL7二极管(俗称硅粒子),其电流为100毫安。如单只2DL7耐压不够,可以将2只,甚至于3~4只串联在一起使用。
代替时,拔去6Z4电子管,将2只晶体二极管焊接在原来6Z4的管座上。它们的正极分别接在6Z4管座的1脚和7脚;其负极均接在6Z4管座的5脚即可。(林纬武)
问:磁头坏了如何选配?
答:磁头坏了分两种情况,一种是内部线圈绕组断了,另一种是铁芯磨损而线圈没断。对于前一种情况只能购买同型号磁头更换才能解决问题。而后一种情况应首先将磁头的引线烫下来,用万用表欧姆档检查它的直流电阻是多少欧姆。然后购买一只直流电阻相同或接近的磁头换上去。由于磁头的直流电阻在磨损前与磨损后是不变的,所以这种方法在业余条件下是可以的。当然能买到同型号的磁头最为理想。(刘文轩)
问:为什么一些便携式立体声收录机中要设置一个立体声展宽开关(STEREO WIDE)?
答:便携式立体声收录机由于受到机壳尺寸的限制,左、右声道两路扬声器之间的距离比较近,这就造成放音时声场面狭窄,立体感不强。为了增强立体声效果,有些中、高档立体声录音机中使用了立体声展宽电路。实验表明,如果两路扬声器发出的声波在听音者两耳处产生的声压和相位相同,则听者感觉声像位于两路扬声器的中央。随着两耳之间产生的相位差增加,声像逐渐向两路扬声器外侧移动。只要能使两耳有适当的相位差、时间差和声压差,就会使听音者感到声像不仅仅限于两个扬声器之间,而是在扬声器的外侧(参见附图)。从而达到声像展宽的目的,加强立体感和空间感。

有些立体声录音机设置了单声/立体声/立体声展宽开关(MONO/STEREO/WIDE)。当此开关拨至“展宽”档上时,立体声展宽电路将左、右两个声道的信号各取出一部分,通过展宽矩阵电路产生一定的相位移和时间延迟,再相互输入另一声道,于是借助于人耳的“双耳效应”(根据到达两耳的时间差、相位差和声压差等确定声源位置的效应)就可以获得更为宽阔的声场。(吴大伟)
问:怎样计算音箱的标称功率?
答:对于只使用一只扬声器的音箱,显然扬声器的标称功率就是音箱的标称功率。对于采用多只扬声器的音箱, 一般可认为低音扬声器的标称功率就是音箱的标称功率。这是因为:①语言和音乐信号的主要能量集中在频率为3KHz以下的成分中,只要分频电路恰当,低音扬声器就承受着绝大部分的能量。②动圈喇叭中纸盆振动的幅度,与信号频率的平方成反比。频率越低,纸盆的振动幅度越大。只要馈送给音箱的功率不超过低音扬声器的标称功率,音箱中的所有扬声器就不会发生纸盆振裂、音圈振偏等破坏性现象。(郑浩)
问:我发现许多电子管或晶体管收、扩音机中,收音部分的中波天线线图经常被烧焦,是什么原因?应该采取什么办法预防?
答:上述故障常常是由于对机器使用不当而造成。英雄80瓦收、扩音机、红音牌JSK50-A晶体管扩音机、新风牌150瓦电子管扩音机等,因输出接线柱和无线输入接线柱安排的位置很近,在配接扩音机负载线路时,很容易将接线柱接错。如果不慎,将负载的一端接至高压输出接线柱(例如新风,150W机为250Ω,英雄80W机为120V),另一端误接至天线输入接线柱,则开机后就会烧焦中波天线线圈。

图1为新风150W电子管扩音机有关电路。如果将负载误接在A、T两接线柱上,开机后,输出端的大电流将由接线柱A通过负载、天线柱T、天线线圈、公共接地端而构成回路。由于天线线圈线径较细,线圈骨架又是塑料做成的,所以中波无线线圈很快被烧焦。

解决办法有两个:①改变原扩音机无线接线柱的位置,以防止误接;②在天线线圈的T端,串接上一只容量为0.01~0.047μF耐压250~400V的电容器(见图2)。当负载误接在A、T端时,由于在A端输出的是音频信号,电容器C又是和中波线圈串联的,电容器C容量较小,对音频信号相当于开路,所以中波线圈中的音频电流很小,不会烧坏线圈。电容器C对中波信号相当于短路,所以对正常收音没有妨碍。(丁六成)

