调幅收音机常用的双连电容器有12~365pF和7~270pF两种规格,调频收音机则使用3~19pF左右的双连电容器,由于调幅波段与调频波段的频率覆盖范围相差很大,调幅双连电容器不能直接用于调频收音机。但动动脑筋想些办法,调幅双连还是可以用在调频机上的。本文向大家介绍一种简易可行的方法。




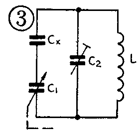
图1是调频收音机调频头部分,C\(_{1a}\)是高放调谐电容,C1b是本振可变电容。两连分别与高放槽路和本振槽路中的C\(_{2}\)、C3、L并联谐振,在不考虑C\(_{2}\)的情况下,可以算出调谐电容的实际可变范围为C1+C\(_{3}\)=(3~19)+15=18~34(pF)。如果按图2给C1串联一个C\(_{x}\),a、b、两点间的总电容应该是C=C1+C\(_{x}\)C1+C\(_{x}\),可见C比C1减小了。C\(_{x}\)取多大才能使上述并联容量C的变化范围接近图1中C1+C\(_{3}\)的变化范围,可通过计算求得。当然由于分布电容的影响,实际值与计算值会有偏差,但基本接近。表1是两种调幅双联串联Cx,用DY—1型多用表测得的数据,可见C\(_{x}\)取39pF时,并联容量C的变化范围与C1+C\(_{3}\)的变化范围(18~34pF)最接近,只是覆盖的频率范围宽了些(见图3)。如按图4方法,槽路中再并联一只固定电容C3,频率复盖范围就更加接近成品调频双连在图1中使用的情况。表2是按图4接线实测的容量,变化范围,也即C\(_{1}\)×Cx;C\(_{1}\)+Cx+C\(_{3}\)的变化范围。安装时不必更改原调频头槽路部分的走线,只要将Cx跨接在C\(_{1}\)与印制板走线之间,就可使分布电容的影响减至最小。实践证明,上述代用方法是行之有效的。(朱笛)
表1
C\(_{1}\)(pF) Cx(pF)C\(_{1}\)·CxC\(_{1}\)+Cx·(pF)
12/365 27 10.2~27.2
33 10.4~29.8
39 10.6~36
43 11~40
7/270 30 7.6~25.6
33 7.8~28.8
39 8~34
47 8.4~43.6
表2
C\(_{1}\)(pF) Cx(pF) C\(_{3}\)(pF)C1·C\(_{x}\)C1+C\(_{x}\)+C3(pF)
12/365 27 8.2 18.4~35.4
33 6.8 17.2~36.6
7/270 30 10 17.6~35.6
33 8.2 16~37