据了解进口收录两用机中三洋M1700、M2564、M4500、M9930;松下RX—1550T、RX—5300F;雅佳AJ—360F、AJ—490FS、AJ—490FL;德律风根CR—7000;神笛SCR—3266S及Silver ST—575、ST—1000T等都使用μPC1018C集成电路作混频、中放。这种集成电路国内已有生产。天津半导体器件厂生产的TB1018C;上海无线电七厂生产的SF1018C其内电路与μPC1018C完全相同可以互换。现将内电路简单介绍如下以供修理时参考。


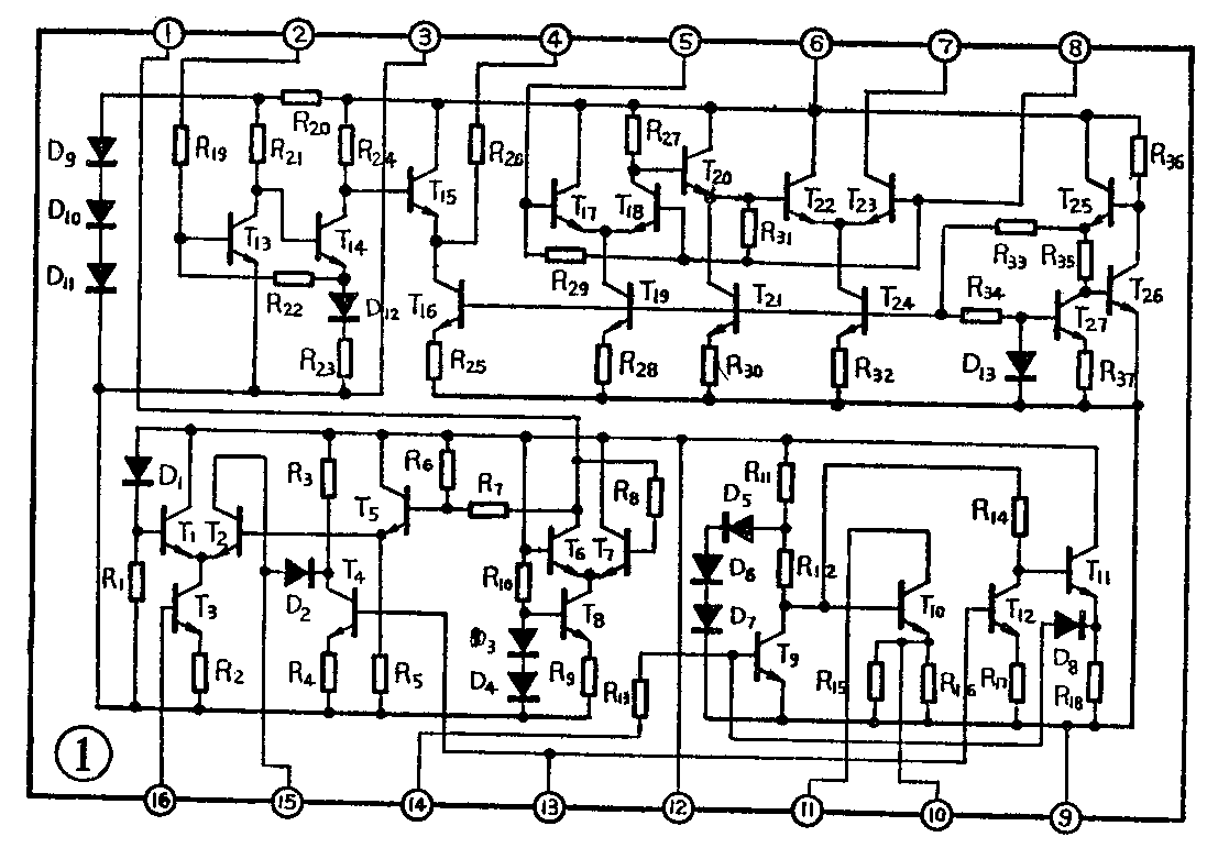
图1中T\(_{6}\)、T7及T\(_{8}\)、D3、D\(_{4}\)、R10与外部元件构成本地振荡器;T\(_{1}\)、T2、T\(_{3}\)是混频管;T9、T\(_{1}\)0是调幅中放管;T11、T\(_{12}\)、R14、D\(_{8}\)等组成AGC电路。T13~T\(_{16}\)及D9~D\(_{12}\)及外部元件构成调频第一中放;T17~T\(_{24}\)和外部元件共同组成调频第二中放。图2是外形图,图中标出各脚功能,可作修理参考。(包承礽 陈宗如)