红灯牌71l-2B型晶体管台式收音机是上海无线电二厂为取代传统的711系列电子管台式收音机而试制的新产品。试制过程中贯彻“好看、好听、可靠、省电”的原则,使它在造型、结构、可靠性、音质等各方面均能超过传统的电子管台式收音机。去年在国家广播电视工业总局举办的全国晶体管台式收音机主观试听中得到专家们的好评,获得最高分数。
该机的声性能较好。为了进一步提高音质,除了设置高、低音调外,还增加了音乐、语言、戏曲三档音色选择开关。另外,该机采用了许多优质新型元件,例如上海无线电九厂的直角旋转波段开关、飞乐电声总厂的1658A型6.5英寸扬声器及上海元件五厂的2G424塑封中功率管等,保证了整机的性能指标。
性能指标
1.频率范围:中波525~1605KHz;短波13.9~9MHz;短波29~18MHz。
2.灵敏度:中波小于1mV/m;短波1小于1mV/m;短波2小于60μV。
3.选择性:单选大于26dB;双选大于14dB。
4.偏调失真:小于10%。
5.带宽:大于6.5KHz。
6.不失真最大场强:大于300mV/m。
7.最大输出功率:大于4W。
8.调制交流声抑制:大于40dB。
9.电源消耗:小于10W。
电路工作原理及特点
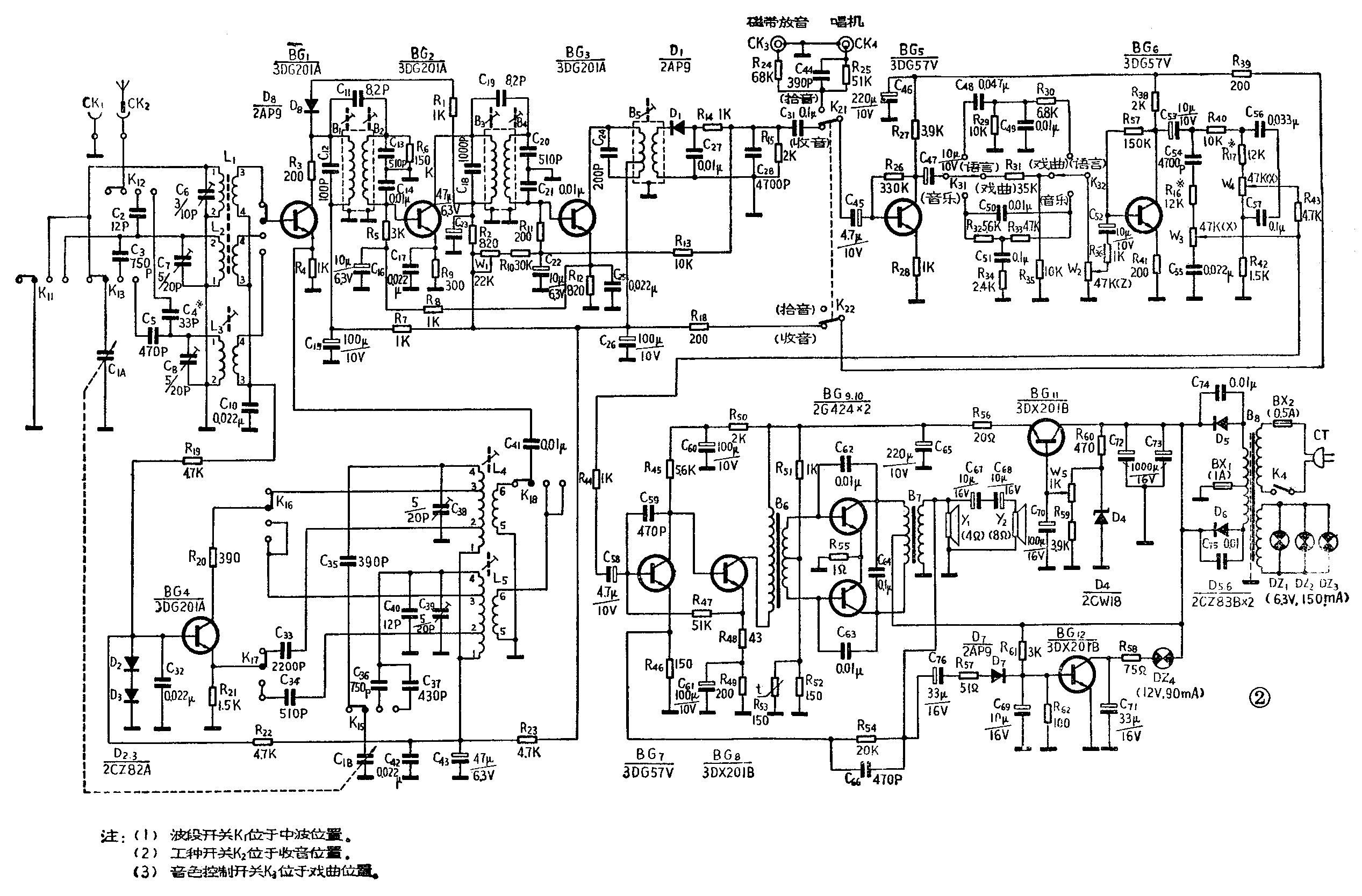
图1、图2分别是红灯711-2B的方框图和电原理图。从图中可见,为了保证整机电、声性能指标不低于电子管收音机的水平,在电路上采取了一系列措施,下面一一简单介绍。


1.天线输入回路
一般收音机中波天线多采用MX-400锰锌磁棒。使用锰锌磁棒中波段天线增益高,在干扰较强的环境中收听需使用远近程开关,降低天线Q值,以抑制干扰源从天线串入而产生噪声。短波多使用镍锌60材料作输入回路的磁芯。虽然上限工作频率提高了,但是由于导磁率低,特别短1的低端天线增益不够。以上原因使得整机中、短波灵敏度不均匀。为了既要克服工业干扰,收听本地强台,又要使边远山区能够良好地收听短波,红灯711-2B机采用了铁镍磁性材料的中短波磁棒。由于工作频率上限可达到10MHz,μ值、Q值介于锰锌材料、镍锌材料之间,所以既保证了中波具有一定的天线增益,又大大提高了短1的无线接收能力。并且中波调制交流声可达-50dB,短1灵敏度可达0.2mV/m(S/N=20dB时)。考虑短波传播的极化问题,收短波时要加一根短拖线,通过C\(_{2}\)耦合到天线槽路。由于中短波磁棒上限工作频率只有10MHz,短2仍使用镍锌材料的螺纹磁芯,短2天线通过C4耦合到天线槽路,C\(_{4}\)的大小决定高端的像频抑制和低端灵敏度。输入回路设有短路刀,使不工作的线圈短路,以防工作波段上的某些点被临近波段吸收。
2.振荡和混频电路 城市收听存在着组合干扰,组合干扰主要来源于电视台(调频台),现象是在收听短波的某些频率上出现失真很大的电视伴音节目,影响了短波正常收听。抗组合干扰的最有效办法是改善收音机本振振荡波形。711-2B机中采取的措施是采用独立振荡方式,降低振荡管供电电压,减弱振荡强度。该机振荡管发射极-集电极电压V\(_{ce}\)为3伏,振荡幅度中波为60mV,短波为40~110mV。为提高本振及混频级的稳定性,设置D2、D\(_{3}\)来稳定BG1、BG\(_{4}\)的基极工作电压。另外,还使用精度较高的槽路电容,以保证短波1和短波2的频率准确。
3.中放、检波和AGC电路中放电路是收音机的关键电路。为使整机有较高的灵敏度和较好的选择性,本机中频变压器选用了两双一单的程式(即两个双调谐槽路,一个单调谐槽路。双槽路中频变压器的初级使用TF102P,次级使用TF101P,两槽路的耦合电容为8.2pF。次级输出用电容分压取得,通过改变容量大小可以比较自由地改变与下级电路的耦合度。由于C\(_{14}\)、C21已是槽路的一部分,故不可选用精度差的CCX铁电电容,本机使用涤纶电容。为求得中放级的稳定性好,第一级双调谐槽路次组用R\(_{6}\)降低Q值,第二级用降低下级输入阻抗的方法来降低槽路Q值,R11就是并联在BG\(_{3}\)基极的电阻。由于采取了上述措施,该机的通带较宽,高音衰减比较少,音质明亮,抗临近通道干扰的能力也较强,提高了短波电台的分辨率并防止了串台。
本机中放电路采用两次自动增益控制方式。通过R\(_{1}\)0从检波级取出AGC电压,控制二中放BG3的基极,一中放的二次AGC电压通过R\(_{8}\)从BG3的发射极取得,当BG\(_{2}\)集电极电流变化到0.4mA时二次AGC起控。BG2静态工作电流选得大,二次AGC起控就晚,这时增益高,但偏调失真大;BG\(_{2}\)静态工作电流取得小些,二次AGC起控早,一中放增益虽然低,但偏调失真却小。因此一中放静态电流应调得两者兼顾,通过调整W1使得BG\(_{3}\)集电极电流为1.1mA;BG2集电极电流为0.8mA。
大家知道,调幅机由于通带的限制,高音受到衰减较多,听起来声音沉闷,高音不明亮。为了解决这个问题,检波与低放之间的耦合电容选得比较大(C\(_{3l}\)取0.1μF),对高音频衰减甚小,而对100Hz的音频仍有16KΩ的阻抗,因此耦合电容C31对100Hz以下的音频有一定的衰减作用,起到平衡频响曲线的作用,还可抑制调制交流声。
4.音色开关和音调电路 一般中高档机构设有音调调节装置,以便在收听时获得较满意的声频响特性。但是收听语言、音乐、戏曲等不同类型节目时人们对声频响的要求是不同的,单靠音调调节难以得到满意的效果。该机增加了音色选择开关以满足对不同节目的要求。
音色开关分语言、音乐、戏曲三档。戏曲档由R\(_{31}\)、R35分压构成;语言档是300Hz以上的高通滤波器,100Hz比1000Hz下降8dB;音乐档是高、低音双抬网络,5000Hz比1000Hz提升7.5dB,100Hz比1000Hz提升6dB。
音色放大管的增益应能补偿音色控制网络的损耗,还必须满足最大场强接收时的动态范围。BG\(_{5}\)的动态范围设计为500mV,而300mV/m场强100%调制度时BG5输出280mV,故能满足动态范围要求。
BG\(_{6}\)是音调放大级,由于该机输出功率只有4W,高、低音过大的提升会造成削顶失真,所以高、低音最大提升量为15dB。
5.生放大器 收音机的重放音质与主放大器的设计关系很大。有些厂家为了提高收音机的绝对灵敏度,往往把主放大器的增益设计得很高(例如大于46dB),这样虽然功率输出可以大些,但失真、噪声、交流声等指标变坏。鉴于调幅收音机所收到的场强一般大于5mV/m,在60%调制度的情况下检波级输出已达到60mV以上,因此低放增益为40dB就足以保证满功率输出了。
另外主放大器的大环路负反馈不宜过深,一般认为加深负反馈似乎频响、失真会好,但实际上动态特性变坏,这已为大量试验所证明。该机功放级是推挽电路,反馈量控制在扬声器开路时不自激为宜,这里1000Hz反馈最为7dB.开环增益为47dB。在大环路反馈量小的情况下要保证频响、失真等指标就必须增加推动组和前置级本级的反馈。这里R\(_{48}\)取43Ω,R45取150Ω,且使两级增益相同。该机BG\(_{7}\)的静态集电极电流取1mA,BG8取7mA。开环时主放大器失真小于2%。频响靠加大输出变压器容量来保证,输出变压器用12x18mm的铁芯,电感量L>1亨,使得100Hz的开环增益在41dB以上。
一般认为全硅管收音机声音有发毛、发硬的感觉,这主要是功放电路存在轻微高频自激,或高次谐波分量较强,有超音频发射。为避免这个毛病,功放管的静态电流选得较大(10mA),并且经稳压之后取得基极偏压,保证在大信号情况下也不出现交越失真,避免了高次谐波的产生。其次加入C\(_{59}\)、C62、C\(_{63}\)、C64等防振电容,避免自激。采取以上措施之后声音很干净,消除了声音发毛、发硬的感觉。
6.电源 该机除功放管以外其余所有各级均由BG\(_{11}\)组成的稳压电源供电。整机静态时直流电压为16V,满功率时为14V。改善电压调整率主要靠增加电源变压器容量来实现。
7.音量指示电路由BG\(_{12}\)和D7、DZ\(_{4}\)组成。R61、R\(_{62}\)是为提高起辉灵敏度而加的固定偏压。R58、R\(_{57}\)是限流电阻,C71是用来保护BG\(_{12}\)而加的。(待续)(根成)