该文介绍的装置,发射机与接收机相配合,有效控制距离约30米,可供一般家庭或小会议室遥控窗帘使用,其特点是结构简单,制作容易。
发射机
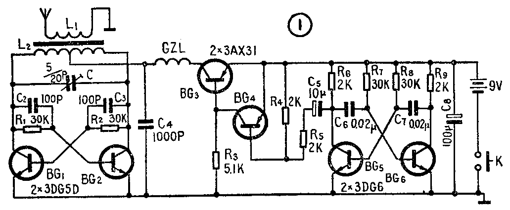
发射机电路见图1。BG\(_{1}\)、BG2等组成载频振荡器,L\(_{2}\)、C决定了载频频率,约在30~50MHz。BG3、BG\(_{4}\)等组成开关控制电路,BG3的导通与截止可控制载频振荡器的工作状态;BG\(_{5}\)、BG6组成多谐振荡器,BG\(_{3}\)、BG4轮番导通与截止,输出一音频信号,音频信号的频率约为1000Hz,该音频信号被耦合到BG\(_{3}\)的基极,用以控制开关电路中管子的导通与截止。已调制的载频信号由线圈L2耦合于L\(_{1}\),经天线向外辐射出去。

图中,要求BG\(_{1}\)、BG2的β值相等,β>100,f\(_{T}\)>300MHz;BG3、BG\(_{4}\)的β>60,ICEO要尽量小;BG\(_{5}\)、BG6两管的β值要相等,β>20就可使用。L\(_{2}\)用1.5mm的漆包线在φ10mm的胶木线圈管上间绕9匝,中心抽头,脱胎后拉长至20mm;L1用0.5~1mm的漆包线绕在φ10mm的线圈管上,间绕3~5匝后,取下嵌入L\(_{2}\)的间隙中。高扼圈GZL用线径为0.09mm的漆包线在1/8W、1MΩ的电阻上绕90匝。电池用6F22、9伏积层电池。天线用自行车辐条代替。
电路印制板见图2(1:1),可装在尺寸合适的盒内。一般焊接无误,电路能正常工作,整机耗电约为15mA左右。

接收机
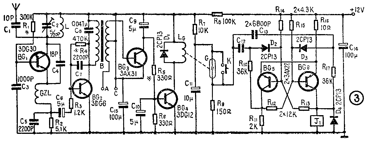
接收机电路见图3。BG\(_{1}\)、L、C2等组成超再生检波电路,检波后的信号经C\(_{6}\)、R3耦合到BG\(_{2}\)进行音频放大,然后经变压器B耦合至BG3的基极,使BG\(_{3}\)、BG4导通,干簧管线圈LG中有电流通过,干簧管闭合。R\(_{7}\)、C11为脉冲形成电路,当干簧管闭合时,将有一正脉冲通过C\(_{12}\)、C13加到BG\(_{5}\)、BG6等组成的开关电路(双稳态电路),使电路翻转。当BG\(_{6}\)导通时,继电器吸动;BG6截止时,继电器释放。

继电器的触点用来控制电机电路。
图2中BG\(_{1}\)的选择关系到接收机的灵敏度,所以要求BG1的f\(_{T}\)>500MHz,β>150,本机用3DG30F也可采用3DG11B、2G910等晶体管;要求BG2、BG\(_{3}\)的β值>60,BG4的β>30,穿透电流要小;要求BG\(_{5}\)、BG6的β>30,I\(_{CM}\)>100mA。变压器B用半导体收音机的输入变压器。L用1.5mm的漆包线在内径为10mm的圆棒上绕5匝,脱胎后拉长至15mm,高扼圈GZL与发射机同。干簧管线圈LG用线径为0.07mm漆包线在干簧管上绕2000匝左右。继电器用12伏的中间继电器。
接收机电路的印制板见图4。焊接好以后,先调R\(_{1}\),使BG1集电极电流为1mA左右,调R\(_{4}\),使BG2的集电极电流为1~1.5mA。在A、C处先暂时接一高阻(约2000Ω以上)耳机,可听到超再生电路产生的“沙沙”声。按下发射机开关K,微调发射机的C\(_{1}\)或接收机的C2,可听到“嘟嘟”声。这时再继续调整R\(_{4}\)和C8的数值,使“嘟嘟”声增强,同时逐步拉开发射机和接收机的距离。调整好以后,拆除耳机。发射机工作时,干簧管应闭合,BG\(_{5}\)、BG6应翻转,如果不翻转,可能是触发脉冲宽度不够。可适当增加C\(_{11}\)数值。图3中的K用于手动控制时使用。接收机电源为12伏,继电器吸合时整机电流约为50mA。

机械传动机构
电动机采用市场上出售的玩具电机。把它原来的转轴抽出不用,另外再用一根长度为60mm的自行车辐条装入代替转轴。在转轴上用线径为0.8mm左右的铜线以相隔2毫米的距离绕7~8圈,把铜线的两端用锡焊在转轴上,作为涡杆;涡轮用收音机旋钮改制,改制时,把旋钮的外齿先锉平,使其直径约为22mm,重新按涡杆螺距锉出稍斜一点的齿,要求齿距相等,平分圆周,当旋钮直径为22mm时,涡轮齿数为31,若齿数变,速比也变。涡轮与涡杆组装后,要经过一段时间的正、反转,磨得合槽以后才能正常使用。涡轮的一侧固定安装一个小滑轮,和涡轮一起连动将窗帘绳在滑轮上绕两圈,当电机转动时,带动涡杆,涡杆与涡轮相配合,使得小滑轮转动,拉动窗帘绳,带动窗帘打开或闭合。
电机电路见图5,J\(_{1}\)-1、J1-2为接收机中继电器的触点,K\(_{1}\)、K2为自制的限位开关。当继电器吸动时,其触点J\(_{1}\)-1、J1-2的中间簧片与常开簧片接通(图5中所示状态),3伏电池通过K\(_{1}\)、K2给电机供电,电机转动,我们称它为正转,开始拉动窗帘,当窗帘拉满窗子时,我们用一个简单的办法(见下段所述),使K\(_{2}\)断开,这时电机因断电停止转动。若想把窗帘打开,可停止发射遥控信号,使得继电器释放,从图5中看出,J1-1、J\(_{1}\)-2触点的中心簧片与常闭簧片接通,电机因电源反接而反转,拉开窗帘,当拉到一定位置时,也是用一个简单的方法使K1断开,电机因电源断开而停转。

开关K\(_{1}\)、K2是自制的,由三片有弹性的铜片构成,中间b片和两旁的a片、c片静止时都靠在一起,三片连通,见图6(a), b片上端有一圆孔,窗帘绳从这个孔中穿过。根据窗帘拉开、合上的极限位置对应的窗帘绳位置,在绳上结上两个疙瘩作为极限挡块,使得窗帘开或关到这两个极限位置时,挡块起作用,使限位开关b片和a片或c片断开,开关的ab或cb触点就脱开,自动切断电机电源,使窗帘停在这个位置不再动。这部分的安装见图7。


遥控装置可以放在便于使用的地方。机械传动部分应放在窗子上方,固定好。
此装置也可以用于遥控照明灯具、电风扇等。(赵清方)