这里介绍的附加对讲、遥控装置是在不改变收音机功能的基础上,增加一些元器件制成的。
附加对讲装置
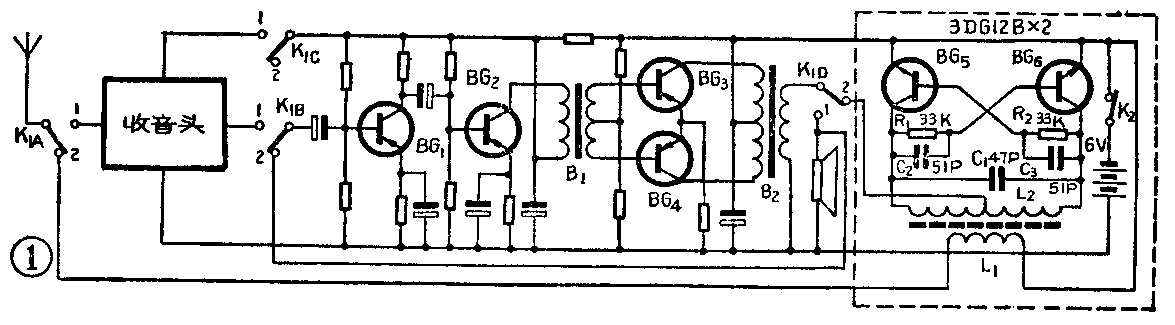
图1是晶体管收音机附加对讲机的全电路图。收音机用有短波段的、带有拉杆天线的。从图中可以看出,开关K\(_{1}\)置于“1”位时,附加电路与收音机电路断开,仍为一台正常的收音机;当开关K1置于“2”位时,附加电路被接到了收音机的低放电路,变为对讲的发射状态。

附加装置是一个由晶体管BG\(_{5}\)、BG6、振荡线圈L\(_{1}\)、L2等组成的载频振荡器,产生一个15兆赫载频振荡信号。当开关K\(_{1}\)置于“2”位时,K1d将载频振荡电路接到收音机电路中。当对准收音机嗽叭讲话时,嗽叭将声音变为电信号,经开关K\(_{1B}\)加到收音机的低放电路进行放大,放大后的音频信号经输出变压器输出到附加电路的振荡线圈L2,这一音频信号作为调制信号对载频信号进行调制,调制后的载频信号经天线发射出去。
接收时用收音机的短波段,将收音机调谐到发射机的载频频率上,便能收到对方的话音信号。
附加装置的晶体管用3DG12、3DG27或2G711都行,要求β值在40~80左右。载频振荡线圈要自己绕制,骨架和磁心用电子管收音机的短波振荡线圈的五角或六角式骨架,先绕L\(_{2}\),共绕12圈,中心抽头,L1绕在L\(_{2}\)上,绕4圈即可,L1、L\(_{2}\)均用0.4~0.6mm左右的漆包线。载频振荡电路的电容可用瓷质或云母的。发射天线选用拉杆天线。焊在图2所示的印制板上(1:1)。

安装好以后就可以进行调试了。调试时先将开关K\(_{1}\)置于发射位置“2”,用万用表100毫安档测量一下总机电流,电流应在35~45mA左右,然后把音频信号发生器或电唱机输出的音频信号输入到K1B的“2”端,把另一台对讲机的收、发开关K\(_{1}\)放在收音位置“1”,把收音机的频率调到15MHz附近,寻找出发射的音频信号,待找到发射信号后,调准,然后再拉开距离调试,边拉开距离边调附加装置中的L1、L\(_{2}\)的磁心,使收音机的声音最大。若收到的信号中有其它电台信号干扰,可调L1、L\(_{2}\)的磁心,避开干扰信号后再调。
附加遥控装置
在上述附加对讲装置的基础上,把发射的话音信号换成固定的音频控制信号,这样发射装置就变成了遥控装置。
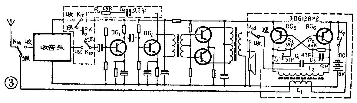
遥控发射装置电路见图3。BG\(_{5}\)、BG6、L\(_{1}\)、L2等组成载频振荡器;R\(_{0}\)、C0、晶体管BG\(_{1}\)、BG2等组成音频振荡电路,作为控制信号。当开关K\(_{1}\)置于“遥”位置时,将开关K接通,这时音频控制信号调制在载频信号上发射出去。当开关K1置于“收”位置时,断开K,仍为收音机的正常收音状态。

遥控接收装置电路见图4。附加电路由二极管D、晶体管BG\(_{5}\)等组成控制电路。当开关K1放在“遥”位置时,接收到的音频控制信号经二极管D整流,再经电容C滤波后,加到开关管BG\(_{5}\)的基极,BG5工作,继电器绕组有电流通过,继电器吸动,其触点接通被控制电路的电源,完成控制动作。

调试方法与上述对讲机情况基本相同,发射装置中,适当选择R\(_{0}\)、C0数值,使振荡器能振荡就行了。接收装置中的开关电路只要数值合适都能正常工作。(郭承源)