匈牙利TC—1612电视机是一种组件化、集成度较高的电视机,电路图本刊1979年第9期封二已经介绍过,下面就该机行、场同步组件的几种常见故障的检修,介绍如下。
行同步组件常见故障
(一)电源单元正常时“无光栅、无伴音”。
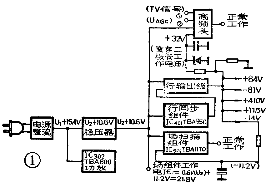
该电视机的供电方式与一般国产电视机不同,除了采用通常的并联馈电方式外,还采用了如图1所示的特殊馈电方式。即高频调谐器变容二极管的+32V工作电压、场扫描单元的工作电压的一部分(-11.2V),都是由行输出级供给。因此,在电源供电关系上,又建立了“纵”的关系。所以当行振荡停振时,就会造成“无光栅、无伴音”故障,这是和大多数国产电视机不同的。另外,当行激励级、行输出级出故障时,也会引起这种故障现象,但比较少见。所以在检修中,通常应抓住“行停振”这个重点,以行同步组件为中心,重点检查IC\(_{4}\)01(TBA950)、R613/33Ω、D\(_{6}\)08等关键元件,就可迅速排除故障。

在着手检查行同步组件及R\(_{613}\)、D608等关键元件时,应先了解各自的作用及信号馈送关系。行同步组件共有七个脚:①脚为空脚;②脚为组件工作电压的输入端;③脚为“地”;④脚为场同步脉冲输出端;⑤脚为行比较脉冲输入端;⑥脚为行激励脉冲输出;⑦脚为同步脉冲输入端。R\(_{613}\)为行同步组件的电源退耦电阻。D608为行同步比较脉冲的钳位二极管。行输出级输出的约500V\(_{pp}\)的行逆程脉冲,经过整形网路被D608钳位于低电平。钳位时的参考电压U\(_{2}\)为+10.6V。此时行同步组件⑤脚的波形如图2所示,幅度约15Vpp,正常情况下,组件各脚的电压如表1所示。

表1
脚号 1 2 3 4 5 6 7
功能 空脚 电源 地 场同步脉冲 行比较脉冲 行振荡脉冲 视频信号
电压(V) / +9.2 0 +0.1 -2.1 +2.0 +6
注:用MF-10型万用表(V-×10)测得。
由于集成电路过载能力较差,测试中,如果表笔造成意外短路,都可能使之损坏,所以最好给万用表表笔加装保护卡具,如图3所示。选一只与表笔金属端部粗细合适的废圆珠笔心尼龙管,裁取定长,并用刀片在一头开成深2mm的“V”形槽,然后套在表笔的端部,使金属部分在V形槽微微露出。

首先检查行同步组件②脚看有无+9.2V的工作电压,如果没有,一般是R\(_{613}\)断路,因为此电阻质量欠佳,容易损坏,断路后,外观仍完好。换新后,若仍无改善,就应进一步检查组件的其他脚的波形和电压,重点是⑥脚的波形和电压,正常波形如图4所示,直流电压约为2V。也可用万用表交流电压10V档,串上一只1μ的电容,测量行脉冲的交流电压,正常时约为2V。如果⑥脚的波形和电压都不正常,说明IC401可能损坏。为了判断准确,还应测量IC\(_{4}\)01各脚对地的电压和正、反“在路”对地电阻(这里是指将组件拔出后,组件各脚对地的正反电阻)。正常时,各脚对地的电压和正、反“在路”对地电阻如表2所示。其中应重点检查IC401的②、③、⑩、、脚,若偏离正常值在20%以上,则可以判定IC\(_{4}\)01已经损坏。

表2
脚号 1 2 3 4 5 6 7 8 9 10 11 12 13 14
电压(V) 0 +2 +8.8 +4 -0.5 +1.2 +0.09 +1.85 +0.02 -1.25 +4 +4.1 +4.3 +4.25
正(KΩ) 0 2 1.3 8 300 3.7 9.5 9.2 2 5.1 2.4 8.6 9.3 9.4
反(KΩ) 0 2 1.3 8 300 3.7 10.5 11.8 2 5.1 2.4 8.6 10.7 9.3
注:用MF-10型万用表(V-10;Ω×1000)测得。
(二)行同步不稳,且随亮度变化。
这是一个较典型的故障,在说明TC—1612电视机电路特点方面有一定的代表性。首先利用上述方法对组件及IC\(_{4}\)01各脚进行检查,发现组件的⑤脚、IC401的⑩脚电压异常,其中组件⑤脚对地电压达+9V,比正常值-2.1V高很多,用示波器观察组件⑤脚波形如图5所示,幅度约3V\(_{pp}\),正常时幅度为15Vpp。再检查钳位二极管D\(_{6}\)08,发现已击穿短路。D608损坏后,由于行比较脉冲被电源电路分流,造成幅度不足,所以引起行同步不稳。D\(_{6}\)08/N125损坏后,可用国产2CGE、2CP18~20等二极管代替。

为什么D\(_{6}\)08击穿后,行同步不稳定还随亮度而变化呢?这是由于本机电路上的特点而决定的。该机第二阳极高压(+11.5KV)的整流电路中的是与稳压电源中的相连的,如图6所示。这样引入一定量的负反馈,改善了该机在亮度大幅度变化时,对光栅幅度的稳定性的影响。普通电视机,当亮度调大(即显象管阴极发射电流增大)时,就会引起第二阳极高压下降,结果造成不同程度的光栅扩散。采用如图6所示的连接以后,当亮度增大时,使高压整流回路中的电位下降,进而使取样管T603的基极电位下降,集电极电位上升。经过稳压电路的调压过程,使输出电压U\(_{2}\)下降(约0.5V左右),结果使光栅幅度基本稳定。正常情况下,亮度和光栅幅度的变化关系如表3所示。由于这种关系,稳压电源的输出电压U2实际上是随亮度变化而相应浮动的。

表3
U\(_{2}\)(V) +10.6 +10.3 +10.1
显象管高压 +10.85 +10.1 +9.65
(KV)
显象管阳极 0 40 110
电流)
光栅幅度 无光栅 满幅 满幅
亮度 无 中等 最大
所以当D\(_{6}\)08击穿短路时,造成行同步不稳并且随着亮度变化而变化的奇怪现象。
(三)行同步不稳、图象不居中,如图7所示。

这也是该机行同步组件的一个典型故障。首先应检查行同步组件各脚的电压和波形。然后再检查IC\(_{4}\)01的各脚电压,发现脚无+4.3V电压,但波形正常。脚是IC401内电路行比较锯齿脉冲的检查端,C\(_{4}\)09是锯齿脉冲形成的积分电容。脚波形正常,说明内电路各相关部分工作正常。无直流电压,说明相位控制内电路有断路故障,即使脚电压正常,但仍然不能到达脚。为了防止脚对内电路有影响,将脚与相位控制电位器P401/10K的中心头断开,用一只18K左右的隔离电阻从P\(_{4}\)01中心端将电压馈送至脚。这时调节P401,可使图象居中。这个例子说明IC401有部分内电路损坏时,可以用附加外电路的方法修复。但一定要对比测试各脚的基本电压、波形和“在路”电阻,这样才有可能。
场扫描组件常见故障
该机场扫描组件是由集成电路IC\(_{5}\)01(TDA1170)及其外围元件组成。它可以直接与匈牙利TA5301、TA3301电视机的场扫描组件互换。该组件各脚的主要功能如下:①、⑧脚为空脚;②、脚为U2(+10.6V);③、脚为场频调节;⑥、⑦、⑨脚为场幅度调节;⑩、④脚为场输出端;⑤脚为场同步脉冲输入;脚为组件的“地”(-11.2V);为场消隐(该机空着没用,场消隐信号取自0)。正常情况下,场扫描组件各脚电压及IC\(_{5}\)01各脚电压和“在路”电阻参考值如表4、5所示。
表4
脚号 1 2 3 4 5 6 7 8 9 10 11 12 13 14
功能 空脚 电源 场频 场偏转 场同步 场辐 场幅 空脚 场幅 场偏转 电源 组件地 场频 场消隐
电压(V) / +10.6 -7.8 -10.5 +0.1 -7.2 -7.2 / -4.2 -10.2 +10.6 -11.2 -6 /
注:用MF-10型万用表(V-×10)测得。
表5
脚号 1 2 3 4 5 6 7 8 9 10 11 12
电压(V) -6.5 +10 -9 +2.8 +9.8 -3.8 -4.1 -9.8 -7.8 -7.8 -9.3 -6.2
正(KΩ) 9 7.1 5.6 7.3 7.7 7.7 10.8 12.8 8.8 5.5 8.9 8.6
反(KΩ) 17 29 180 32 1.1MΩ 7.7 数+MΩ 12.5 数+MΩ 5.2 10.1 220K
注:用MF-10型万用表(V-×10;Ω×1000;Ω×100K)测得。
(一)水平一条亮线故障之一。
有一台TC—1612电视机,屏幕上呈现一条水平亮线,同时机内冒烟并闻到焦臭味。切断电源检查,发现场扫描组件的电源退耦电阻R\(_{624}\)/33Ω烧焦,摸一摸IC501的散热板,温升很高。再次短时间接通电源,检查场扫描组件各脚电压,发现脚电压为-9V(正常值为-11.2V),IC\(_{5}\)01④脚电压约为-9V(正常为+2.8V)。切断电源测量IC501各脚对地“在路”电阻(选择组件的散热板为“地”)。发现IC\(_{5}\)01④脚的正、反向电阻均为零(正常时正向为7.3K,反向为32K)。由于④脚为场扫描电压的输出端。正、反向电阻均为零,说明④脚对“地”已击穿,可判定IC501已损坏。
从以上检查过程说明测量IC\(_{5}\)01各脚在路电阻是判定该类故障的主要方法,其中应重点检查脚和④脚。实践证明,场扫描组件内电路的振荡部分不常损坏,大部分故障发生在末级功率输出级,最常见的是④脚对地击穿。
(二)水平一条亮线之二。
屏幕上呈现一条水平亮线,但R\(_{624}\)/33Ω没有损坏。检查组件及IC501各脚电压、电阻均正常,只有脚电压偏高。进一步检查发现供电电压-11.2V偏高、U\(_{2}\)(+10.6V)偏低,约9V。检查行输出级,发现输出变压器上部固定高压硅柱的塑料支架击穿碳化,加重了行输出的负载,使-11.2V的电压升高。由于场扫描组件得不到正常工作电压,使之处于截止状态,所以出现一条水平亮线。这说明造成一条水平亮线的故障,不仅仅是由于场扫描组件损坏引起的,而且行扫描有故障,同样会造成这种现象。这是由于该机供电系统的特殊设计造成的,检修中要注意。
(三)光栅上部翻卷并有数条回扫线,如图8所示。

出现上述现象之后,增大亮度,翻卷程度会加重,场幅度相应缩小。首先检查组件及IC\(_{5}\)01各脚电压和“在路”电阻,发现脚和IC501的④脚电压均偏高。由于IC\(_{5}\)01④脚的电压是内电路末级功率输出级的中点电压,当④脚电压不正常时,说明IC501内电路有局部损坏,结果产生上述现象,解决的办法:①更新IC\(_{5}\)01(TDA1170);②将R624/33Ω改为10Ω左右的电阻或者改成数十微亨的电感。这样可提高组件的工作电压,使上述现象有不同程度的改善。这仅是没有TDA1170的情况下的一种应急办法。处理后还应调整一下场线性、场幅度。(赵和林)