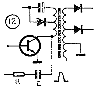
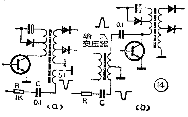
为了取得正向反馈逆程脉冲,也可按图12所示从行输出管集电极取出,但此时需改变积分电阻R和隔直流电容C的数值,对于采用自举升压的行输出级,R取10K,C取0.1μF。不升压的R可用4.7K,C也仍用0.1μF。当行振荡采用PNP管时,反馈为正向逆程脉冲,一般是从行输出管的集电极引出如图13,也有的从行输出变压器初级提升管的抽头处引出。为了得到负向反馈逆程脉冲,可采用图14所示两种方法。图14a是用有绝缘皮的导线,在行输出变压器磁心上绕15圈左右并将电阻R改用1K,电容C改为0.1μF。图14b是采用由变压器倒相取得负向逆程脉冲,变压器可用晶体管收音机用的输入变压器代用,次级一端通过一只0.1μF电容接至行输出管集电极(或接至行输出变压器初级接升压管抽头处),变压器中点接地,从另一端取出负向逆程脉冲,只要逆程脉冲是从原来引出点取出的,倒相后的脉冲幅度是不会变的,所以RC数值可以不变。



观察具体波形的两点说明
(1)同步信号的观测:同步信号中包括行、场两种同步信号,用电视机可以检查同步分离、同步放大和同步倒相管的工作情况,在屏幕上可以同时显示行、场同步脉冲。观测时,必须将测量机的背景图象去掉,即把视放级与显象管阴极之间的交连电容断开,如图15。被观察的同步信号,可以从显象管的栅极输入,对于正极性的同步信号(同步头向上),显示为黑底白图;从阴极输入时,则显示为白底黑图。图16是正常同步信号在同步情况下、\(\frac{1}{2}\)行频显示和移相显示情况的三种图形。在同步情况下,无法观察到行同步脉冲的调制图形,只能检查场同步信号的情况。无论采用在上述三种情况的哪一种,都应将测量机的场频旋钮调至使场失步的状态,使被测场同步信号停留在屏幕的中间位置。若不能停留时,可将场同步信号断开。有时也可以用被测机本身来观察,但被测电视机的通道和扫描部分都必须基本正常。


图17是采用移相法显示出与各种同步脉冲波形所对应的图形。图18是几种同步波形不正常的情况,其中图18a为同步分离工作点不当,或送至同步分离级的视频信号幅度不足,使之混进了消隐信号;图18b为同步分离不良的情况;图18c为无同步头时的图形。图19为几种视频信号失真或畸变时所显示的图形;其中图19a为场消隐信号内缩,无法分离场同步信号的对应图;图19b为场消隐突起时的对应图形;图19c为场消隐信号倾斜引起场同步脉冲下跌的对应图形。



(2)场扫描各部分波形的观测:由于场频较低,观测场扫描各部分波形,可在不同步情况下进行,不必降低频率或进行移相,但须注意:场扫描波形在观测屏幕上所显示的亮度变化图形是垂直方向变化的,如图20所示。

电压幅度的测量

用电视机测量脉冲电压时须借助电压表。测量时,应将测量机的显象管阴极交连电容断开,使其不显示图象。并按照图21所示接上电压表V。被测信号加至显象管栅极,将亮度电位器由显象管无光调至刚出现亮条时,记下此时电压表的指示数值为U\(_{1}\),再逐渐加大亮度,记下对应波形底部的亮度刚出现时电压表上的指示数为U2,U\(_{1}\)与U2之差值就是被测波形的峰值电压。测量中,若脉冲幅度较大,亮度电位器控制范围不够时,可以改变亮度控制电路的分压电阻数值。应按图3所示方法加以降压。然后将测得的电压乘以所降压的倍数即可。这种测量,还可以将亮度变化(对应于波形各点)所对应的电压绘制成曲线。(郑诗卫)