问:我们商店在出售电视机时,用图象方格信号发生器测试给顾客看,发现把电视机亮度电位器调节到最亮时,屏幕上的方格图象会随之有些扩大,而且每台电视机都是这样,请问是不是电视机有故障?
答:这是因为当亮度增大后,显象管阴极发射电子也要增加,由于高压有一个比较大的内阻,因此在大电子束的工作状态下,会使高压降低,电子的速度变慢,行偏转灵敏度增大,因而造成了图象幅度增大。当然这种图象幅度增大不会太明显,在正常收看电视节目时基本上感觉不到,因此这不是电视机有故障。(花维国)
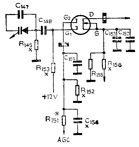
问:一台日立CTP-236D彩色电视机,由于雷电引入,高放管3SK60损坏,能否用国产管代换?
答:3SK60管是双栅型场效应管,可用国产3DG56B型正向AGC管代用。代换时电路要作相应的改动:将图中打“×”的元件去掉;R\(_{151}\)改用47K电阻;G2、G\(_{1}\)并接焊在3DG56B的基极上、3DG56B的集电极焊在D极上、发射极焊在S极上。经这样改动后电视机性能基本不变,只是增益稍低一点。(王来喜)

问:一些进口电视机的电路图中,电容器符号旁边还标有各种符号,请问是代表什么意思?
答:进口电视机电路图中,电容器符号旁边标的各种符号分别表示电容器的介质情况、耐压等。由于没有统一的标准,因此国家之间,甚至一个国家内各厂家所用符号都不相同,有时符号相同而表示的意义却不相同,因此要知道各符号的确切意义,须认真查阅电路图或说明书中的说明。下面列举部分电路图中电容器旁标注符号所代表的意义,以供参考。
日本松下电视机电路图中电容器旁标符号的含义:

西德根德电视机电路图中电容器旁标符号的含义:

(汪非)
问:一台东芝12英寸黑白电视机在收看时有时出现机震现象,请问怎样解决?
答:日本东芝电视机的后盖有四枚固定螺丝,只要将上部的一枚螺丝取下,即可将后盖的嵌入部分稍微拉出一些(如图1所示)。然后在后盖上部嵌入部位的三处贴上尼龙布如图2所示(其它布亦可),机震现象即可消失。当把后盖插进前盖时,应注意不要把所贴的尼龙布碰掉或移位。后盖上好后随即把固定螺丝拧紧,这时所贴尼龙布恰好嵌入前盖,没有外露,不会影响机器的外形美观。


日本生产的其它牌号电视机,如也有机震现象,只要其外壳结构与东芝牌相同,均可按此法处理。(张景忠)
问:用磁头消磁器消磁,为什么有时越消效果越差?

答:这种情况是消磁器使用不当造成的。磁头消磁器是利用50Hz市电进行消磁的。从交流消磁原理来看,消磁磁场应该由弱到强再由强到弱效果最好(参考附图)。所以用消磁器给磁头消磁时,应该在消磁器远离磁头时给消磁器通电,慢慢将消磁器移向磁头,直至消磁器工作缝隙与磁头工作缝隙接触,来回移动几下消磁器,再慢慢离开磁头,当消磁器远离磁头时再给消磁器断电,这样才能获得满意的消磁效果。如果在消磁器与磁头工作面接触时按动消磁器电源开关,这一瞬间开关电流比正常工作电流大很多倍,这种类似直流的脉冲电流所产生的直流磁场会给磁头充磁,当然“消磁”效果很差。所以在使用消磁器时千万不可在消磁器接近磁头时拨动消磁器电源开关。(刘文轩)
问:电子管收音机中的电源滤波电容一般采用有极性的电解电容器,能不能用耐压和容量相同的无极性的电容器代替?
答:原理上可以,但在实际上行不通。因为交流电子管收音机电源滤波电容要求有较高的耐压和较大的电容量,如果采用普通无极性电容器,则其体积、重量和造价都将大到无法接受的程度。电解电容器则不同,它一般是将铝箔和吸饱电解质的衬垫纸相叠卷挠而成,在电解质作用下,铝箔表面形成一层极薄的氧化膜,由于氧化薄膜的介电常数很高,所以电解电容器具有较大的电容量且体积小,适宜用作电子管收音机的电源滤波电容。
铝电解电容器的容量误差大、漏电流大、稳定性差,但成本低,多用于要求不高的电源滤波电路。另一种钽电解电容器漏电流小、稳定性好,但价格昂贵,多用于要求较高的电子电路。
由于氧化薄膜具有单向导电性,所以普通电解电容器具有正、负极性。使用时必须高电位接“+”,低电位接“-”。如果接反,氧化膜介质导通,漏电流将急剧增加,容易使电容器遭到永久性损坏。(吴大伟)
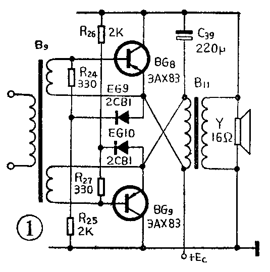
问:我有一台春雷3P7型9管半导体收音机,想在该机上安装一个可供插接耳塞(8欧)和供录音机线路录音的线路输出插孔,应如何接法?
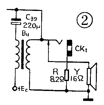
答:春雷牌3P7型半导体收音机功放输出级电路如图1所示,如果单安装可供使用阻抗为8欧耳塞的插孔可按图2的方法进行。CK\(_{1}\)是插孔,R应选择1/2W8Ω金属膜电阻。


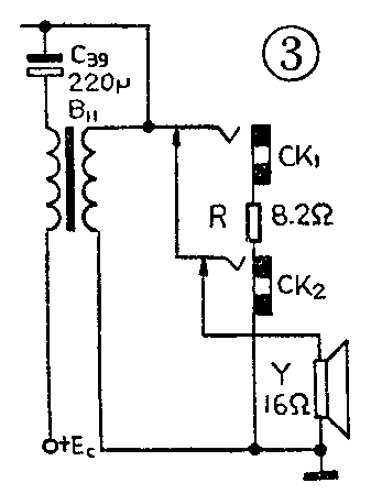
如果想在3P7型机器上安装既可使用耳塞又可供录音机录音用的外接插孔,可按图3方法改装。CK\(_{1}\)作8Ω阻抗的耳塞使用,CK2可作供录音用的信号源线路输出。为了保证良好的录音效果,可在转录线上加装衰减器。衰减器的接法如图4所示R\(_{1}\)、R2、R\(_{3}\)选用1/2W金属膜电阻。(彭贤礼)


问:定阻抗输出式扩音机为什么要设置高阻抗输出端?在什么情况下使用?
答:在定阻抗输出式扩音机中,通常把高于100Ω的输出端,叫做高阻抗输出端。扩音机设置高阻抗输出端的目的是提高信号馈送线的传输效率。例如:使用一只阻抗为16Ω的号筒式高音喇叭,接在离扩音机数百米的地方,假若馈送线本身的阻抗(两根线的总值)为40Ω,如果接在扩音机的16Ω输出端子上,则此时的传输效率为\(\frac{16}{40+16}\)≈29%;若通过变压器改接在250Ω输出端子上,则传输效率为250;250+40≈86%;若进一步改接到500Ω输出端子上,则传输效率提高到\(\frac{500}{500+40}\)≈93%。由此可见,同样的馈线长度,扩音机的输出阻抗越高,传输效率亦越高。
当扬声器的安装位置距扩音机较远,馈线的电阻值与扬声器的阻值差不多时,应使用馈线变压器将扬声器配接在扩音机的高阻抗输出端上;只有当扬声器离扩音机很近,馈送线的阻值可以忽略时,方可将扬声器通过串联、并联或混联,直接配接在扩音机的低阻抗输出端上。
最后还要强调一点,在使用馈线变压器进行阻抗变换时,应将变压器和扬声器安装在一起,而不应该将变压器和扩音机安装在一起,在馈送线较长时更应注意这一点。否则,馈送线的传输效率将仍然是很低的。(郑浩)
问:怎样才能防止损坏电子手表电路?
答:电子手表采用一块CMOS集成电路,它是手表的核心部件。手表电路如受损坏就要化费较大的修理代价,有的甚至不能修复。怎样才能防止电子手表电路不受损坏呢?实践经验证明能否注意防潮是保证电路可靠工作不受损坏的关键。因此在使用中应尽量避免潮气,汗水进入表内。另外在更换电池时要轻取轻装,换以与原来相同型号的电池。操作时切忌用力挤压安装电路的基板,否则会造成电路引出线断路使电路报废,对胶木基板更应特别注意。(李耀祖)