读者在业余条件下安装集成运放电路扩音机时,常遇到集成运放块使用、选择、代换方面的一些问题。本文以去年第10期发表的《集成电路CE803型OCL扩音机》为例,谈谈灵活运用运放块的有关问题。
了解扩音机对运放块的要求
集成运放块用在扩音机线路中,属于低频交流大信号应用,基本上是把集成运放块当成晶体管使用,因此对集成运放块的要求是很低的。下面以图1为例说明。

对增益的要求:运放块用于扩音机时,要求工作在深度负反馈状态,这样才能减小失真并使扩音机工作稳定。图1扩音机电路总增益约500倍,电压放大分两级来完成,输入级A\(_{1}\)闭环增益约50倍,激励级约10倍。显然,对运放块增益的要求是很低的。如果以反馈深度K0β≥100来估算,输入级β≈1/50=0.02,则运放块开环增益K\(_{0}\)≥100/β=100/0.02=5000倍即可。我们知道,通用型运放块的开环增益一般均在数万倍以上,完全满足要求。
对失调的要求:低档运放块的失调电压约有10毫伏,因为图1中A\(_{1}\)采用对称偏置,闭环增益约为50倍,则在不加调零的情况下,输出端零偏电压约为10毫伏×50=500毫伏。我们知道,一般运放块不失真输出电压均可达7伏,失调电压相比之下很小,影响不大。再加上图1中间级设计有隔直电容,前级输出失调零偏电压不会影响后级,所以运放块不加调零也能良好工作。
对频带的要求:图1中A\(_{6}\)为大信号输出,对频带要求最高,至少应具有20千赫的全功率带宽。运算放大器是直流放大器,它的频带低端是从放大直流信号开始,能满足扩音机要求,而高端带宽和闭环增益的选取、相位补偿方法以及外围元件参数的选择等都有关系。目前8FC4是国内频带最窄的一种集成运放块,开环带宽约为6赫,但是图1中由于A6负反馈量较大,闭环增益选得较低,这就降低了对运放块带宽的要求。在轻补偿情况下,实测其全功率带宽可达70千赫。
扩音机的输入级还要求噪声小,对共模干扰信号有抑制能力。为了减少噪声,图1中的输入电阻R\(_{2}\)阻值取得较小,此时运放块输入噪声电压有十几微伏,而扩音机的输入信号电平在十毫伏以上,信噪比足够大。另外,运放块的共模抑制比一般大60分贝,对共模干扰信号抑制能力很强,用做输入级是非常理想的。
次品运放块指标太低怎么办?
用正品集成运放块装机,一般不需要调试。但如果运放块属于次品,则安装完后需分级调试,有时要略为更动原线路或元件数值来适应业余品运放块的特点。集成运放块,成为次品,原因很多,常见的有失调太大、输出幅度不够、增益太低、功耗太大等。实际上主要关心前两项参数的影响。
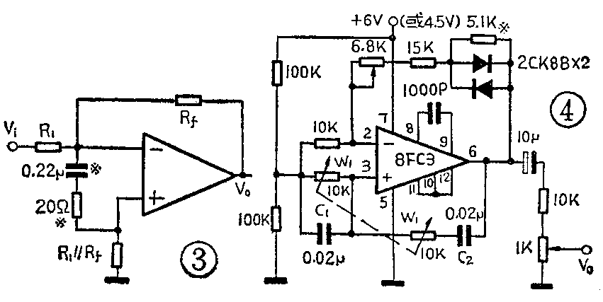
调试时可从输入级开始逐级进行,其余各级调试步骤类同。首先,在不加信号条件下,测试运放块输出端有无自激振荡电压(可用万用表交流电压档测量),如果有自激电压,则需照该运放块生产厂给出的补偿办法加消振元件。通常自激越强,应减小补偿电阻值、加大补偿电容值,直到完全消除自激为止。第二步仍是不加信号,检查运放块输出端零偏电压有多大,是否有漂移(可用万用表直流电压档测量),要求A\(_{1}\)5零偏电压均不大于0.5伏,A\(_{6}\)不大于0.3伏,否则需加调零措施。方法是:先简便地改变运放块两输入端的直流偏置电阻,反常地使其两条通路的电阻不等,比如对于A1可增大R\(_{2}\),或同时增大R3和R\(_{1}\)但保持R3/R\(_{1}\)比值不变;对于A2\(_{5}\)可断开4、8腿之间的连线,接入20千欧左右的电阻;对于A6可调节R\(_{21}\),使在移动W2~W\(_{4}\)活动触点时,输出零偏电压最小。如果仍达不到要求,则要加设生产厂介绍的调零装置,或者采用通用调零电路。图1中A1为同相式放大,可采用图2a线路调零;图1中A\(_{6}\)为反相式放大,可采用图2b方法调零。为了节省一个电位器,根据具体零偏电压的极性,可选择适当的R\(^{*}\)值,将其接电位器的一端直接接V+或V\(_{-}\)。有的扩音机末级运放的反馈端取自功率放大级的中点,这种大反馈线路的优点是非线性失真小,但对运放块要求较高,不便于调试,而且容易因失调、温漂而烧坏功放级晶体管。为了克服此缺点,可采用图1小反馈(即从A6输出端经R\(_{22}\)反馈到A6输入负端)方式。第三步是加信号检查各级的输出幅度和最后一级运放的频带。要求A\(_{1}\)5的不失真输出电压达到2伏,A\(_{6}\)输出不失真电压应大于5伏。前级A1\(_{5}\)一般容易满足要求,可不需检查,重点是检查A6。检查方法是在A\(_{6}\)输出端A点与地点之间接入一个串接有2千欧固定电阻的电位器,调节电位器,使A6输出电压能恒定保持在5伏以上即可。如果输出幅度不够,则需更换A\(_{6}\),或者后级挑选β值较大的晶体管,以弥补A6的不足。频带检查方法是:输入20千赫的高音信号,观察A\(_{6}\)的输出幅度是否下降。如果下降了,表明A6大信号带宽不够,解决办法是在不产生自激的条件下尽量减轻补偿(即减小C\(_{26}\)数值)。如果仍不满足要求,可试用一个简单有效的大信号带宽扩展法,即尽量减小原来的补偿电容值,甚至全部去掉,同时在两输入端之间如图3所示串接一个电阻和电容。为了调试方便,可以如图4所示自己制作一个简易信号源。这是一个由电池供电的文氏电桥正弦波发生器,8FC3接成同相放大器,W1、C\(_{1}\)、C2为反馈网络,调整双联电位器W\(_{1}\),则可得到频率连续可调的正弦波信号,信号从V0处取出。


有哪些运放块可供选择?
从扩音机对运放块性能指标的要求而言,几乎所有的集成运放块都能在扩音机中相互代用。当然,由于各种运放块的功能、管脚数目、管脚排列等有差别,使用时是不能直接相互代用的,有的需要把管脚扭插到印刷板上去,有的需改变补偿条件。为了便于读者灵活选用,下面将我国集成运放块品种的发展概况简单介绍一下。
目前我国集成运放块按部标分两大类:一类称通用型运放块,这类运放块又分为Ⅰ型、Ⅱ型、Ⅲ型三种。Ⅰ型为低增益型(几千倍)运放,部标型号有F001;Ⅱ型为中增益运放(增益为几万倍),型号有F003、F004;Ⅲ型为高增益运放(十万倍以上),型号排列在F006~F009。其中Ⅰ型使用+12伏、-6伏电源电压,不便于与其它运放块相互代用。但有的运放块如F006和F007虽然型号不同,内部线路却相同。其差别仅在于F006有10个管脚,补偿电容需外加,F007只有8个管脚,将补偿电容已放在运放块内部了,代用时只要将各管脚一一对应接正确就行了;另一类称特殊运放块,这类运放块的特点是一个参数指标特别高,而其它指标则和某种通用型运放块相当。目前国内生产稍多的特殊运放块和部标型号有:低功耗型,型号排列从F010~F029;低温漂型,型号有F030~F049;高速型,型号有F050~F069。
凡是按部标型号命名的运放块,最大优点是不论什么品种,尽管其补偿端和调零端因品种不同而异,但是其输出、输入及电源端的管脚号和排列顺序是符合规定的。其顶视图及管脚排列规律见图5。

另一个值得注意的问题是,各厂早期定型生产的产品比较乱,如8FC3和FC52,尽管叫法不一样,管脚功能也不同,但内部线路是相同的,使用时可互相代用,但必须注意管脚的接法;又如8FC2I和8FC2,内部线路一样,名称也相似,但8FC2I管脚的1号位置和部标规定一致,而8FC2的1号管脚位置则应从键标算起。因此读者如果遇到厂标型号的运放块,使用时应参考该厂产品说明书。为了读者选择方便,表1中列出了国内几个主要厂家生产的性能相近的产品型号对照表,可供代用时参考。

为了便于读者识别某集成运放块是哪一个厂家生产的,表1中已列举了一些厂家运放块的代号,下面继续将其它生产厂运放块的代号列举如下:
锦州华光电子管的代号为7XC\(_{x}\);长沙韶光电工厂的代号为SGxx;成都4431厂的代号为XFC\(_{xxx}\),扬州晶体管厂的代号为YZxx;襄樊仪表元件厂的代号为FG\(_{xxx}\);青岛半导体所的代号为GZJxx;南开大学半导体厂的代号为NG\(_{xx}\);西安延河无线电厂的代号为XFCx;科技大学半导体厂的代号为KD\(_{xxx}\)。(曾新民)