10.经检查,扩音机功放部分仅有半边在工作,放音时失真很大,如何处理?
答:先用眼睛直观检查一下大功率管发射极的两个1欧电阻有无虚焊或烧断现象。如果没有虚焊,可用万用表测试一下晶体管BG\(_{6}\)、BG7的好坏(具体方法见上期),哪个管子坏了就会引起那一边不工作。如果上述两只管子没有坏,可再通电并加入信号,同时观察电源正负电流的变化情况,哪一边电流没有变化,就是那一边的大功率管烧断了,应更换功率管。
11.扩音机通电并加入信号后,喇叭中无声如何检查?
答:可首先检查一下晶体管BG\(_{6}\)的好坏。如果BG6没有坏,可给扩音机通电,用万用表直流电压50伏档测试一下场效应管的工作电压是否正常(D极对地电压应为7~15V,S极对地电压应为0.5~1.5V),如果测量时发现D极电压高达20伏左右,而S极无电压,或者是D、S极电压相等,那就是场效应管坏了。应更换上新场效应管。
12.扩音机通电并输入信号后,喇叭中声音小如何检查?
答:一般来说,出现这种故障是由于BG\(_{1}\)、BG2质量不好所引起。可用万用表直流电压档测试BG\(_{1}\)发射极的对地电压是否正常(在正常情况下,发射极电压应为3~4伏)。如果电压正常,可继续测试BG2场效应管(3DJ)的工作电压是否正常(请见第12条)。更换不合格的管子即可。
13.扩音机噪声大如何检修?
答:先将音量电位器关到最小,噪音如果消失,那就是BG\(_{1}\)质量不好引起的噪声。音量关到最小后如果噪音仍然很大,可将电容C10断开,噪音如果消失,则是场效应管质量不好。断开C\(_{1}\)0后,噪音仍不消失,那就是后级有问题。可用万用表电阻档测量一下后级有关的几个电容,看看是否由于电容漏电引起噪声。有时BG3、BG\(_{4}\)不合格也会引起噪声。可用一只25微法电解电容,并接在BG3基极与地之间,噪音如果消失,则是BG\(_{3}\)、BG4不合格,应该更换。
14.扩音机通电后,喇叭中出现低频振荡声,应如何消除?
答:扩音机通电,先不输入信号,将音量电位器关到最小。如果低频振荡消失,则一般是由于电源内阻太大所引起。如果电源变压器符合要求,则应加大电源滤波电容器的容量,改善滤波性能。可同时在两只电源滤波电容器(2000μ/25V)上分别再各并联一只47μ/25V滤波电容,振荡一般就可消失。
15.扩音机刚一通电,输出端保险丝马上烧断,是什么原因?
答:可能是输出端(喇叭处)有短路现象,或者是扩音机输出端零点电位偏移太大、电路存在振荡现象所引起。可分别进行检查排除故障即可。
16.扩音机在输入信号较小时,喇叭中的声音失真,是什么原因?如何解决?
答:这是由于扩音机末级静态电流过小引起小信号失真。一般说来,静态电流不应小于10毫安,否则应调整R\(_{22}\),使静态电流升至10~20毫安。
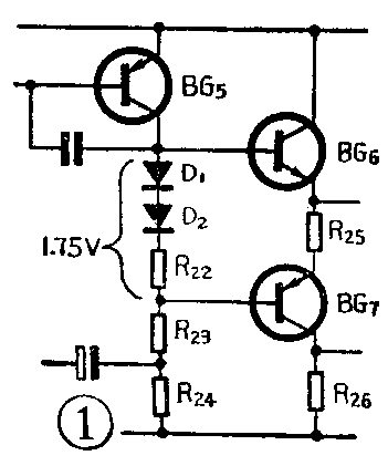
17.扩音机在工作中,晶体管BG\(_{6}\)、BG7均发热是什么原因?如何解决?
答:BG\(_{6}\)、BG7两管基极之间的电压,也就等于D\(_{1}\)、D2与R\(_{22}\)串联电路两端的电压(见图1),一般应为1.75伏。如果该电压过高,则会引起BG6、BG\(_{7}\)发热。可把R22阻值适当减小,使电压下降到1.75伏,两管温度即可正常。但R\(_{22}\)不能太小,否则会引起小信号失真。BG6、BG\(_{7}\)两基极间电压以1.65~1.75伏为宜。

18.扩音机刚通电后,功放级两只1欧线绕电阻冒烟、烧红,是什么原因?
答:造成这种情况有以下几个原因:①印刷电路板有短路故障。仔细检查后排除故障即可;②扩音机正、负电源电流相差太大、不平衡。可用万用表检查输出端零点电位是否正常,如果偏离太大则会使正、负电流失去平衡,致使1欧电阻发红、冒烟。可调节R\(_{17}\)使输出静态电位回到零点;③电源变压器次级中点没有和放大器的地线联接好;④如果是放音一段时间以后1欧电阻才发红,则多数是由于喇叭的阻抗过低、阻抗不匹配造成的。本机喇叭的阻抗应为8~16欧。
19.我有一个OCL电源变压器,次级绕组交流电压为19+19伏,经桥式整流和滤波后,输出端可获得±27伏直流电压。是否可以在JMK—1型扩音板上使用?能否想办法将直流电压降至要求的±24伏?
答:如果电源变压器次级交流电压为19+19伏,整流后电压则可达±27伏,但应注意,这是在无信号输入(空载)情况下测量的数值。当有信号输入时,由于电源有一定的内阻,电源直流输出电压就会随着输入信号的加大而下降。一般要下降3~6伏,具体下降多少还要视电源变压器容量而定。这样以来,实际工作时直流电压就会小于±24伏。另外,在生产扩音板时,末级各管的最大允许电压值都已经过挑选,一般耐压均大于30伏,所以电压略高对扩音板无严重影响,短时间使用是可以的。应注意的是电源滤波电容器的耐压值应选高一点。一般说来,直流输出电压以不超过±24伏为好。
如果直流输出电压高,而扩音机又经常使用在小功率情况下,则可如图2所示采用电阻分流的办法将电压降低。由于电源变压器、整流器及滤波电容的容量有区别,所以图中的R值取多大要通过试验决定。可用万用表直流电压档分别测量A、B两点对地的电压,改变R值,使电压绝对值等于或低于24伏即可。采用这种办法的缺点是电阻R上要消耗一定功率,白白浪费电能。另外,如果电源变压器容量较大,次级线圈线径又较粗,则在空载和满载时直流输出电压变化不大,这时上述方法就不起作用了。解决办法是重绕合格的电源变压器。

20.在自行绕制电源变压器时,次级线圈采用单线绕制法可以吗?
答:自制电源变压器时,次级线圈最好采用双线并绕,这样可以保证次级两组线圈电压相等、内阻相等。否则由于在大功率工作时电流较大,则会使两组电压值相差较大,扩音机失真就会加大。
如果没有条件进行双线并绕,可采用较粗的导线,次级只绕一组,不采用中心抽头,但应能获得36伏交流电压(见图3)。此时滤波电容容量也要适当加大。图中R\(_{1}\)、R2一般取240欧~300欧,功率取4瓦。

21.文章中讲各电位器的引线应采用屏蔽线,我买不到,能否用别的线代替?有什么影响?
答:因为各个电位器均设置在前置级,如果不用屏蔽线,外来干扰信号容易通过电位器引线串入电路,使扩音机交流声或噪音加大。如果买不到屏蔽线,可以自己动手制作。方法是:采用纸介电容或电解电容器内的铝箔,包在普通塑料线外皮上,用棉线捆紧(如图4)。在屏蔽外皮一端,用镀银丝或者没有绝缘层的导线绕上几圈,做为接地端。再找一段粗绝缘套管套在外面,以防止铝箔和其它地方相碰。这样屏蔽线就做好了。

22.大功率管的散热片是否可以加大或减小?对管子有无影响?
答:大功率管的散热器面积,是根据所需要的散热量,经过严格计算而确定的。因此,使用时散热器面积不能随便减小,否则由于散热量不够,大功率管则会因过热而损坏。
散热器面积加大是可以的,这样还有利于散热。因为大功率管的集电极与散热片直接相连,所以两个散热器不能相碰,否则会造成短路。
23.我想自己绕制一个OCL电源变压器,与JMK—1型扩音板配套。但在绕制次级两组线圈时,我手头仅有φ0.31毫米漆包线,是否可以用?
答:JMK—1型扩音板要求电源变压器次级线径应大于0.62毫米。如果用φ0.31毫米漆包线绕制次级线圈,虽然空载直流电压也能达到±24伏,但由于线径细,直流电阻大,所以当扩音机有信号输入时,电源输出电流增大,在电源内阻上的压降增大,于是电源输出直流电压下降。负载越重,直流电压下降越多,于是引起扩音机输出功率大幅度下降,非线性失真增大,音质变坏。另外电源内阻大,还会使电路工作不稳定,零点飘移加大,并容易引起自激等故障。所以不能用φ0.31毫米漆包线绕制。如果想用φ0.31线绕制,应采用双段线并绕,用二条较细的线代替一条较粗的线,也可以勉强使用。
24.在自行制作电源部分时,能否用2CP9作为整流管?如果2000微法电解电容器买不到,可否用500微法/50伏电解电容器代替?
答:本机使用的整流管,要求最大工作电流应大于500毫安,2CP9的额定工作电流很小,不能使用。否则在大功率输出时,因流过电流太大,容易烧坏整流管。最麻烦的是,如果是单只整流管烧坏,则正负电源只有一路正常工作,电源严重不平衡,将容易导致电路中其它元件特别是主放大器中的晶体管损坏。
滤波电容器容量如果太小,喇叭中将会产生较大的交流声。一般电解电容器容量应大于2000微法。如果用500微法/50伏电解电容器代替,则应该用四只500微法电容器并联后代替一只2000微法电容器使用。
25.如果用收音机作信号源,怎样与扩音机输入端连接?当收音机中的晶体管是硅管或锗管时,如何与扩音板配接?
答:当以收、录音机输出插孔(或耳机插孔)为信号源时,本扩音板输入阻抗约为50千欧,同时用隔直流电容器C\(_{1}\)将输入信号耦合至第一级晶体管的基极。这和收音机输出的形式是没有关系的。连接线应采用屏蔽线,如果屏蔽线是单心,屏蔽线外皮可一端接收音机地线,另一端接扩音机地线;屏蔽线心线一端接扩音机输入端,一端接到收音机音量电位器中心抽头,这种方法对硅管或锗管收音机都适用。
读者关心的可能是扩音机与收音机合用一个电源时的供电连接方法。如果扩音机与收音机电源独立供电,两者没有牵连,很容易配接;如果两者共同用一组电源,也很好处理,可这样来处理:因为收音机消耗电流较小,所以不管是硅管还是锗管收音机,其直流电源都可以分别从扩音机的正、负电源上直接降压获得。如果是硅管机,可从+24伏电源上通过电阻降压、电容去耦后获得(见图5a);如果是锗管收音机,则可如图4b所示,用扩音机-24伏电源,通过电阻降压、电容去耦后获得。

图5中电阻R的大小要通过实验确定。改变R值,使A、B端之间的直流电压基本满足收音机要求即可(R值开始时可适当选大些)。可用如下办法先估算一下R值:例如收音机要求电源电压为6伏,工作时耗电约30毫安,则R=(24-6)/0.03=600欧,电阻标称功率可取1瓦以上;C\(_{1}\)是退耦电容,要求耐压大于25伏,容量大于50微法;C2是高频退耦电容,一般选0.01~0.1微法。收音机的信号最好取自检波级输出端,此时应将收音机功放电路脱开(断开有关电源)。(张开善 王衍意 侯保芳)