晶体管收音机变频部分(附图)常见的故障是灵敏度下降、停振及啸叫等现象。下面从几个主要元件入手谈谈变频级的主要故障。

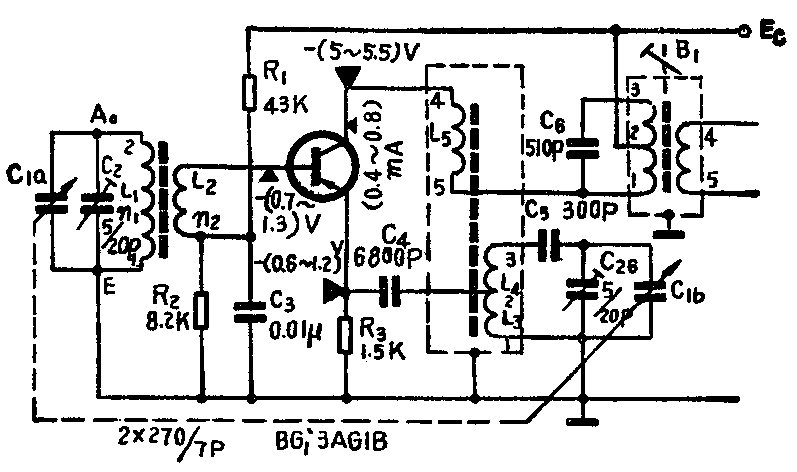
BG\(_{1}\)除作变频用之外还作本机振荡器用,L3、L\(_{4}\)、L5是振荡线圈。振荡线圈常出现的毛病是匝间短路,内部断路或受潮Q值下降。1、2、3引线端断路会造成停振,收音机无声,但不影响直流工作状态,集电极静态偏置电流正常不变。4、5两点开路时集电极—发射极电压为零,集电极电流也为零,收音机无声。收音机长时间在潮湿环境中使用或浸过水,会造成振荡线圈Q值降低,使得收音机灵敏度降低,声小台少。手摸磁棒时声音变大,手一离开声又变小,这是振荡减弱的现象。受潮严重的线圈会出现导线发霉,造成匝间短路。短路的圈数不多时会出现振荡减弱,台少声小,短路的圈数多时就会停振无声。此时用万用表直流电压档量R\(_{3}\)两端电压,电压值在-(0.6~1.2)V范围内,但是用手触振荡线圈3点时此电压无变化。振荡正常时用手摸振荡线圈3点VR3电压值应稍有下降,手离开3点电压恢复。振荡槽路中的电容C\(_{5}\)虚焊或容量减小会使度盘低端无台;C5开路导致停振。耦合电容C\(_{4}\)容量减小会导致全波段灵敏度下降,C4容量变大会产生啸叫或谐波差拍声。一般C\(_{4}\)不能小于3300pF否则整个波段灵敏度不均匀。C2b常见故障有以下几种:1.由于潮湿、灰尘等原因造成漏电,这会破坏跟踪,使高端灵敏度下降或高端电台位置不对,台少声小。2.C\(_{2b}\)开路会使度盘高端电台移出去,灵敏度也受影响。3.电路走线拥挤、脏污有时C2b会短路,这种故障常导致本地振荡停振。用万用表R×1K档测量C\(_{2b}\)两端,小于2MΩ的最好不使用。C3是滤波电容,C\(_{3}\)失效会使灵敏度降低20dB以上,表现为台少声小,但集电极静态电流无异常变化。输入回路包括L1、L\(_{2}\)、C2、C\(_{1a}\)磁棒等几个元件,常见故障有磁棒碰断,由于L1的电感量变化会引起台少、声小现象,此时用手接近磁棒时声音变大,手离开声又变小。L\(_{1}\)的1或2处有断股引起高端台少、啸叫、短波段电台混入。L1在磁棒上的位置对灵敏度影响很大,L\(_{1}\)移动会影响低端灵敏度。L1受潮多是引起选择性变坏,高端台少。
双连电容的毛病是较多的,常见的有以下几种:1.双连旋到某一角度时有“喀、喀”杂声,用万用表R×1档测量动片与定片之间阻值近似为零。这是碰片造成的,必须更换新双连。2.旋动双连时电台无变化,有时伴有短波电台混入,细看时发现动片不跟着轴转动,这是轴端紧固螺母松动造成的。一般也要更换新的。3.有些机器使用空气介质双连电容,这种电容使用日久常会因为灰尘过多加上潮湿的原因而漏电,使回路品质因数下降,引起选择性变差或停振。一般动、定片之间绝缘电阻应不低于5MΩ。4.小型密封双连动片引出线焊片压在双连轴上,经常转动会把灰尘压实造成接触不良,产生杂音,这种故障可以修理好,也可更换新的。5.小型密封双连的内部挡片被磨平使得动片旋转360°,对于无拉线的调谐机构,只要双连无其他故障,对接收电台无多大影响,而对于有拉线的调谐机构会造成拉线频繁脱落的后果。
补偿电容C\(_{2}\)短路一般是由于电路板走线过密和电路板脏污造成的,这种故障现象是灵敏度很低或无台。该电容开路、虚焊会使高端台少声小。(高永)