大家都知道,地面上的物体由低处移向高处时就要克服重力对物体作功,使物体具备一定的位能,物体的位置越高,位能也就越大。所谓位能的大小是相对于地面来说的,也就是把地面作为基准点(参考点)来比较。
在电场中,某点的电位就是把单位正电荷从基准点移动至该点克服电场力所要作的功,也就是该点具有一定的电位能。这个功的大小与移动的路径无关,所以电场中各点的电位数值是一定的。电位常用字母V来表示(也有用U表示的),它的单位是伏特,代号V。某点的电位是1伏特就是说1库仑的正电荷从基准点移动至该点要作1焦耳的功;也就是该点相对基准点具有能使1库仑的正电行移动作1焦耳功的能力。电位的数值象高度一样与基准点的选择有关,在实用电路中常选用大地或较大的导体作为基准点,基准点的电位为0。
因为规定正电荷的移动方向(电子流的反方向)为电流的方向,所以高电位与低电位间有电的通路时就能流动电流,高低电位间好象对电荷存在着“压力”,故把电位差通称为电压。
电位的高低是指某点和基准点相比较而说的;电压的大小则是指电路中任意两点间的电位差。
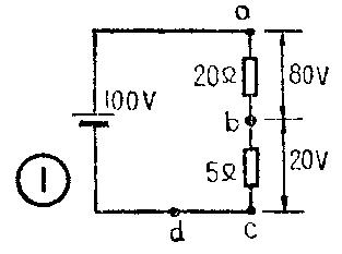
如图1所示,一个100V的直流电源对20Ω和5Ω的串联电阻供电,我们用电压表可以测出ab两点间的电压V\(_{ab}\)为80V,bc两点间的电压Vbc为20V,cd两点间的电压为0V,其中ad两点间的电压正是ab间、be间、cd间电压的总和,即V\(_{ad}\)=Vab+V\(_{bc}\)+Vcd=80V+20V+OV=100V。

如果要谈图1电路中的电位,那首先就要选基准点,当选d点为基准点时,a点的电位V\(_{a}\)为+10OV,b点的电位Vb为+20V, c点的电位V\(_{c}\)为OV我们称c点和d点是等电位;当选a点为基准点时,d点的电位Vd就是-100V,b点的电位V\(_{b}\)就是-80V。


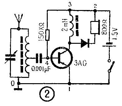
图2是单管收音机电路,我们把0点为基准点,标号如图3所示,那么l点的电位V\(_{1}\)为0V,2点的电位V2为-1.5V,3点的电位V\(_{3}\)也是-1.5V,4点的电位V4是-0.3V左右。(耿文学)