最早出现的集成电路是一块数字集成电路,由于数字集成电路与电子计算机的发展紧密相关,因而发展很快,目前已是集成电路中产量最高、集成度最大的一种了,其应用亦不仅限于计算机而已扩展到自动控制系统、数字通信系统及电子测量仪表等电子设备中。
数字集成电路怎样分类?
数字集成电路可以有几种分类方法:(1)按集成度大小来分类,可分成小规模(SSI)、中规模 (MSI)、大规模(LSI)和超大规模(V-LSI)等四种。(2)按功能分类,可分成基本逻辑电路(与门、或门、非门等)、触发器(RS触发器、D触发器、JK触发器等)、功能部件(半加器、全加器、译码器、计数器等)、存贮器及微处理器等。(3)按组成电路的晶体管类型分类,可分成单极型集成电路和双极型集成电路。单极型集成电路根据沟道材料的不同又可分为P型沟道MOS电路(PMOS)、N型沟道MOS电路(NMOS)及互补型MOS电路(CMOS)。双极型集成电路根据电路结构不同又可分为电阻一晶体管(RTL)电路、二极管一晶体管(DTL)电路、高抗干扰(HTL)电路、晶体管一晶体管(TTL)电路及发射极耦合(ECL)电路等多种逻辑电路。
上述各种数字集成电路中,基本逻辑电路是组成其它电路的基本单元,用它们可以组成各种触发器和各种逻辑部件,因而弄懂基本逻辑电路是打开数字集成电路大门的钥匙。
什么是门电路?
房屋的“门”只有开或关两个动作,开即通、关则止。在数字电路中,最基本的电路也像“门”一样只有开关动作,它们可按人们的需要,在控制系统中执行开关任务,使信号通过或阻止信号通过,这种电路被形象地称为门电路。
门电路是最基本的逻辑电路,其基本形式有三种:“与”门、“或”门和“非”门。在“开关二极管”一文(81年第8期)中已介绍过由二极管组成的与门、或门的工作原理。图1a就是一个有三个输入端的二极管与门电路,三个输入端中只要有一个是低电平(OV),门都是关着的,其余两个输入端即使是高电平(+4V)也通不过去。只有当三个输入端均为高电平时,门才被打开,输出端P为高电平(若忽略二极管正向压降,V\(_{P}\)≌4V),相当于让输入端信号通了过去。为计算和表达上的方便,数字电路中的高、低电平分别用“1”和“0”表示,“1”和“0”仅是一种符号,表示电位高低、开关通断、信号有无等两种截然相反的工作状态,并不是具体的数。规定了符号,就可列出与门电路的逻辑表达式:P=A·B·C。式于说明输出端P的状态是三个输入端相乘的结果,只有当A=B=C=1时,才能使P=1为高电平,而任一输入端为0时,都将使P=0为低电平。这种逻辑表达式,易于记忆,亦可按一定法则进行运算。从表达式可以推论,不管与门的输入端有多少个,其输出都将符合这一“逻辑乘”的规律。

图1b是最简单的二极管或门电路,其输出、输入信号符合“逻辑加”(1+1=1,1+0=1,0+0=0)的规律,即P=A+B+C。表达式说明:只要三个输入端中有一个是高电平,输出端就是高电平;只有A=B=C=0时,才能使P=0(输出端为低电平)。
图1c是最简单的非门电路,它实际上就是一个接成共射形式的晶体管倒相放大器,它的输出信号和输入信号相位相反,即当输入为“1”、输出即为“0”;而输入为“0”、输出即为“1”。输出总是输入的否定,“非门”因此而得名。
上述二极管门电路线路简单、元件省,但当需要将很多“门”串接起来应用时,如图2,由于二极管正向压降的缘故,会使输出端电平严重偏离输入端,如图2中若采用硅二极管,正向压降约0.7V,当输入端为OV时,经三级与门,到输出端已变成3×0.7=2.1V,这就很易导致错误结果。另外,由于不可避免的布线电容、输入电容的影响(如图2中虚线所接电容),使信号波形每经一级都要发生畸变,组数越多、畸变越严重。

为克服上述缺点,可在与门、或门后面加一个非门,如图3。图3a中与门和非门串接构成与非门,与门的输出被非门倒相,或者说非门否定了与门的结果,使输出正好和与门相反,因而图3a可表示为P=A·B·C-,在相乘A·B·C上加一横道,就表示将结果A·B·C“非”一下,即取其反相。非门的符号如图3b;若在与门符号后面加一个小圆,就构成与非门符号,如图3c。

同样,在或门后串接非门,如图3d,构成或非门,其输出变成P=A+B+C-。或非门的符号亦是在或门符号后面加一个小圆,如图3e。
与非门、或非门同与门、或门相比,不仅是输出倒相,且对负载能力、开关速度及可靠性都有提高。
以上讲的逻辑表达式,以“1”表示高电平、“0”表示低电平,这种规定称为“正逻辑”,在此前提下,才将上述各电路定为与门、或门、与非门、或非门。有些应用中,还有另外一种完全相反的规定,即将“0”表示高电平、“l”表示低电平,这种规定叫做“负逻辑”。在实际应用中,若采用负逻辑时,应该要加以注明,没有加注明的一律按正逻辑处理。
常见的数字集成电路
1.RTL(电阻——晶体管逻辑)电路,由电阻、晶体管组成。图4为RTL或非门,不难看出,它是由几个非门并接而成的,多少个输入端,就要有多少个非门并接,其基本形式是直接从分立元件电路演变来的。这种电路的供电电压较低为3~3.6V,电路简单、元件少,又由于这种电路结构大家都较熟悉,使用时比较方便。但这种电路的负载能力、温度特性及抗干扰能力都较差,速度亦低。

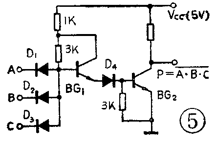
2.DTL(二极管——晶体管逻辑)电路,由二极管、晶体管组成,其基本结构如图3,改进型式如图5。图5和图3电路不同的是,在二极管组成的与门和BG\(_{2}\)接成的倒相器之间插入了一个跟随器BG1和电平转移二极管D\(_{4}\)。加跟随器可以提高负载能力,加电平转移二极管D4可以提高抗干扰能力。抗干扰能力的大小,是半导体集成电路的一个主要技术特性,因为在外界干扰或别的因素作用下,电路输入端不会是理想的高、低电平,当干扰电平较强而电路本身没有什么抗干扰措施时,往往会造成电路的误动作。接入D\(_{4}\),使电路输入电平提高到Vb1=V\(_{be1}\)+VD4+V\(_{be2}\)≌2.lV,即低于2.1V的干扰电平时电路不起作用;若去掉D4,输入电平就降到V\(_{b1}\)=Vbe1+Vbe2≌1.4V。由此可见D\(_{4}\)在这里起到了直流电平的转移作用,提高了抗干扰能力。DTL电路结构简单、功耗小、供电电压为5V,但工作速度低,仅适用于低速开关电路。
3.HTL(高抗干扰逻辑)电路,是在DTL电路的基础上发展起来的,工作速度低,但抗干扰能力强,常用于工业控制设备中,例如数控机床等。电路结构与图5DTL电路极相似,不同之处是将转移电平二极管D\(_{4}\)改换成稳压二极管DW如图6,若用6V稳压管,就使电路抗干扰能力提高了6V。电路供电电压较高,为15V。


4.TTL(晶体管——晶体管逻辑)电路,是一种性能优良的门电路,它的开关速度高、抗干扰能力和负载能力强。电路基本结构如图7,其特点是采用了多发射极晶体管,每一个发射极就是一个输入端,图7就是有三个输入端的TTI与非门电路。电路工作情况与DTL电路大致相同,其输入管BG\(_{1}\)的发射结相当于DTL电路中的输入二极管,而其集电结则起到了转移电平管D4的作用,电路中BG\(_{2}\)管是个反相器。用多发射极晶体管代替DTL电路中的二极管与门,使开关速度大为提高。目前实用的与非门电路在抗干扰性能和负载能力方面又作了不少改进,电路结构比图7所示要稍复杂些,如图8就是一种典型的TTL中速与非门电路。


为了提高TTL电路的工作速度,出现了肖特基——晶体管——晶体管逻辑电路,即STTL电路。近年来,在TTL电路和STTL电路的基础上又发展起来一种低功耗肖特基TTL电路,称LSTTL电路,这是一种低功耗的高速电路,它的外形封装、引线排列和TTL、STTL电路相同,供电电压也都是5V,输出高、低电平亦完全一样,三种电路有很多的互换性。
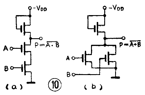
5.MOS集成电路,由MOS晶体管组成,其中PMOS电路结构最简单,它便于设计、制造、集成度大、成品率高、成本低,但开关速度较低。NMOS电路制造工艺比PMOS复杂些,但开关速度稍高。由于PMOS电路的制作工艺最简单,目前用得较多,所以我们一般所说的MOS电路常常指的就是PMOS电路。
MOS集成电路的基本组成部分是反相器,如图9a为PMOS管反相器,实际上是个共源接法的倒相放大器,输出(V\(_{o}\))与输入(Vi)反相。由于在硅片上只制作场效应管一种器件比既有场效应管又有电阻要简单得多,故将一个MOS管的漏一栅(D-G)相连,起一个电阻的作用,如图9b中的BG\(_{2}\),它作为驱动管BG1的负载。图10a中将两个PMOS管反相器串接,构成负与非门,图10b中将两个PMOS管反相器并接,构成负或非门,可以看到它的结构比TTL电路要简单些。



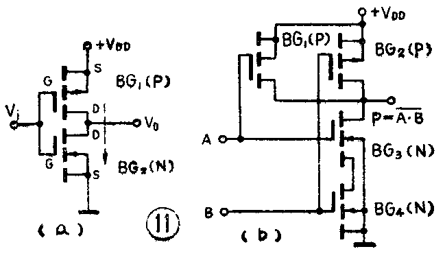
6.CMOS电路,由P型沟道和N型构道MOS管互补组合而成,图11a是CMOS反相器,由增强型PMOS管BG1和增强型NMOS管BG\(_{2}\)串联构成,两者栅极并接为输入端,漏极接在一起为输出端。图11b力CMOS双输入端与非门,由两个PMOS管BG1、BG\(_{2}\) 并联和两个NMOS管BG3、BG\(_{4}\)串联而成。由于CMOS电路抗干扰能力强、电源电压允许变化范围宽(3~18V)、功耗低、工作速度介于PMOS和TTL之间,所以在数字仪表、数字通信、微型计算机等方面得到了广泛的应用。(金国钧 编译)