在国外杂志上,常看到用555时基单片集成电路组成的装置。555时基集成电路是TTL逻辑电路与运算放大器的混合集成器件,它可以做成高稳定度的时间延迟或振荡电路,具有多种用途与功能。用它构成的电路外接元件少,业余爱好者也很容易掌握。
555电路的基本工作原理和上海元件五厂生产的5G1555一样,请参看本刊1980年12期的介绍,本文主要介绍555电路的多种用途。
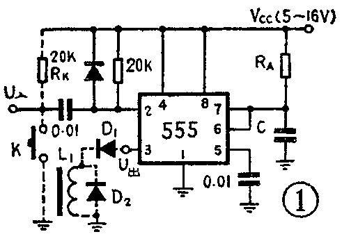
1.单稳电路用555和少量几个元件就能组成单稳电路如图1。先不考虑图中虚线部分,从输入端U\(_{入}\)送入负触发脉冲,则从输出端U出可得到宽度t=1.1RC的方波讯号(图2)。R通常可用1KΩ至10MΩ之间的电阻,C可选用5000P至1000μF之间的电容,因而可以很容易地得到微秒至15分钟之间宽度的方波讯号。t与RC的关系如图3所示。单稳电路实际上也是一个延时电路,图1中加上虚线框内部分就构成一个延时开关,其最大延时可达15分钟,可用于自动印相定时曝光等装置中。图中L\(_{1}\)为继电器的线圈。



2.多谐振荡器电路连接方法如图4所示,图5为其输出波形,其中t\(_{1}\)≌0.693(RA+R\(_{B}\))Ct2≌O.693R\(_{B}\)C,T=t1+t\(_{2}\)≌0.693(RA+2R\(_{B}\))C。若需要的占空因子D=t1T<40%时,可以按图中虚线所示在R\(_{B}\)的两端并联一只二极管。并联二极管后t1≌0.693R\(_{A}\)C,t2≌0.693R\(_{B}\)C,T=t1+t\(_{2}\)≌0.693(RA+R\(_{B}\))C。这种多谐振荡器可以用作时钟脉冲发生器等。


3.开机延迟电路一些设备中往往需要有两组不同开启时间的电源,例如大功率电子管及X光管的阳极电源等,必须在灯丝预热一段时间后才能接通,这就需要用开机延迟电路。图6\(_{a}\)为由低电位跳变到高电位的延迟电路,就是说,启动开关按下后,输出端U出为低电位,经过一段延迟时间t\(_{d}\)后输出端跳变到高电位并一直保持下去,直到关机为止。U出高电位输出作为高压驱动级的工作电压。图6b为由高电位跳变到低电位的延迟电路,就是说,启动开关按下后输出端为高电位,经过一段延迟时间t\(_{d}\)后,输出端跳变到低电位并一直保持为低电位。延迟时间td=1.1RC。

4.触摸开关图7可以用作无机械动点的触摸手动开关和电器设备的安全开关装置。正常时输出端为低电位,当人站在接地金属板上,用手碰到触摸金属板时,输出端马上跳变到高电位。人手离开触摸板后,经过一段时间t=1.1RC(图7中t约为0.07秒),输出端恢复低电位。

555输出的高电位和使用的电源电压有关。555的电源电压可在+5V至+18V很广的范围内使用,当电源电压分别为5V、10V、15V时,相应的输出高电位为4.4V、8V、12V,输出低电位均为OV。
输出电流按说明书为200mA,我们曾直接驱动JOx-1O型(12V)小型通用继电器(上无八厂产品),其绕组工作电流为120mA,可以连续使用。
5.国外还有一种XR2240程序时基集成电路,它是在555时基电路的基础上再加入一个8位二进制计算器构成的,其方框原理图如图8。可以用国产5G1555外加一个合适的8位二进制计数器组成。它可以组成更长时间的延迟,并可方便地改变延时时间,下面介绍两种应用电路。

图9a为定时启闭延时电路,图中时基T=RC=1分40秒。合上8T、16T两个开关,得到延时8T+16T=24T后导通8T的延时电路,即延迟4O分钟后导通13分20秒的延时电路,其波形如图9b。这种电路最长的延时可达255T。可用于收音机、电风扇及自动蒸饭电炉等家用电器的定时开关以及工业生产中程序升温等方面。图10a为循环延时电路,电路根据设定的时间自动复位,复位信号同时通过10KΩ电阻送到触发端重新触发。当闭合T和4T两个开关后得到停止5T导通T的循环电路,其波形如图10b所示。如果T=RC=1分钟,则得到停止5分钟导通1分钟的循环电路。可用在洗衣机及工业循迴检测设备中。


555时基电路还可以做成压控振荡器、脉冲丢失指示器、液面高度控制器、汽车速度计等等。由于它的功能较多,电路结构简单,使用是很方便的。(黄建国 郭建中)