本文介绍一种由LE480高阻抗复合管作为阻抗变换器的等响度集成电路OCL扩音机。其特点是线路结构简单、容易装配、等响度效果明显、音质好,很适合家庭欣赏音乐之用。
此机使用±15伏电源时,在8欧负载上可获得6瓦不失真功率。频响为20赫~20千赫。由于采用了工作电流范围宽的LE480高阻抗复合管及OCL电路,当电网电压在220伏±25%范围内波动时也能满意地收听。
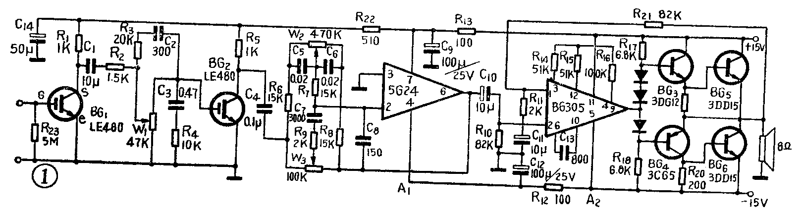
线路原理简介
整机电原理图见图1,全机由如下三个主要部分组成:

1.高阻抗复合管等响度控制电路:这部分电路由图1中的BG\(_{1}\) BG2两个LE480高阻抗复合管(有关LE480高阻抗复合管的介绍请详见本刊今年第3期)源极跟随器及两个RC网络组成。R\(_{1}\)和R5是BG\(_{1}\)和BG2的负载电阻。高音网络由R\(_{2}\)、R3、C\(_{2}\)及W1组成;低音网络由R\(_{2}\)、C3、R\(_{4}\)与W1组成。由于高阻抗复合管源极跟随器的阻抗变换系数很高,而且输入阻抗较集成运放大得多,而输出阻抗又比一般场效应管小得多,因此等响度效果很好。
由于输入阻抗极高,能很好地与晶体唱头匹配,况且不需要输入耦合电容,因而能获得良好的频率响应。信号源是收音机、录音机或晶体唱头电唱机时,都能直接与扩音机配接,不需另加频率均衡网络。另外,BG\(_{2}\)输出阻抗很低,仅50欧左右,可直接接入负反馈音调控制电路。
2.音调控制电路:本机采用负反馈式音调控制电路,信号从5G24(F007)集成运放块的反相输入端输入,具体原理以前讲过,本文从略。
3.功率放大电路:本级由图1中的集成运放块BG305及晶体管BG\(_{3}\)~BG6组成。为了提高该级的输入阻抗,信号从A\(_{2}\)的同相输入端输入,而负反馈由反相输入端引入。R21是负反馈电阻。为了使静态时中点电位为零伏,应使R\(_{1}\)0=R21。闭环增益由R\(_{21}\)/R11决定。减小R\(_{11}\)或增大R2l都可提高输出功率。但R\(_{11}\)不能取太小,否则容易产生交流声,一般取1千欧~2千欧。在不产生自激和失真的条件下,为了提高输出功率,可适当增大R21,一般取82千欧左右。
安装与调试
1.安装前,所有元件均应先测试一下。元件数值应大体符合电路要求。电容C\(_{1}\)、C4、C\(_{1}\)0、Cll的漏电要小。
2.在焊接LE48O高阻抗复合管时,应先用裸铜丝将管脚上部短路(即用裸铜丝将几个引出脚捆在一起)、然后将烙铁暂断一会电进行焊接,焊好后再将裸铜丝去掉。
3.所有焊点应保证无虚焊、漏焊。集成块和分立元件的管脚不能接错。检查无误后再通电调试。
4.本机只要安装无误,一般不需调试即可正常工作。为保险起见,可通电检查一遍。接通电源前先不接扬声器,在静态时测量BG\(_{3}\)~BG6的V\(_{be}\)应在0.65~0.7伏左右;A2输出端(第9脚)对地应在0~0.6伏;A\(_{1}\)输出端(第6脚)应为零伏。在上述各电位均符合要求情况下,测量功放输出级中点电位应为零伏。此时可接通扬声器。
检查BG\(_{1}\)和BG2两级,在静态无信号输入时测量S极对地电位V\(_{s}\),应接近电源电压(15伏)。然后用导线将栅极G对地短路。这时Vs应降低很多。输入信号以后V\(_{s}\)≈5~7伏,否则应怀疑是管子损坏。有时为了可靠起见,可在G和S极之间加接一个二极管(2AK或2CP均可),S端接二极管负极,G接二极管正极。经上述检查无误后,可输入信号试听。若增益不够,在不产生自激前提下,可适当增大R21阻值。
5.当低音提升太大时,有时会出现自激,这可能是由于C\(_{4}\)漏电太严重或容量过大所致。C4一般应在0.1微法~1微法之间选取。
6.音量电位器W\(_{1}\)阻值若太大或R2太小,均会出现音量调节不明显的毛病。W\(_{1}\)一般在47千欧~100千欧之间选取。若调节音量不明显,可适当增加R2阻值。
7.所有外引线应尽量短,或采用屏蔽线,外皮接地。所有电位器外壳也应接地。
最后敬告读者:①该扩音机机芯套件(包括图1中除喇叭以外的所有元件、印刷板一块、说明书一份)由济南市半导体元件试验所生产科销售组负责办理函购,每套18.5元(包括邮费、包装费在内);②由济南市半导体元件实验所青年服务站负责函购供应业余品LY480高阻抗复合管(Rgs<10\(^{7}\)Ω,K=0.7~0.9),每只0.50元。业余品3CG5,每只0.40元。业余品F007(5G24),每只l元。业余品BG305,每只0.70元。函购时请另暂付邮费、包装费1元,如有余额,将退回。(刘庚乾 赵修业 张书侠)