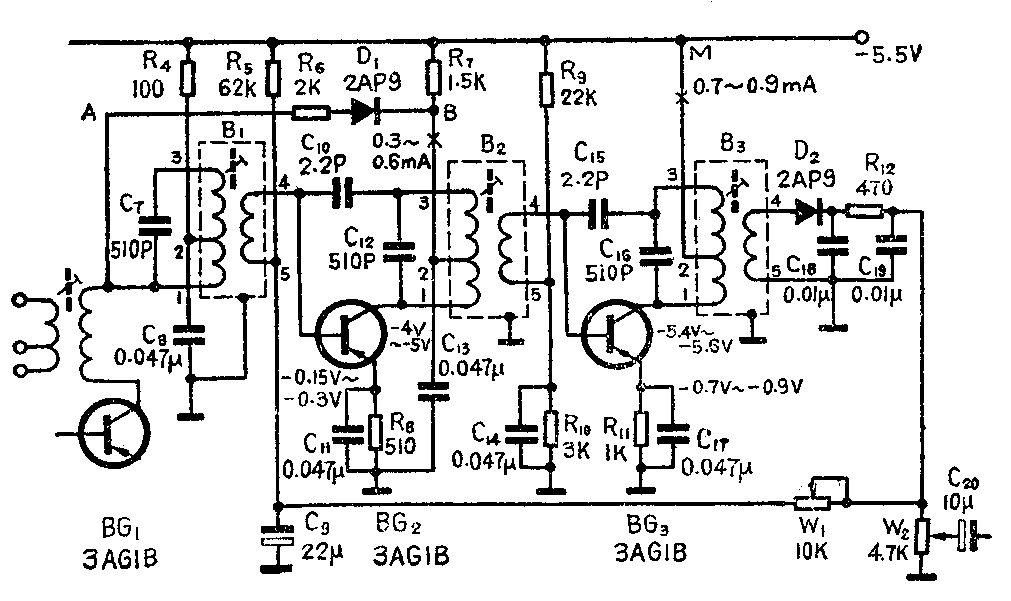
晶体管调幅收音机的检波部分元件虽少有时也会出现故障。检波二极管D\(_{2}\)、滤波电容Cl8或C\(_{19}\)有一个击穿短路都会导至收音机无声。将音量电位器W\(_{2}\)开到最大,用手触摸C18上端喇叭无任何反映,而摸C\(_{19}\)上端有感应声,说明是D2、C\(_{18}\)之一有短路。将电位器W2开到最大或最小,用手触摸W\(_{2}\)中心抽头喇叭无反映,而W2活动臂置于中间位置用手摸中心抽头有感应声,则说明是C\(_{19}\)短路。收音机收不到台,用手摸C18上端有感应声,可怀疑D\(_{2}\)开路、虚焊。更换检波二极管时注意D2的正向电阻应在100~300Ω范围内,大于350Ω时影响音量。D\(_{2}\)的反向电阻应大于100KΩ,否则影响灵敏度。C18、C\(_{19}\)虚焊或失效会引起啸叫,电台数不减少但声小失真,收听某一个台时会有另一个小声的电台同时出现,此时用手触摸W2中心头时会有啸叫声。R\(_{12}\)短路时会引起大信号失真,R12虚焊、开路、失效会导至声小以至无声。
中频放大器是整机的重要组成部分,中放出了故障会严重影响整机灵敏度(即电台数明显减少)。附图已标出中放管各极正常工作电压、电流值。由于发射极电流近似等于集电极电流,只要测出发射极电阻R\(_{8}\)、Rll上的电压,根据欧姆定律I=U/R可以推算出集电极电流值。更换中放管时要注意,β值大的管于偏流要调小些,β值小的管子偏流要调大些。

遇到灵敏度低(即收到的电台数少)的收音机应重点检查中频放大器。中放常见故障一般有以下几种:①中频变压器(中周)的磁帽调不动时不可用力拧,以防磁帽破裂、错位,使槽路失谐引起灵敏度下降。②中周受潮后Q值下降,也会引起灵敏度降低,可在40~60℃的温度下驱出潮气,中放级会自动恢复正常工作。③中周B\(_{1}\)的引线“3”开路(如断线,虚焊)整个波段只有一两个强台出现,声小且伴有高频啸叫,度盘的其他部分只有“沙——”声;引线“1”或“2”开路会使变频管BG1的集电极电流为零,引线“4”与“5”断线会使BG\(_{2}\)基极得不到偏置电压、造成BG2不工作。加测得BG\(_{1}\)或BG2的集电极电流为零应怀疑上述故障。④中周B\(_{2}\)3的引线“3”开路,整个波段只能收到本地强台且声小;“l”、“2”或“4”、“5”断线也是造成本级或下级中放管不工作(即I\(_{c2}\)=0或Ic3=0)。⑤中周受潮线圈导线发霉容易出现局部短路,如短路的匝数较少(如1~2匝),表现为灵敏度下降,调中周时谐振点不明显。如短路的匝数较多,就收不到电台了。⑥B\(_{1}\)或B2的初次级短路时会使BG\(_{2}\)或BG3的集电极电流大大增加,使得R\(_{7}\)上压降UR7≈-4V;U\(_{R8}\)≈-1.2V;URll≈-5.5V,表现为收不到电台,BG\(_{2}\)或BG3发热。B\(_{1}\)或B2的初级与屏蔽罩短路会使本级管子V\(_{ce}\)≈0,而下级管子的工作状态是正常的,这种故障仍表现为收不到电台。B3初次级短路时表现为收不到电台,M点电压为零,如将B\(_{3}\)屏蔽罩取下收音机恢复正常则说明是B2的初级与屏蔽罩有短路的地方。⑦中频变压器的配谐电容(C\(_{7}\)、C12、C\(_{16}\))会出现下述故障:云母、瓷介电容使用日久会容量减小,谐振槽路失谐,导至灵敏度下降。这种现象即使将中周磁帽调到最里也不出现谐振点,必须更换新电容才能恢复正常。
有些收音机使用日久,由于电容器失效容量变化也会导致中放级出现故障。C\(_{ll}\)或CI7失效、虚焊、开路会导致灵敏度下降,但直流工作状态没有变化。C\(_{ll}\)、C17击穿短路会导致BG\(_{2}\)或BG3饱和,此时V\(_{ce2}\)≈0UR7≈5伏或V\(_{ce3}\)≈0,BG3会发烫甚至烧毁。C\(_{l3}\)击穿会导致Vce2=0、U\(_{R7}\)=5伏。C14击穿。C\(_{14}\)击穿会将R10短路,BG\(_{3}\)无偏置电压集电极电流为零,URll=0,收音机无声。
中放级电阻R\(_{8}\)、R11、R\(_{5}\)、R9只要一个开路都会造成无声。R\(_{8}\)、R11开路时集电极电流为零,基极至发射极电压为零,集电极对地电压与M点电压根同。中和电容C\(_{1}\)0、C15开路时对机器影响不大,但它们漏电严重或击穿短路会破坏管子正常工作,集电极电流增大,有啸叫。
中放级还包括一个自动音量控制电路(AGC)。W\(_{1}\)、C9构成一中放的AGC电路,C\(_{9}\)严重漏电或击穿短路时BG2无偏置,集电极电流为零,收音机无声。W\(_{I}\)两固定臂之一有开路都会造成BG2 饱和,声音失真很大。R\(_{4}\)、R6、R\(_{7}\)、C8、C\(_{13}\)、D1构成阻尼二极管AGC电路。D\(_{1}\)击穿,R6短路会出现阻塞振荡声。 D\(_{1}\)反向电阻下降喇叭会发出啸叫声,遇到这种情况应怀疑阻尼二极管是否有问题。(高永)