在脉冲技术中,广泛地应用着一种如图1所示的脉冲波,这种脉冲波被称为阶梯波,它可以是电压波形,也可以是电流波形。阶梯波有哪些用途呢?它又是怎样产生的呢?下面我们就介绍这些问题。

阶梯波的应用
我们知道,晶体管的输出特性可以直观地用一组特性曲线来表示,叫作晶体管的输出特性曲线,见图2。它表示了晶体管基极电流I\(_{b}\)为某一固定值时,晶体管集电极电流Ic与集电极和发射极之间的电压V\(_{ce}\)的关系。该组曲线可采用图3所示的电路来测定,方法是先固定一个Ib值(例如20μA),逐渐改变E\(_{c}\)的值,分别测出在不同的Vce时的I\(_{c}\)值;然后再固定Ib=40μA、60μA、80μA……分别测出在不同V\(_{ce}\)时的Ic值。对应每一个固定的I\(_{b}\)值,把测出的Ic和V\(_{ce}\)值逐点描绘出来,就得到晶体管的输出特性曲线。显然,这种逐点测试和描绘的方法是很麻烦的。能不能直接看出输出特性曲线呢?由图3所示的测试原理可见,要想直接看出输出特性曲线,必须解决两个问题,一是提供不同的Ib值,二是在每个固定的I\(_{b}\)时电压Ec 可变。不同的I\(_{b}\)值就可以由阶梯波信号来提供,而变化的Ec可由锯齿波、三角形波或正弦半波来代替(常称为集电极的扫描电压)。其中正弦半波电压可由市电整流方便地得到,故用得最多。解决了上述问题,再配以示波器的显示部分,就可以直观地看到一组特性曲线了。晶体管图示仪就是这样工作的,其测试原理图见图4。其中直接从晶体管的集电极和发射极之间取出的V\(_{ce}\)经放大后(图中未画放大器)加到示波管的水平偏转板上,形成了特性曲线的横坐标,集电极回路中串入了一个小电阻RS(称为取样电阻),利用V\(_{S}\)=IcR\(_{S}\),经放大加到示波管的垂直偏转板上,形成了特性曲线的纵坐标。晶体管的基极电流由阶梯波电流提供,如果要观察10条特性曲线,就需要10级阶梯波电流。当然,每加一个阶梯,集电极就要完成一次扫描(如图5所示),因此集电极扫描信号的频率应当是阶梯波频率的10倍。此外,要想在示波管上稳定地显示出特性曲线,还必须保持基极的阶梯波电流与集电极扫描电压之间同步,即两波形起始点要对准。实际上,示波管上的特性曲线是一条一条先后依次扫出来的,不过时间极短,加之人眼的惰性,所以能从示波管上同时看到一组特性曲线。




这里用到的阶梯波电流,通常都是由阶梯波电压转换而来的。
除了晶体管图示仪外,在电视技术中也常用到阶梯波。例如在电视机中,除了对亮度、对比度有一定要求外,对灰度还有一定的要求。这就是要求图象从暗到亮有一定层次,即有不同的亮度阶梯,一般称为灰度级。能分辨的灰度级数越多,图象从暗到亮的层次就越丰富,从而能重显图象的细节,使人感到图象真切。如果灰度级数很少,图象就显得粗糙,所以灰度级数对图象质量有着直接的影响。灰度级数少的主要原因是视放级电路设计或调整不当,加工作点过高或过低,动态范围小,使图象信号进入饱和区或截止区,从而引起失真。怎样测量这一失真呢?可以在视放级输入端送一阶梯波,于是在显象管上就能看到由暗到亮的灰度阶梯。电视台每天开始播放电视时出现的电视测试卡(大圆图形)下部有一条由白逐渐到黑的水平带,称为灰度测试卡。这个带子包括9个方块,它们的亮度不同,连同背景共有10层灰度,它能评定图象灰度级数的多少。能分清的级数越多越好,一般电视机能分清6~8个灰度级质量就可以了。而这个测试卡中灰度阶梯的产生就是用了10级阶梯波电路。
以上我们仅举了两例,说明阶梯波的应用情况,实际上阶梯波在脉冲技术中的应用是很广泛的,这里不详细介绍。下面着重介绍一下阶梯波发生器的电路。
电荷储存式电路
电荷储存式阶梯波电路原理图见图6。当具有一定幅度和一定宽度的正极性脉冲电压V\(_{i}\)加到输入端时,二极管D1截止,D\(_{2}\)导通,于是Vi对C\(_{1}\)、C2充电。如果信号源V\(_{i}\)的内阻很小,则电容C2上的电压即输出电压近乎跳变。设脉冲电压的幅度为V,则电容C\(_{2}\) 上第一次的充电电压为ΔVc2=V\(\frac{C}{_{1}}\)C1+C\(_{2}\)。当正脉冲消失后,信号源相当于短路,这时D1导通,D\(_{2}\)截止,C1 上的电压将通过D\(_{1}\)泄放掉,而电容C2上的电压由于无泄放回路则将保持下去,这便是阶梯波电压的第一个阶梯。第二个正脉冲到来时,电容C\(_{2}\)又在原电压的基础上得到一个电压增量,这便是第二个阶梯。不过,由于第二个正脉冲到来之前,C2上已有电压VC\(_{1}\);C1+C\(_{2}\),它对输入的第二个正脉冲有抵消作用,因此第二个正脉冲给C2充电的有效电压幅度减小,从而使第二个阶梯的幅度也减小。越是后边的阶梯,幅度就越小,通常所说的阶梯波的线性差,就是指此而言。

利用自举电路的原理可以改善阶梯波的线性,见图7。图7是在图6的基础上加了一级射极跟随器。我们知道,射极跟随器的电压放大倍数近似为1,所以电容C\(_{2}\)上的电压Vc2≈V\(_{0}\)。我们把V0通过D\(_{1}\)反馈到C1上,第一个正脉冲到来后,C\(_{2}\)上的电压Vc2=V\(\frac{C}{_{1}}\)C1+C\(_{2}\)≈V0,第一个脉冲消失后,C\(_{1}\)通过信号源内阻放电,同时被V0反向充电(充电方向如图7虚线所示),最后得到的充电电压即为V\(_{0}\),其方向为左负右正(见图7),该电压的极性正好和C2上的电压极性相反,因此当第二个正脉冲到来后,C\(_{1}\)、C2上的充电电压为V+V\(_{0}\)-V0=V。由此可见,尽管每次输入脉冲作用后电容C\(_{2}\)上的电压Vc2≈V\(_{0}\)不同,但每次C2上的电压增量均为ΔV=VC\(_{1}\);C1+C\(_{2}\),即C2上的电压增量恒定不变,也就是每个阶梯的幅度相等,因此该阶梯波的线性较好。

需要说明,在图6、7中,当阶梯波达到我们所要求的阶梯级数以后,C\(_{2}\)上积累的电荷需要释放,因此在实际电路中,C2两端还要并联一个电子开关,当阶梯波达到一个周期后,电子开关闭合,给C\(_{2}\)提供放电途径,以便使电路能够连续不断地输出阶梯波信号。
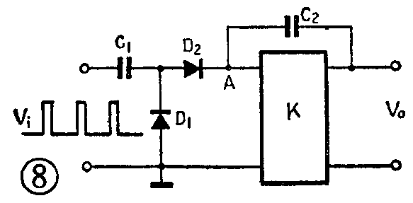
图8利用了负反馈原理来改善阶梯波的线性。放大器K与电容C\(_{2}\)构成电容负反馈电路(又叫密勒积分电路),放大器K是一个输入阻抗很高、输出阻抗很低、增益很大的倒相直流放大器(可用集成运算放大器)。利用电容的负反馈作用,保证了放大器输入端A点的电位基本不变,这样就使每次给C2充电的电流保持恒定,从而使阶梯波输出有较好的线性。

电荷储存式阶梯波电路具有电路简单,阶梯级数易调的优点,在图示仪中应用很多。
用双稳态电路组成阶梯波发生器
我们知道,双稳态触发器是一个二分频器,即每输入两个脉冲便输出一个脉冲。将几级双稳态电路连接起来,并将前一级的输出作为后一级的输入,则第一级双稳态电路为二分频,第二级则为四分频,第三级为八分频……将各级双稳态电路的输出适当迭加起来,便能构成阶梯波电路。

图9是国产QT—1型图示仪中的阶梯波发生器电路。图中BG\(_{1}\)~BG6构成三级双稳态电路,BG\(_{1}\)、BG3、BG\(_{5}\)集电极电压的波形以及它们和输入触发脉冲Vi的关系见图10。显然,BG\(_{3}\)集电极的脉冲波形宽度是BG1的两倍,而BG\(_{5}\)的又是BG3的两倍。BG\(_{7}\)、BG8、BG\(_{9}\)是各级双稳态电路的电流形成管,它们都是电流开关管,均由各自的双稳态电路输出的电压方波作输入信号。各电流形成管的集电极分别输出电流方波I7、I\(_{8}\)、I9。由于BG\(_{7}\)、BG8、BG\(_{9}\)的集电极电阻分别为8.6K、4.3K和2.15K,它们满足8.6∶4.3∶2.15=4∶2∶1的比例关系,所以后一级的电流形成管产生的电流方波的宽度与幅度均为前一级的两倍,如图10所示。由于BG7、BG\(_{8}\)、BG9是并联的,并且与BG\(_{1}\)0串接,因此I7、I\(_{8}\)、I9三个电流将汇合起来通过BG\(_{1}\)0的集电极,于是三个宽度和幅度成一定比例的电流,经过BG10的迭加,便形成了阶梯波电流I\(_{1}\)0,该电流在BG10的集电极负载电阻R\(_{c}\)上便形成了阶梯波电压。严格的控制触发脉冲的宽度和电流形成管的集电极负载电阻的比例关系,可以得到线性良好的阶梯波信号。

上面我们介绍了两种型式的阶梯波发生器电路。此外,利用数字一模拟转换电路(D/A变换器)还可以组成一些不同的阶梯波发生器,这样的阶梯波发生器虽然电路复杂一些,但阶梯波的线性很好,适于在要求较高的场合下使用。随着集成电路的发展,集成块计数器、D/A变换器等均有产品出售,阶梯波发生器采用集成电路以后将变得十分简单。(丁韵苓)