随着集成电路的不断普及,不少无线电爱好者开始转向数字电路。为帮助爱好者学习、掌握数字电路,我们推荐一种自制石英晶体数字钟,此钟采用YS型八段荧光数码管显示,可由集成电路直接驱动。此电子钟电路简单、成本低。
电路介绍
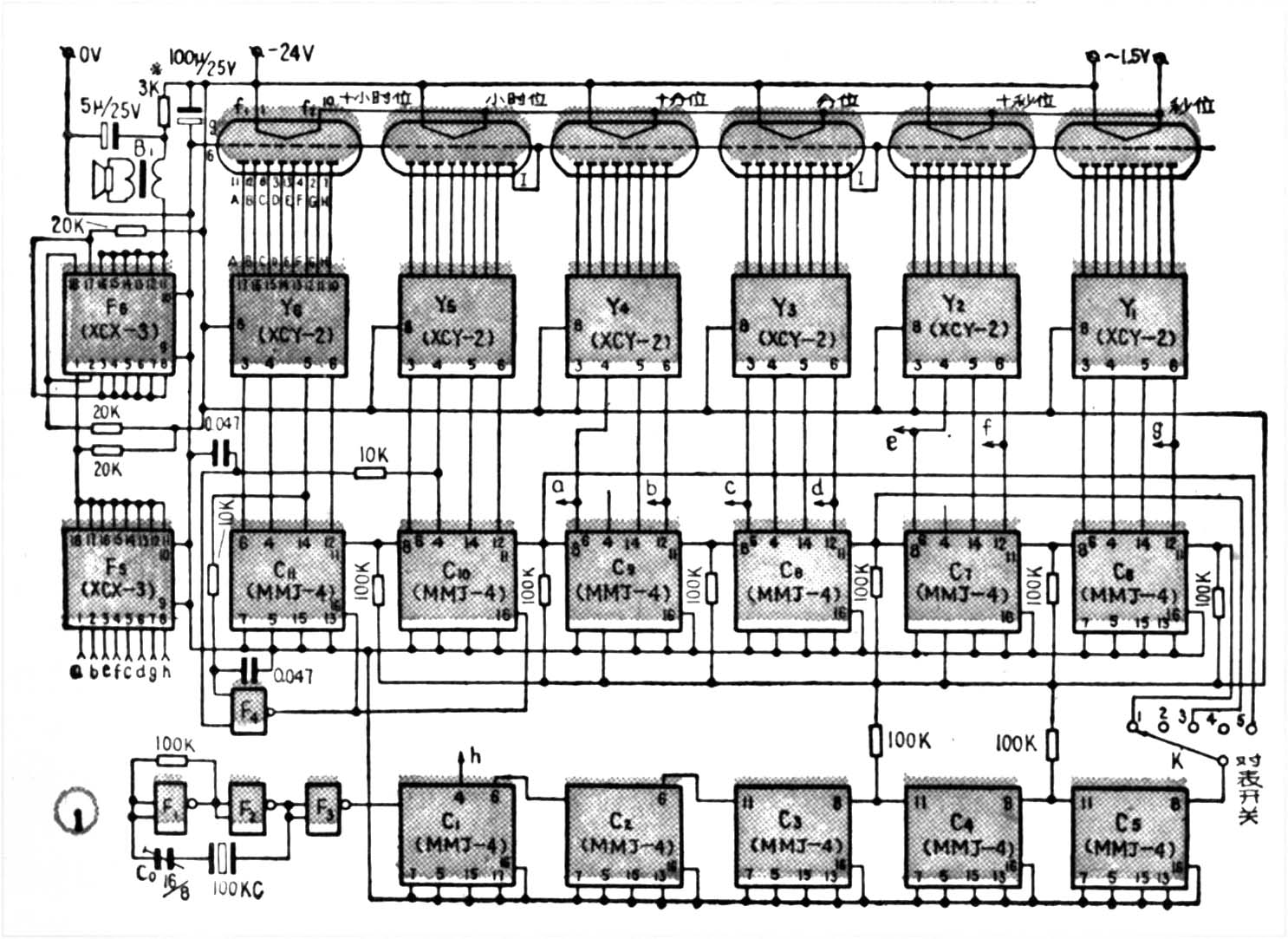
整机电路由振荡器、多级分频器、译码器和显示器等四部分组成,见图1所示。

振荡器部分见图1的左下部,由3个与非门电路和100KHz晶体组成,产生100000Hz的振荡信号。100000Hz的振荡信号再经过五级每级为1/10分频的分频器后,得到周期为1秒的信号。五级分频器由计数器C1~C5组成。第二级(C2)、第三级(C3)分频器11端输入脉冲不是从前级的8端引入,而是从6端引入的,以便得到较宽的11脉冲,使分频器工作稳定。
分频器C5输出的周期为1秒的信号,这一信号再经C6(1/10分频)、C7(1/6分频)、C8(1/10分频)、C9(1/6分频)、C10(1/10分频)、C11(1/24分频)等分频器作不同的分频后,分别得到周期为10秒、60秒(1分)、10分、60分(1小时)、10小时、24小时的信号。这些信号又分别被送到C12~C17组成的六级译码器电路中,经过译码电路后,就可以得到秒、10秒、分、10分、小时、10小时的时间信号。这些时间信号再分别送到显示部分,由荧光数码管显示,就可以看到数字表示的时间了。
从图1中可以看出,秒个位或分个位与秒10位或分10位的电路接法是不一样的,C7、C9的5端接-24伏,而C6、C8的5端接0伏;C7、C9的4端是空着的,6端是接代码“4”,而C6、C8的4端接代码“4”,6端接代码“8”。
1/24分频电路较其它分频器也不同。当计数器计至24时,这时C11的4端状态为“1”状态,C10的14端状态为“1”,此时与非门F\(_{4}\)的门打开;使计数器清“0”。由于电阻(10K)、电容(0.047μ)的延迟作用,使清“0”脉冲宽度大于CP脉冲的宽度,这样就得等延迟时间过去后与非门F4才能关上,使C10、C11回到计数工作状态。在C11、C10处于清“0”工作过程中,并不影响前面几级计数器的工作,它们仍在计数。
图1中还包括了对表电路,其电路很简单,见图1中与对表开关K相连部分。由于C7的输出(JW端)是无源输出,所以它可以和其它输出端任意并联。这样在设计对表电路时,当把开关K置于“3”或“5”位置时,秒信号就直接加到了小时个位或分个位的计数器的CP端,作为对表信号,使小时或分钟每秒进一个字,以达到对时的目的。对好时、分钟位以后,等秒位显示与标准时间相等时,再将K扳至“1”位,此时电子钟就正常工作了。为了保证对时可靠,把开关K的“2”、“4”两档都设为空档,为“暂停”档,此刻钟的显示不变,可以避免两个输人端相连。
本钟每当差10秒整点时就会自动打点,每隔一秒钟响一次,共五响,最后一响后为整点。这部分电路由图1中两块8模拟门集成电路块F\(_{5}\)、F6、喇叭等组成。F\(_{5}\)、F6相当于一个人输入与非门电路,F\(_{5}\)在59分51秒、53秒、55秒、57秒、59秒时每次输出1000Hz的方波信号。这方波信号加到F6,F\(_{6}\)接成一个反相器和功率输出级,放大后的信号经变压器B推动扬声器发出响声。
制作与调试
图1中的F\(_{1}\)~F4用一块PMOS块,型号为MOS-Q,是四与非门电路。C1~C11用的是PMOS集成块MMJ—4,要求C1、C2的Q\(_{4}\)端的输出完好,C2、C4的JW端输出完好,C5的Q3端、JW端完好。
对于分频电路C6~C11的要求是:1/10分频所用的MMJ-4的所有功能完好,1/6分频用的MMJ—4一般Q\(_{1}\)、Q2、Q\(_{4}\)输出完好就行,C10用的MMJ-4要求所有功能完好,Cll则只要求R-、Q1及Q\(_{2}\)功能完好就行。
对于译码器电路中用的XCY-2要求功能完好。所用的集成块XCX-3只要门电路工作正常就可以。
荧光数码管用YS13-3型的,其接线见图1中所示。电源部分的-24伏电源要来稳定,为了降低功耗可将电源电压降到18伏使用,对于24伏电源要求有稳压电路。
为了业余爱好者制作方便,本机电路的印制板没有用双面复铜板,而设计成单面印制极电路,在印制板背面有几条明引线接电阻等。印制板见图2(1∶1),图中黑线为背面的明引线;凡是有“○”处,均为接线点,应将印制板打孔,以穿引背面元件或导线用;f\(_{1}\)、f2为数码管灯丝,f\(_{1}\)端接-24伏以上;图中“I”孔为数码管的小数点屏。

制作印制板时一定要注意,由于集成电路排列密集,所以绘制印制板时要用鸭嘴笔或注射器细心地画,画完待漆干以后,先用锋利的小刀修理整齐后再腐蚀。数码管直接焊在印制电路板,6只数码管要排列整齐。焊接集成电路块时,一定要注意以下几点:1.暂时不用的片子一定要用锡纸包好,包时应将所有的引线连在一起,或放在金属小盒内,防止外电场干扰。 2.焊接时要用25W以下的电烙铁,最好是内热的,电烙铁的外壳一定要接地良好!!或将烙铁电源拔掉再焊。3.焊接时,烙铁头不要在集成电路块的引线上停留时间太长,否则容易损坏集成块。
检查集成块时,由于PMOS集成电路输出高电平时内阻较低,而输出低电子时内阻较高,所以用万用表测量集成块的高、低电平时,最好选用10KΩ/V以上的表,并且将表笔“-”端接本机电源24伏端子上,电表正极接测量端,这时电表指示20~24伏为高电平,而0~12伏为低电平。也可以用荧光数码管的一个小数点作指示,高电平时小数点亮,低电平时小数点不亮,脉冲则介于亮与不亮之间。
集成块的各脚引线按图2所示连接,角码排列不能错。电路焊接好以后,通电后看数码管有无显示,秒位是否变化。如果秒个位能正常变字显示。就表明秒个位以前的电路都正常工作。如果秒个位不能变字,则可先将100KHz晶体振荡电路稍加改动,用0.5~2μF的电容(不用电解电容)代替晶体,然后把晶体振荡器输出的100KHz信号直接加到秒个位的“CP”端上,这时应有显示,数字改变的频率大概由每秒0.5次到5次之间。若仍无变化,则可把100KHz的信号直接加到分个位上,如果分个位有数字显示,说明秒个位电路中的集成块有问题或焊线有误;如果分个位也无变化,则说明晶体振荡电路中的集成块焊线错或有问题。在排除了振荡器电路中的故障后,重新将100KHz信号加至秒个位的“CP”端,这时注意显示屏上10秒、60秒是否能进位。由此判断秒个位、秒十位是否正常,然后把振荡器输出依次加在分个位、时个位上,看它们是否正常工作及能否进位。
一般说来,如果显示不正常而进位数正常时,可能是该位数的译码器有问题,也有可能是MMJ—4的Q\(_{1}\)~Q4端有损坏的,这时可暂停输入信号,测Q\(_{1}\)~Q4 端的电位是否能和荧光数码管的数字对应,如不能对应,则是译码器有问题;如能对应则是MMJ-4有问题。如果不能进位,则是MMJ—4有问题,可把接JW端的接线改接在Q\(_{4}\)端,这时若能进位了,说明这块集成块输出功能差,应更换掉;如果仍不能进位,应更换下一级的MMJ-4集成块。
在调整好秒、分、时及显示部分电路后,就可以把晶体换上,输出仍接在秒个位上,这时应看到秒及分位的数字很快变动,说明晶振部分工作正常,然后把输出依次加在各分频器的“CP”端上,如果数码管的数字不变动,就是该级分频器有问题,更换对应的集成电路。然后再将振荡器的输出接到C1的CP端。
图1中的电容C\(_{0}\)为校准时间用的微调电容,应把它放在容易调整的位置。在调整时应注意记住,若钟走时快了,应加大C0的容量;若走时慢了,应减小C\(_{0}\)的容值。
此钟的安装图见图3,外形见报头,仅供读者参考。我们安装的这种钟的误差可调到每周±1~±2秒。(陈旭 李明远 胡少英)

