在修理进口电视机时,常常遇到集成块损坏的故障。由于维修件较少,有时很难找到相同型号的集成块来代换,所以使一些机器长期“住院”。目前采用较多的有两种办法:一种是用分离元件组成电路来代替;另一种是用功能相同或相近的其他集成电路进行代换。后一种方法比较简单易行。
现以用集成块TBA120S代替μPC-17C为例,介绍一下代换原则和具体方法。
1.所换集成块的功能要与原集成块的功能相同或相近。
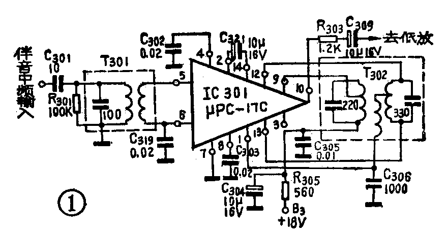
例如有一台日本产20-CT8600DU彩色电视机。伴音中放集成电路μPC—17C损坏,造成电视机无声故障。其电路如图1所示。该集成电路的功能包括伴音中放、限幅器、鉴频器。由于没有同型号的集成块可换,所以考虑用具有以上功能的其他集成块代替。如国产的7CD13、5G32,国外的TBA120S、TM691、HA11229、UL1242N、HA11107、HA1124A等。

2.外围电路要作相应改动。
用来代换的集成块,虽然功能相似或相同,但电性能不一定完全相同。由图1可以看出,μPC-17C的鉴频电路与普通分立元件的比例鉴频器相同。而后来生产的伴音中放集成电路多采用模拟乘法的比相检波器。这种电路的优点是外接回路简单,并且失真小。因此用TBA120S代替μPC—17C时,需要改动其外围电路。先根据TBA120S性能选择一种现成的外围电路,例如匈牙利TA-3212型电视机的伴音中放电路,如图2所示。若把此电路稍加改动,就能使原机正常工作。

(1)供电电路的改动。20-CT8600DU型电视机,伴音中放部分的供电电压为18V,低于TA-3212型电视机伴音中放的供电电压(24V)。因此需将图2中的R\(_{2}\)01(820Ω)改为560Ω,这样经R201降压后获得10V左右的电压,才能与24V经820Ω降压后的电压相等。这样才能使TBA120S的工作状态与原电路相同。
(2)由于原机伴音电路中已有控制音量的电位器,所以改动后的电路中的音量电位器R\(_{5}\)04(220K)应改用220KΩ固定电阻,并将电位器的中心抽头与C311相接(见图3),这样音量大小仍由原机上的音量电位器控制。

(3)为调整方便,将输入端伴音谐振回路用6.5MHz的陶瓷滤波器代替。
(4)集成电路TBA120S输出端,在匈牙利电视机中,是接电子管音频放大器的,故输出阻抗较高。现在改接晶体管放大器了,输出阻抗为低阻抗,因此需将耦合电容改用大容量的电解电容,并串联一只隔离电阻。改动后的电路如图3所示。
如果用国产集成块7CD13代替,外围电路如图4所示。

3.印制电路板的改动和元件的排列。
由于新换集成块的引出脚及其功能,与原集成块有所不同。所以将原集成块拆下以后,对印制板需要作必要的修改。一般来说应尽量利用原印制板上的脚孔和联线。具体改动见图5。原印制板的3脚与11脚相接,7脚与公共地线相接。而TBA120S的3脚与11脚不连接,7脚也不再接地。因此可用小刀或锯条将铜箔按图5虚线位置划开。其它引出脚是否断开,应根据外接元件的实际需要而定。也可以预先划开,需要时焊上,不需要时断开,这样比较方便。外围元件也应根据具体情况重新排列。要注意集成块引出脚的编号顺序,不同的集成块,引出脚的位置不同,不要接错。

4.调整。
检查电路焊接无误,就可进行调整。一般只要调节L\(_{3}\)07的磁心位置,便可获得良好的伴音。若伴音输入端仍采用图2所示调谐回路,调整时要反复调节输入回路和相移电路中的L207的磁心。
经过调整,如果仍无声,则应检查电路是否有误或者伴音中频是否一致。如果原来的伴音中频不是6.5MHz,需要改动回路参数。当原伴音中频为4.5MHz时,将谐振回路线圈拆去1/3,回路电容不必改动。当伴音中频是5MHz或5.5MHz,一般只要把回路电容减小1/3左右即可,回路线圈可不改动。只要回路参数正确,经细心调整就能获得良好的伴音。
以上代换集成电路的方法,对电视机其它部位的集成电路同样适用。(汪锡明)