场效应管的主要直流参数
由场效应管的转移特性曲线(图1)可见,饱和漏源电流I\(_{DSS}\)就是零偏压(VGS=0)时的漏极电流,夹断电压V\(_{p}\)就是在源极接地的情况下,为使场效应管漏源输出电流减小到零所需的栅源电压,也可以叫做截止栅压VGS(off)。I\(_{DSS}\)可以用图2电路测定,VP可以用图3电路测定。当I\(_{DSS}\)和Vp已知时,可用下式表示I\(_{D}\)与VGS的关系:
I\(_{D}\)=IDSS〔1-\(\frac{V}{_{GS}}\)Vp〕\(^{2}\)
根据上式即可作出似图1转移特性曲线。
夹断电压V\(_{p}\)这个参数是对耗尽型器件而言的,对于增强型器件,相应的参数可用阈电压(或称开启电压)VT来表示。
2.漏泄电流I\(_{GSS}\)、输入电阻RGS及输出电阻r\(_{DS}\)。
栅—沟道结本是一个PN结,当施加反向偏压时(见图4),亦会有少数载流子形成很小的反向电流,叫做漏泄电流I\(_{GSS}\),一般结型管为毫微安级,MOS管为微微安级(测试时所加VGS=10V)。输入电阻R\(_{GS}\)是栅—沟道在反偏压作用下的电阻,手册中有时也叫栅源绝缘电阻,结型管一般为10\(^{9}\)Ω,MOS管则更高,可做到1012Ω以上(25℃时测试),需要用专门的高阻仪表才能测量出来。输入阻抗高是场效应管的重要特点之一。输出电阻rDS即为漏极特性曲线斜率的倒数(\(\frac{1}{r}\)\(_{DS}\)=ΔID;ΔV\(_{DS}\)),当场效应管正常工作时(即工作在饱和区Ⅱ),rDS甚大,结型管一般为几百千欧,MOS管稍低些。

3.击穿电压BV\(_{DS}\)、BVGS。
在场效应管的漏极特性曲线中我们已看到,当漏、源电压V\(_{DS}\)增大到一定数值时,特性曲线朝上翘起即进入击穿区。在击穿区中,栅极电压失去了控制输出电流的能力,从而易使管子遭到损坏。因此一般规定漏极特性曲线开始进入击穿区的电压为最大漏源耐压BVDS。
最大栅源耐压BV\(_{GS}\)就是栅、源之间能够承受的最高电压。MOS场效应管由于栅级有很高的绝缘电阻,因此当栅极开路时,如受周围电磁场的作用,栅极上就有可能感应产生瞬间的高电压,此电压如果超过BVGS的话,MOS管就会损坏。因此在存放MOS管时应当将它的栅极管脚与源或漏极管脚短接。
4.最大漏极耗散功率P\(_{DM}\)。
耗散功率等于漏源电压和漏极电流的乘积,手册中常给出25℃时的最大漏极耗散功率P\(_{DM}\),同时还给出随环境温升,PDM的递减系数mW/℃。
主要交流参数
1.跨导gm。
作为电压控制器件的场效应管,其放大能力也可采用与电子管相应的参数——跨导g\(_{m}\)来表示,它说明了栅极电压对漏极电流的控制能力,表示式为:
g\(_{m}\)=\(\frac{漏极电流的变化值}{栅源电压变化值}\)|当漏源电压一定时=ΔID;ΔV\(_{GS}\)|=ΔVDS=0
公式正好表示了图1转移特性曲线在工作点Q处的斜率。跨导gm一般在较低频率下测量(多数在1KHz测),因而有的手册中也叫做低频跨导。
2.噪声系数N\(_{F}\)。噪声是管子内部载流子的不规则运动引起的,由于场效应管内通过PN结的载流子比普通晶体管要少得多,因而其噪声自然要小很多,这是场效应管的又一重要特点。噪声性能通常用噪声系数NF(dB)表示,N\(_{F}\)愈小表示管子噪声愈小。由于NF与频率及管子工作状态有关,故手册中给出此参数,一般应注明测试频率和偏置条件。
3.杂散电容。一般手册中给出的主要是由三个极间分布电容形成的杂散电容:C\(_{GS}\)——栅源电容,也叫输入电容;CDS——漏源电容,也叫输出电容;C\(_{GD}\)——栅漏电容,也叫反馈电容。这三种杂散电容是影响电路频率响应的主要因素,这三种杂散电容越小,越有利于器件频率特性的提 高,因而是场效应管用于高频电路和开关电路时的重要参数。
场效应管的等效电路
同普通晶体管一样,在进行电路分析、计算时,也需要将场效应管用一个等效电路来代替。图5a是将源极作为输入、输出公共端的等效电路:输入端由输入电阻R\(_{GS}\)和输入电容CGS并联;由于漏极电流I\(_{D}\)是受栅源电压VGS控制的,输出电路中的电流源I\(_{D}\)=gmV\(_{GS}\),输出端由漏极电阻rDS和输出电容C\(_{DS}\)并联;跨接在输出、输入端间的是反馈电容CGD。在正常情况下,输入电阻R\(_{GS}\)极高,在计算时往往视为无穷大,而在低频时,所有杂散电容又可忽略,因而等效电路就可以简化如图5b。

场应管的基本电路
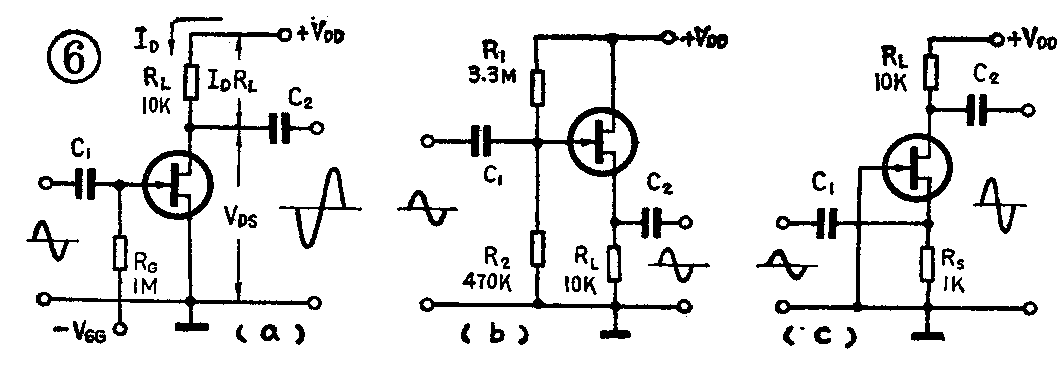
同双极晶体管一样,场效应管也有三种基本接法:共源、共漏、共栅,如图6。

图6a为共源电路,相当于双极晶体管的共发射极电路或电子管的共阴极电路。当交流信号经C\(_{1}\)加到栅——源极时,使栅极偏压随信号而变,于是控制了ID的变化,在R\(_{L}\)上产生压降,通过C2将放大了的信号电压输出。图6a的场效应管等效电路就是图5,只要在图5输入端并接偏置电阻R\(_{G}\)、输出端并接负载电阻RL,就构成图6a电路的等效电路,于是就可很方便地算出共源电路的几个主要参数为:
输入电阻R\(_{i}\)=RG∥R\(_{GS}\)≈RG(因R\(_{GS}\)》RG)
输出电阻R\(_{0}\)=rDS∥R\(_{L}\)≈RL(因r\(_{DS}\)》RL)
电压放大倍数近似为K≈-g\(_{m}\)RL
由于共源电路输入电阻高、电压增益大,故应用最广,但它的截止频率较低,在高频工作时受到一些限制。
图6b为共漏电路,与晶体管共集电路或电子管共屏极电路相似。同共源电路一样,其输入电阻也取决于外加偏置电阻,即R\(_{i}\)=R1∥R\(_{2}\),电压放大倍数K≈1,且输入、输出电压同相,故也叫做源极跟随器。由于这种电路输入电阻高、输出电阻低,且有良好的电压跟随特性,因而常用作缓冲放大器,起到隔离、阻抗变换的作用。
图6c为共栅电路,它与晶体管共基电路或电子管共栅电路相近。其输入电阻极低(R\(_{i}\)≈\(\frac{1}{gm}\)),输出电阻较高R0≈R\(_{L}\),有良好的电压放大特性,因而常用于高频电压放大。
场效应管的偏置
场效应管也需要一定的偏置电路来确定其工作点,偏置电路的形式很多,归纳起来主要有如下几种:
1.固定偏置,如图6a。栅偏压由负电源V\(_{GG}\)经偏置电阻RG提供,这种方法最简单。由于该电路输入电阻取决于R\(_{G}\),为了提高输入电阻往往选用阻值较大的RG,这就有可能在环境温度升高时,在栅漏泄电流流经R\(_{G}\)时,产生可观的压降变化,使栅偏压随之改变,引起工作点严重偏离预定设计点,因此这种偏置方法较少采用。
2.自偏置,如图6c。在源极串入电阻R\(_{S}\),当ID流经R\(_{S}\)时,产生压降IDR\(_{S}\),由于栅极接地,相当于源极电位比栅极高了IDR\(_{S}\),即等于给栅极加了偏压VGS=-I\(_{D}\)RS。譬如,若I\(_{D}\)=1mA,RS=1KΩ,则I\(_{D}\)RS=1V,即相当于V\(_{GS}\)=-1V。这个栅负压是由漏极电流在源极电阻RS的压降提供的,因而叫自给偏压。这种偏置方法,省去了一组负电源,且在有信号输入时,栅压亦随信号大小自动调节,这对放大器的稳定性大有好处。这种电路的缺点是I\(_{D}\)和RS的大小,必须满足栅偏压的要求,调整时就较为困难。
3.带分压器的自偏置,如图6b。电路中除有源极电阻R\(_{S}\)提供自偏压IDR\(_{S}\)外,还有外加偏置电阻R1、R\(_{2}\)构成分压器,给栅极加上固定栅偏压。由图可推算出,由R1、R\(_{2}\)分压得到栅极电位VG=\(\frac{R}{_{2}}\)R1+R\(_{2}\)VDD,因而栅偏压
V\(_{GS}\)=R2V\(_{DD}\)R1+R\(_{2}\)-IDR\(_{S}\)。
这种电路I\(_{D}\)和RS的选择自由度较大些。
由于场效应管的导电类型和工作方式不同,它不仅有N沟道和P沟道的区别,而且还有增强型和耗尽型的区别,各种类型所需的偏置电压的极性都不相同,常用的几种类型场效应管与偏压极性的关系见表1。
表1
类型 栅偏压 漏偏压
极性 极性
P沟道MOS增强型 负 负
N沟道MOS增强型 正 正
N沟道MOS耗尽型 零、正、负 正
N沟道结型 负 正
P沟道结型 正 负
开关电路的偏置方法一般比较简单,即将正、负脉冲直接引入栅极以实现开通或关断的状态。(金国钧编译)


