(张开逊)这里主要介绍用于监测电参数和电路工作状态的报警电路,如短路、断电和过电压报警等。
多线短路报警
电路见图1,专门用于检查一组导线之间有无互相短路的情况。图中引出的1、2、3、4、5和“地”六条探测线,分别接在所需检测的6条导线上,若所测的6条导线其间互相绝缘良好,则二极管D\(_{1}\)、D2、D\(_{3}\)、D4、D\(_{5}\)全部正向导通,它们的正向压降之和(约3伏)加在晶体管BG1的基极,另外,4个二极管D\(_{6}\)、D7、D\(_{8}\)、D9串联作为BG\(_{1}\)的发射极负载。这时BG1导通饱和,它的集电极和发射极之间的压降很小,约为0.3伏,使得BG\(_{2}\)截止,发光二极管不亮。若被查的导线间有短路,则BG1变为截止,BG\(_{2}\)导通,发光二极管就亮。

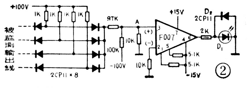
多路过电压报警
电路见图2,当任何一条输出线上的电压超过额定值时(此电路设计额定值为100伏),电路立即发出报警信号。当输出线上的电压全部低于或等于100伏时,放大器输出为负或0,发光二极管不亮;当任一输出线上的电压超过100伏时,放大器输出为正,发光二极管亮。

保险丝熔断报警
电路见图3,在各用电器设备的保险丝BX\(_{1}\)、BX2、BX\(_{3}\)、BX4两端分别接上电阻和正、反向并联的发光二极管,当设备正常工作时,保险丝两端电压为零,发光二极管不亮;当任何一路保险丝熔断时,连在它两端的发光二极管就亮,指示该处保险丝熔断。同时,市电经某个二极管整流,作为振荡器(BG\(_{1}\))的供电电源,振荡器工作,发出报警信号。

直流电源瞬间中断报警

电路如图4,能指示出瞬间供电中断,断电时间只要超过可控硅恢复时间,在供电恢复之后报警灯会一直亮,直到手动复位为止。当电源正常工作时,按下开关K,可控硅导通,这时再断开K,可控硅仍导通,指示灯不亮。当电源瞬间中断时,这时可控硅的阳极断电,可控硅关断。当电源恢复正常时,因可控硅仍处于关断状态,指示灯亮,说明电源中断过。(未完待续)