这里介绍的电唱小鸟叫声清脆、优美,叫一会、停一会,笼里的小电珠也跟着闪亮,很象一只小鸟在花丛中唱。电唱小鸟不仅是儿童玩具,用它还可以作为一般家庭住宅的电铃。
电路简介
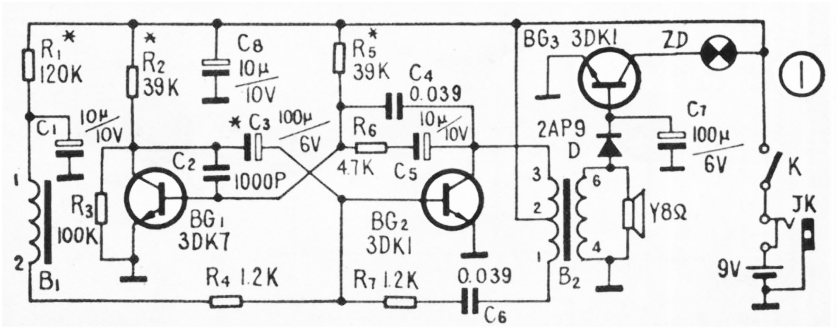
电路见图1。晶体管BG\(_{2}\)、变压器B2、电容C\(_{6}\)、电阻R7等组成电感三点式音频振荡器,振荡信号的幅度大小由变压器B\(_{2}\)的匝数比决定,振荡频率的高、低可调C6的容值。脉冲变压器B\(_{1}\),电阻R1、R\(_{4}\),电容C1与BG\(_{2}\)又组成一个间歇振荡器,振荡频率由电阻R1和电容C\(_{1}\)等决定。两个振荡器产生的两种振荡信号同时加在BG2的发射结上,因两种振荡信号的频率不同,所以扬声器里发出“啾啾”的鸟叫声。为了使鸟叫声间断的且又是循环的,再由BG\(_{1}\)、BG2组成不对称自激多谐振荡器,BG\(_{1}\)、BG2间歇地导通与截止,当BG\(_{2}\)导通时,鸟叫;BG2截止时,鸟不叫。改变电阻R\(_{2}\)、R5、C\(_{3}\)的数值,可以得到不同的间歇时间。

变压器B\(_{2}\)输出的音频电压经过二极管D与电容C7组成半波整流电路后,输出的直流电压控制晶体管BG\(_{3}\)的导通饱和,使小电珠随着振荡输出的强弱闪闪发光。
元器件选择
电路中的晶体管用3DG或3DK型的,β值在30~200之间,其中BG\(_{3}\)的PCM≥300mw,功率如太小当小电珠亮时容易烧管。二极管D用2AP或2AK型的。小电珠选用XDX-1型指示灯里的小灯泡,其电流应小于0.15A为宜。喇叭用3英寸恒磁扬声器。
变压器B\(_{1}\)用线径为0.19mm的高强度漆包线绕800圈。变压器B2用线径为0.29mm的高强度漆包线在骨架里面绕110圈作为次级,在次级线包外面用薄的绝缘纸包2~3层。绝缘纸外面再用线径为0.12mm的高强度漆包线双线并绕,把一组线圈的始端与另一组线圈的末端焊接在一起,作为中心初级绕组的抽头,初级为310圈。B\(_{1}\)2的铁心用D43、0.35mm厚的硅钢片,截面积为5×8mm\(^{2}\)\(_{1}\)2也可以用晶体管收音机的输入、输出变压器代用,但效果差些。
制作鸟笼时,用塑料糖盒作一个鸟笼底座,盒盖朝下,盖上再帖上三个塑料眼药水瓶盖,作为鸟笼支架。至于鸟笼的形状和大小,读者可以自行设计。报头上方是我们自己设计的样子,仅供参考。
安装与调试
电路印制板见图2(1:1)。元器件焊接好以后,如果元器件良好、焊接无误,通电后就有鸟叫声,为了使鸟叫声清脆、悦耳,且间歇时间合适,可以调整图中注有“*”标记元件的数值,一般调整范围是R\(_{1}\)为100K~150K,R2为20K~50K,R\(_{5}\)为39K~82K,C3为30μF~100μF。

安装好的印制板用螺钉固定在鸟笼底座盒底上。在盒的两侧开两个孔,一个孔安装电源开关,另一个孔作为外接电源插孔。喇叭放在底座上面的正中位置,用胶把喇叭与底座粘牢,见报头下方的装配示意图。底座上开几个孔,用来插花,并引出两线焊接小电珠,把小电珠放在花丛里面。把小绒鸟或其它的鸟的标本粘在喇叭磁钢上,套上鸟笼,并与底座粘牢,电唱小鸟就作成了。(宁金铭)