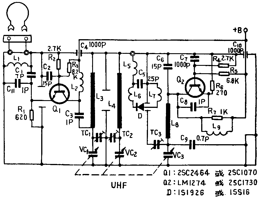
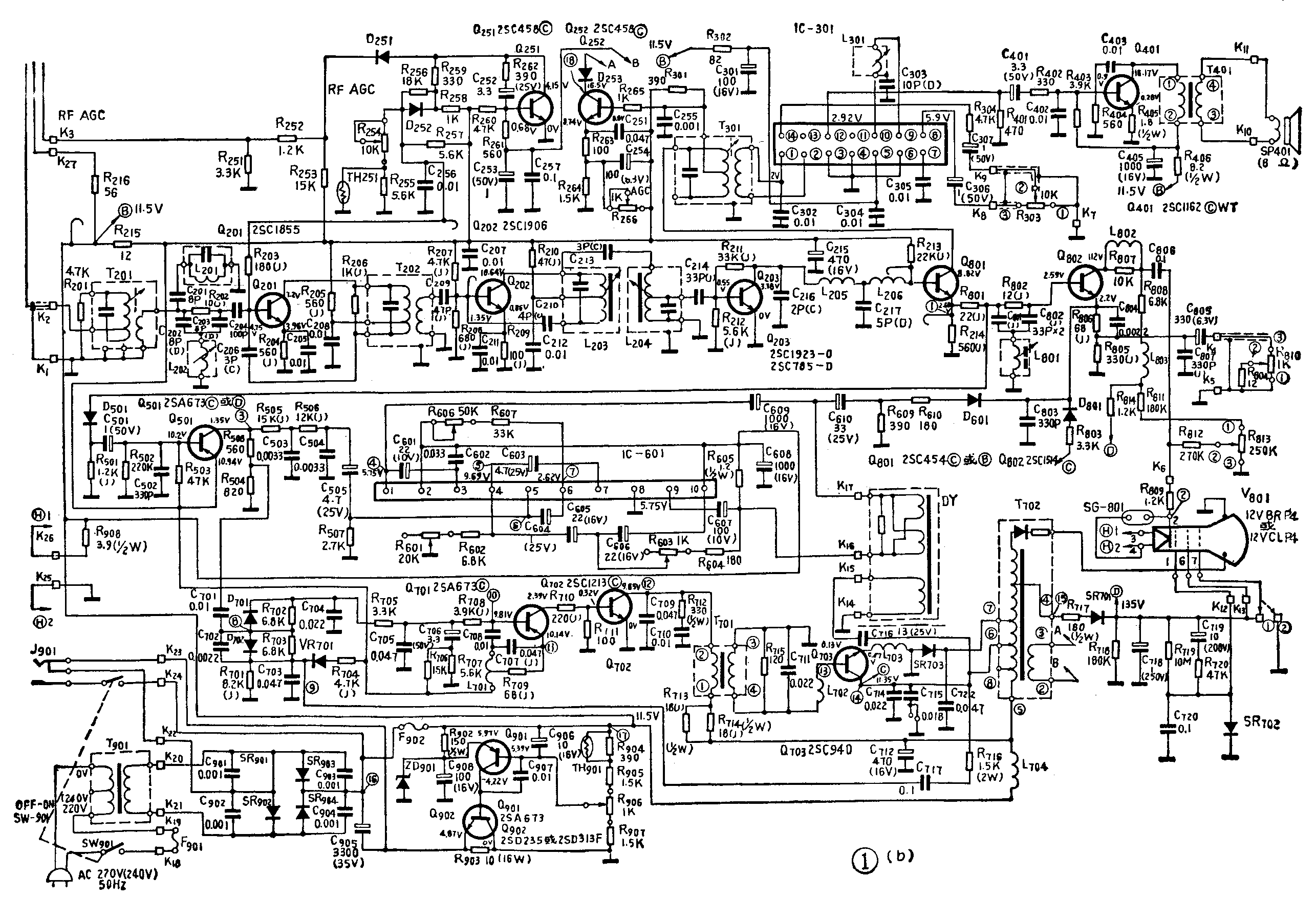
(朱耀堂)台湾省产“声宝”牌12英寸晶体管黑白电视机,采用分立元件与集成电路相结合的电路,原理电路见图1。图1(a)为VHF与UHF高频头电路,图1(b)为其他部分的电路图。该机中频放大器只有两级,视频检波采用三极管检波电路,场扫描与伴音电路采用集成电路,其它电路基本与国内其他厂家的同类型机器相似。现就该机常见故障的检修方法介绍如下:



光栅形成电路常见故障
一、无光栅
电视机出现无光栅故障,一般可根据有无伴音来确定故障的大体部位。
1.无光栅也无伴音。
这种故障通常发生在电源供电电路,常见故障有:①整流二极管SR\(_{9}\)01~SR904有击穿;②电源变压器T\(_{9}\)01内部线圈有短路。出现这类故障时,通常保险丝F901要熔断。
检修时,可采用下述方法。先换好F\(_{9}\)01,取下直流保险丝F902,使整流电路与负载断开。焊开T\(_{9}\)01次级引线的任意一端,用万用表分别测量各整流二极管的正、反向电阻,看有无击穿。若有损坏,换新后恢复电路,一般都可以恢复正常工作。如果二极管均无损坏,先不要恢复电路,可在电源变压器次级开路的情况下通电试验。如果通电后F901仍熔断,说明电源变压器内部有短路故障,需要拆下重绕,T\(_{9}\)01初、次级的线径和圈数见图2。

2.无光栅,有伴音。
这种故障一般发生在行扫描电路或“显象管及视放电路。本机最常见的是行扫描电路故障,主要有:①中压整流二极管SR\(_{7}\)01击穿;②行推动变压器T701初级线圈短路或初级对地绝缘不良;③行输出变压器T\(_{7}\)02内部发生短路。
检修时,应首先测量SR\(_{7}\)01负端的135V直流电压,看是否正常。当上述三种故障中有任何一种发生,该电压就会降低到0~15 V。当测量SR701负端电压不正常,且发现R\(_{717}\)冒烟或被烧断时,可以断定是SR701击穿;当测量SR\(_{7}\)01负端电压不正常,而SR701、R\(_{717}\)均无损坏时,需进一步测量行输出管Q703基极电压U\(_{b}\)和行推动管Q702集电极电压U\(_{c}\),正常值分别为-0.13V和9.95V。若测量得这两处电压都较正常值低,特别是行推动管的Uc较正常值低很多,只有0.5~6V时,一般为行推动变压器的故障。拆下T\(_{7}\)01,用万用表测量初、次级的电阻和初、次级与铁心的绝缘电阻。正常时,T701初级绕组的电阻为4Ω,次级绕组的电阻近似为0Ω,初、次级之间的绝缘电阻和初、次级对铁心的绝缘电阻均应为无限大。当T\(_{7}\)01损坏时,可按照图3所示数据重绕。

当SR\(_{7}\)01负端电压不正常,测得行输出管的Ub正常时,说明故障在行输出级。先将行输出变压器T\(_{7}\)02的第⑤端与外部电路断开,串入直流电流表,测量Q703集电极电流I\(_{c}\),正常值为620mA左右。如果测得Ic为1A以上,应逐一检查行输出管Q\(_{7}\)03、阻尼二极管SR703、行偏转线圈、逆程电容C\(_{714}\)、C715等,看是否良好。如果上述元件均无损坏,可以断定T\(_{7}\)02内部有短路故障。
行扫描电路出现故障后,整机的直流电流就会增大,从直流保险F\(_{9}\)02处测量,电流可由正常值1.3A左右增大到2A以上。这时直流供电电压就会降低,当降到8V以下时,伴音通道就不能工作,所以出现无光栅、无伴音。
二、水平一条亮线。
这种现象显然是场扫描电路有故障。常见的有:①C\(_{6}\)03失效;②C604失效;③IC—601损坏。
检修时,首先测量一下IC—601各端子的对地直流电压,正常值如表1所示。当C\(_{6}\)03失效时,端子“5”上的电压就会下降为0.3V左右;当C604失效时,端子“5”上的电压就会上升到4V左右,比正常值高许多;当IC—601损坏时,端子“1”和“9”上的电压就会降低很多,为1.5V左右。为了慎重起见,在确定IC—601损坏时,还应用万用表再测量一下IC—601各端子对地电阻(正常值参见表1)。如果测量结果与正常值有明显差别,则可以确定IC—601损坏。
表1
端子号 1 2 3 4 5 6 7 8 9 10
对地电压(V) 5.75 11.5 10.5 9.69 0.6 2.7 4.3 0 5.75 11.5
对地电阻 800Ω 20Ω 400Ω 18K 2.6K 2K 5K 0 2K 20Ω
注:测量对地电阻时,三用表负表笔接地,量程放在R×100档
三、场线性不良。
由于场扫描电路中的辅助电容C\(_{6}\)01或C602失效而造成场线性不良的故障是比较多见的。其故障现象如图4所示。除场线性不良外,光栅上还伴有杂乱的横亮线。检修时,一般只需将C\(_{6}\)01或C602换新,故障即可排除。

有的机器,当C\(_{6}\)02失效时,还会使场输出电路产生严重的寄生振荡,致使输出级无正常输出,从而造成一条水平亮线。
另外,当场扫描电路中的回授、辅助电容C\(_{6}\)05、C606、C\(_{6}\)07失效时,也会造成场幅小、线性不良的故障。但故障现象各有不同,分别如图5、6、7所示。检修时可根据不同的故障现象来确定是那个电容失效。



图象和伴音通道的故障
一、光栅正常,无图象、无伴音。
无图象、无伴音(或图象弱、伴音小)的故障,多发生在高频头,主要有:①高放管Q\(_{1}\)01损坏,②阻抗变换器T101断线;③UHF和VHF波段转换开关的接点接触不良;④元件虚焊或互碰等。
检修时,先要找出故障发生在那一级。可用万用表的一根表笔触接混频管Q\(_{1}\)02基极测试点TP,在有电视节目的情况下,若由原来的无图象、无伴音变为有图象、有伴音(或由图象弱变为图象较强),说明故障发生在高放级;若图象、伴音无变化,则故障可能发生在混频级或本振级。
当故障发生在高放级时,需进一步缩小故障范围。将表笔移接到Q\(_{1}\)01发射极,若此时图象和伴音基本正常,说明故障发生在高放级的输入电路及附加电路,应重点检查T101和UHF、VHF转换开关的接点。若表笔移接后,图象和伴音均无变化,说明故障在高放管及其外围电路,常见的有高放管损坏、元件虚焊等,可通过测量高放管各极电压来判断。
混频级和本振级常见的故障是元件虚焊或互碰。同样可通过测量两管各极电压来判断。高频头各晶体管的正常电压参见表2。
表2
管序 Ue(V) Ub(V) Uc(V)
Q101 1.65 2.4 9.6
Q102 1.35 1.95 9
Q103 4.9 5.4 11.5
对于某个频道收不到信号或信号较弱的故障,检查方法同上,但应重点检查相应频道的机械转换接点看是否接触不良,回路线圈是否有虚焊或互碰等。
二、图象正常,但无伴音。
这种故障一般发生在伴音通道,这部分电路由集成块IC—301和功放管Q\(_{4}\)01等组成。常见故障有:①喇叭音圈断线;②音频输出变压器T401的初级断线;③C\(_{3}\)06、C307、C\(_{4}\)01失效;④元件虚焊。
检修时先检查喇叭音圈,如喇叭良好,再测量Q\(_{4}\)01集电极电压,当此电压接近零伏时,一般是T401初级断线,可按图8所示数据重绕。对于电容失效、元件虚焊故障,可借助万用表逐级送入断续信号来寻找。将万用表放在“Ω”档,负表笔接地,然后将正表笔断续地触接Q\(_{4}\)01基极、音量电位器R303中心头、IC—301的⑧端等处。当表笔接触到某点时,喇叭中发出“喀、喀”的声音,说明这点之后的电路基本正常。例如当C\(_{3}\)06失效或虚焊时,正表笔触接IC—301⑧端,喇叭里无声,触接音量电位器③端,喇叭里就有“喀、喀”声。这样就可以较快地找到故障部位。

三、信号弱时有图象,信号强时无图象且光栅上出现回扫线。
有的机器在接收电视节目时,拉杆天线没有拉出时,屏幕上能显示图象;把拉杆天线拉出并转动到最佳位置时,图象反而消失,并且光栅上出现回扫线。
这种故障一般是由于AGC电路不起控造成的。这时高放、中放AGC电压分别固定在某一数值,不能随接收信号的强弱而作相应变化。当信号强到一定程度时,就会导致予视放管Q\(_{8}\)01截止,出现所谓强信号阻塞现象。造成无图象和光栅上出现回扫线的故障。
检修时,通过测量高放和中放AGC电压和Q\(_{8}\)01、Q802、Q\(_{251}\)、Q252的各极电压进行判断。如果测得高放AGC电压固定在1.8V左右,中放AGC电压固定在3.3V左右,说明AGC电路失控。为了进一步缩小故障范围,应分别测量键控管Q\(_{252}\)和AGC放大管Q251的各极电压。当测得Q\(_{252}\)的各极电压为:Ue≈4.8V;U\(_{b}\)≈4.2V;Uc≈6V,Q\(_{251}\)的各极电压为:Ue≈0V;U\(_{b}\)≈0.7V;Uc≈0.1V时,说明是AGC闸门二极管D\(_{252}\)击穿。当测得Q252各极电压为:U\(_{e}\)≈8.4V;Ub≈9V;U\(_{c}\)≈8.5V时,说明行输出变压器中的AGC键控脉冲输出端②、③有虚焊或断线等故障,使键控脉冲加不到AGC电路。这两种故障比较多见,结果在强信号进入时,图象消失。这时,予视放管Q801的U\(_{b}\)变为-2.5V左右,而Q801的U\(_{e}\)和Q802的U\(_{b}\)则变为零伏。
四、图象发生扭动并有黑滚道。
该机稳压电源的降压特性较好,当交流电网电压低到165V左右时,输出的直流电压仍能达到11.5V,使机器正常工作。当交流电网电压在170V以上,图象出现扭动和黑滚道时,说明稳压性能变坏,通常是由于整流二极管SR\(_{9}\)01—SR904中有一个烧断或者正向电阻变大造成的。(图①(b)SR\(_{9}\)01旁二极管遗漏,请补正)
易损坏元件的代用
一、部分晶体管、集成块的代用。
该机有部分晶体管和集成块容易损坏,如果没有原型号的器材可换,可用其它性能、参数类似的元件代用。表3列出了部分易损元件的代用型号,供检修者参考。
表3
代号 型号 用途 代用型号
SR901—904 1N4002 电源整流二极管 1Z2、2CZD2A
SR701 S1—155 中压整流二极管 2CGB、2CZ21B
SR703 S1—176 阻尼管 2CN1A、2CN2
Q703 2SC940 行输出管 3DD12B、3DD15C
Q101 LM1272 高放管 2G210、3DG56B
IC—601 UPC 1031HA 场扫描集成块 LA1385、1X0035TA
(进口)
二、行输出变压的代用。
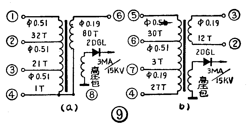
该机行输出变压器损坏率较高,由于该机采用的是一体化行输出变压器,低压包、高压包和高压整流二极管均密封在一起。损坏后难以修复,一般只能换新。在没有原配件的情况下,可利用原变压器的磁心,换上国内其他厂家生产的12英寸电视机的高、低压包和高压整流硅堆。例如北京牌842型电视机的行输出变压器,高压包和高压整流硅堆可直接采用,只需将低压包改绕一下即可。北京牌842型电视机的行输出变压器的电路图及绕制数据如图9(a)所示。改绕后的电路及数据如图9(b)所示,其抽头的序号与图1中的T702一致。改绕时要注意以下问题:①拆卸原变压器时,不要损坏磁心,②两组磁心之间的空隙垫片不要丢失,否则会使变压器产生磁饱和,增大行输出级电流;③注意初、次级线圈的同名端,抽头位置要与原变压器相同。
