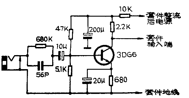
问:我买了一套本刊今年第1期刊登的广东中山县半导体一厂生产的17瓦集成功放扩音机,想用206电唱盘作信号源播送唱片信号,但发现该扩音机灵敏度不够,输出功率小,这是什么原因?如何解决?

答:该扩音机在设计时只考虑了与一般收、录机的外接输出插孔(或耳机输出插孔)相配接,如果读者想以一般电唱盘或收音机检波级输出信号作信号源,则灵敏度显得不足。要想提高扩音机的灵敏度并不复杂,可参照附图在扩音机输入端加一级电压放大级即可。图中接“套件整流后电源”指接本刊今年第1期第10页图1中整流后正电源一端。读者如果有元件可按附图自行加装。也可以寄款直接向广东中山县半导体一厂邮购。每套包括邮费在内共计3元。该电压放大板已调试好,可与原机直接配套。(蔡凡弟)