目前不少业余无线电爱好者喜欢用集成运算放大器安装高传真扩音机,但过去一些杂志介绍的这类扩音机,输出功率大多不超过10瓦。如果想用这种扩音机去推动用橡皮边低音扬声器制作的音箱,功率则显得不够。一些爱好者想单用提高电源电压的办法将输出功率提高到20瓦以上,结果功率没有提高,反倒将集成运放块烧坏了。下面向广大读者介绍几种提高输出功率的办法,以和大家共同探讨。
提高功率的障碍何在?
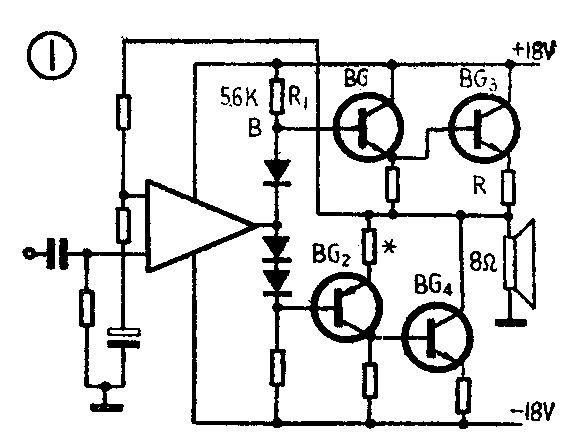
图1为一般集成运放电路扩音机功放级的电路图。为了分析方便,先假定采用稳压电源供电。

在一般情况下,无线电爱好者买到的末前级管及功放管均为业余品。末前级管的β值在40以上,功放管的β值在20以上。如果扩音机输出功率为10瓦,则在8欧负载上的电流的峰值可达1.6安。于是可以推算出BG\(_{1}\)、BG2的基极注入电流应该大于1600/20×40=2毫安。激励级运算放大器的最大输出电流可达5毫安,初看起来完全可以满足要求。但是输出10瓦时,输出端电位达到±13伏,这样B点的电位应该为13+2V\(_{eb}\)+1.6×R≈16伏。这时可以求出在峰值电压处流过电阻R1的电流为(18-16)/R\(_{1}\)=2/5.6K≈0.36毫安。由于二极管上的电流不能倒流,则注入BG1基极的电流全部由流过R\(_{1}\)的电流提供。前面曾讲过,注入BG1基极的电流应达到2毫安,而现在通过R\(_{1}\)提供的电流仅有0.36毫安,两者相差甚远,显然不可能输出10瓦功率。
提高功率的几个措施
1.为了提高输出功率,可如图2所示,分别在A、C点与输出端O点之间跨接两个电容,引入一定的正反馈,这两个电容叫自举电容。这样,随着输出电位的升高,A点电位也升高同样数值。这时,在峰值电压时流过R\(_{1}\)的电流可达到2.7毫安。其中有2毫安用来推动末级功率管,余下的0.7毫安由二极管流出。加入自举正反馈电容后还能带来如下许多优点:

①正反馈使R\(_{1}\)、R2的等效电阻增大了十倍以上,使运算放大器的负荷减轻,于是运算放大器的输出电压比不加自举电容时稍微增大。另外,当BG\(_{1}\)~BG4的β值很小时,为采用更小的R\(_{1}\)、R2创造了条件。
②大功率输出时产生失真的一个主要原因是β值下降所致,于是基极激励电流显得不足。正反馈可产生充足的激励电流,这就允许末前级采用低β管。经实验,末前级管的β值下降到10时电路性能也没有明显变化。我曾用β大约等于15的等外品3DA1作末前级,去推动β值为20等外品3AD95,当R\(_{1}\)=R2=2千欧时,放大器的性能也十分满意。如果不采用前述措施,当10瓦扩音机末级管的β值为20时,要求末前级最大输出电流应大于80毫安,其管子的β值应大于230,这是很难实现的。
③用于末前级的管子其耐压值一般要求较高。对于20瓦功率放大器,其耐压值应大于48伏。由于这里允许使用低β管,而低β管一般耐压较高,这就使耐压问题容易解决。
2.为了进一步提高输出功率,可采用图3电路。我们知道,运算放大器具有抑制共模电压的能力,例如,当电源电压为±15伏时,8FC2允许的共模电压为+6伏、-13伏;FC3允许±10伏;8FC4允±13伏等。在电源电压升为±18伏时,共模电压的各个数值也增加3伏。从另一方面看,如果我们假定输入电位不变,保持为零伏,而在正负电源上同时加上一个电位,比如加上+9伏,这时±18伏电源电压变为+27伏、-9伏。这种情况和固定电源电压为±18伏,而在输入端加上一个9伏共模电压应该是等效的。

在图3电路中,运放块的正负电源分别通过400欧电阻和A、C两点相连,因A、C两点通过自举电容和输出端相连,所以运放块的电源电压随着输出电压同相变化,其结果就会使输出电压在同方向也增大一个数值。这个数值和集成块电源电压的波动幅值一样大。经过计算不难求出,图3电路中B、D两点的电压波动幅值可达9伏,于是8FC2的电源电压变成+27伏、-9伏,于是8FC2的输出动态范围可达±22伏,用它激励的功率放大器,在8欧负载上可获得30瓦不失真功率;对FC3来说,输出功率可达42瓦;8FC4则可达到60瓦。当然,此时末级管的电源电压也应分别升为±26伏、±32伏、±37伏。
使用硅管时,末级大功率管的供电电压一般应比输出峰值电压高4~6伏。运算放大器的电源电压应低于18伏。两者之间的电压差别可由串入适当的电阻(图3中的R\(_{7}\)、R8)来解决。
对于8FC2这种正负端允许共模电压不相等的型号,还可以在输入端加上一个适当的共模偏置电压(如图4加入了一个-3.5伏偏压),使在电源端允许引入的浮动共模电压对称起来,于是输出电压幅度还能进一步提高到25.5伏,相当于输出功率为42瓦。

3.在一般功率放大器中,正负极性电源往往由交流电整流后直接供给。负荷加大时,由于电源内阻较大,整流电压下降,最大不失真输出功率将下降。例如,以图3电路而言,如果电源变压器铁心为GEIB19,铁心叠厚28毫米;初级为220伏,采用φ0.23漆包线绕1510匝,此时直流电阻为78欧;次级交流电压为18伏×2,采用φ0.62漆包线绕126×2匝,直流电阻为1.1欧×2;所用滤波电容为2000微法。在小功率输出时,直流电源电压可达±25伏。当输出功率加大到16瓦时,直流电源电压下降到±20伏,这就限制了输出功率的增加。
解决办法是加大变压器容量,使绕组的直流电阻减半,于是电源电压波动量减小,不失真输出功率就可加大。
4.作为激励级用的集成运算放大器的特性和功放级的性能有密切关系。采用开环频带宽的运放块可获得较好的高频特性。若开环带宽仅有10赫左右,则高频端的失真将严重增大。同时最大可输出功率也要显著下降。如果选用输出幅度大、允许共模电压高的运放块作激励级,将会获得更大的输出功率。
笔者用图3电路组装了一个功率放大器。末前级PNP管采用3CG3型管一只,β=15;另一只NPN管β=150,两者饱和电流均略大于60毫安;末级大功率管为3DD301,β=50;运算放大器采用8FC2;电源电压稳压在±25伏。此时实测性能为:当频率从40赫到10千赫时,输出功率为50毫瓦~27瓦;当频率从40赫到16千赫时,输出功率为50毫伏~20瓦;当频率从40赫~20千赫时,输出功率为50毫瓦~18瓦。失真度均小于0.28%(其中已包括测试仪器XDI型信号发生器本身的失真度0.1%)(朱颖)