不少人有这样的经验:在火车车厢中,如果不是靠近窗口,收音机的收听效果会大大变坏。这是为什么呢?原来火车车厢是一个大金属容器,它能阻止车厢外部的电磁波进入车厢中去。这就是我们通常所说的屏蔽作用。
屏蔽作用有时对我们有害,如上例就是。此外,在钢筋水泥建筑物里收看电视一般要加室外天线,否则由于钢筋网格的屏蔽作用,将会使电视图象质量变差,这又是一例。然而有时我们又要利用屏蔽作用来为我们服务。例如,在收音机、电视机等无线电设备中,为消除有害的寄生耦合,确保设备稳定可靠地工作,就必须采取各种屏蔽措施。
无线电设备中采取的屏蔽措施大体上可分为三类,即电屏蔽、磁屏蔽和电磁屏蔽。下面分别说明它们的工作原理。
电屏蔽
什么是电屏蔽呢?在电子设备中,通常我们听说的电屏蔽是指对高频交变电位通过静电电容(在实际问题中,就是我们常说的分布电容)造成的有害耦合进行的屏蔽。例如,在超外差式收音机或电视机中,都有多级中频放大器担任主要的放大任务。在中放末级输出端的高频电压便能通过元件以及引线之间的分布电容与小信号输入的高放级、混频级或中放前级形成寄生耦合,引起设备工作不稳,噪声增加甚至产生自激。电屏蔽的作用就是减小这种寄生耦合。

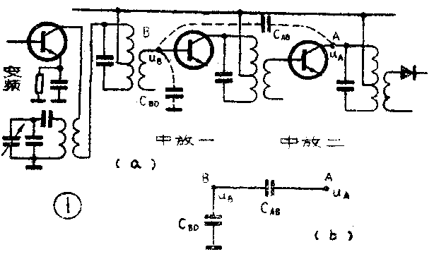
图1a是一个收音机的两级中放电路,中放二的集电极为高频高电位点A,设其电位为U\(_{A}\)(UA是有效值,图中标的是瞬时值),而中放一(小信号输入级)的基极为高频低电位点B。A、B之间各种分布电容可归结为C\(_{AB}\),B点到地的分布电容为CBD(见图1b)。显然,由于C\(_{AB}\)的存在,UA会在B点引起高频电位U\(_{B}\)。根据电容分压的公式可计算出
U\(_{B}\)=CABC\(_{AB}\)+CBD·U\(_{A}\)
C\(_{AB}\)越大,CBD越小,U\(_{B}\)就越大。由于这个UB不是前级送过来的信号,而是U\(_{A}\)通过CAB造成的干扰,因此它的出现就会使噪声增加,假如U\(_{B}\)与输入信号之间满足一定的相位和振幅条件,还会产生自激。
为减小这种影响,就应该设法减小C\(_{AB}\),加大CBD,最简单的办法,当然是使A、B远离,即中放前级与末级远离,因为C\(_{AB}\)与A、B之间的距离成反比。所以当考虑多级中放电路的结构布局时,就应将各级依次排列成一条直线或L型,而不能密集在一处(见图2)。可是增加A、B之间的距离要受设备空间的限制,是有限度的,因此还需另想办法。


如果在A、B之间放一块接地良好的金属板(见图3a),这时,A、B间的电容C'\(_{AB}\)是绕开金属板而存在的,距离大了,所以 C'AB<C\(_{AB}\)。新出现的电容C'BD则与C\(_{BD}\)并联,当然 C'BD‖C\(_{BD}\)>CBD,这样由U\(_{A}\)在B点形成的UB就变成了U\(_{'}\)B(见图3b),而且
U'\(_{B}\)=C'ABC'\(_{AB}\)+CBD‖C'\(_{BD}\)·UA
显然,U'\(_{B}\)<UB,即金属板减小了U\(_{A}\)在B点引起的高频电位,这就起到了一定的屏蔽作用。金属板越大。C'AB越小,C'\(_{BD}\)越大,U'B就越小。若把金属板改为壳体容器,将A点或B点罩起来,C'\(_{AB}\)就极小,大大削弱了A对B的影响,屏蔽作用也就更好。

需要说明,如果金属屏蔽体不接地或者接地不良,屏蔽作用就要变坏。例如,设图4a中的金属板不接地,在忽略C'\(_{AB}\)的情况下,其等效电路如图4b所示,这时B点电位为U″B,且
U″\(_{B}\)≈CBFC\(_{BF}\)+CBD·C\(_{AF}\);CAF+C\(_{FD}\)·UA
式中C\(_{FD}\)是金属板F不接地时与地之间的分布电容。显然,该式中的U″B未必比屏蔽之前的U\(_{B}\)小,当CBF>>C\(_{BD}\),CAF>>C\(_{FD}\)时,甚至会有UB″≈U\(_{A}\)。这时 U″B反而比屏蔽前的U\(_{B}\)大了!因此该屏蔽物反而起了坏作用。所以作为电屏蔽的金属板或容器必须接地良好,绝不允许悬空或通过较长的引线再去接地。
作为电屏蔽的最典型的例子,就是电源变压器初次级绕组之间所加的屏蔽层。我们常在电路图中见到图5a的符号,其中虚线就代表屏蔽层。它是在制作变压器时,在初次级绕组之间专门加绕的一层铜箔或铅箔或单层密绕漆包线(注意不允许构成短路环)。我们知道,电源线也能起天线的作用,各种高频电磁干扰被电源线接收下来,便能经电源变压器初次级绕组之间的分布电容进入设备内部,并造成干扰。加屏蔽层并接地以后,就大大减小了初次级间的分布电容,从而起到屏蔽作用。

磁屏蔽
收音机出现的交流哼声,有时是由于电源滤波不良造成的,但也有时是由于低放级附近的变压器、扼流圈、马达等产生的交变磁场耦合到低放级的输入端造成的。在电视机中,如果显像管(靠磁场偏转)和变压器靠得很近,则由于变压器低频磁场的干扰,可能使光栅的几何形状发生畸变。象这种电路之间或器件之间由于低频磁场而引起的耦合干扰,也可以用屏蔽的方法加以消除,这就是通常所说的磁屏蔽。怎样进行磁屏蔽呢?一般是用导磁率很高的材料作成容器,把产生干扰的部分(或易受干扰的部分)包起来,使磁场(磁力线)被限制在屏蔽体内和集中于磁阻很小的屏蔽体之中(或不能进入屏蔽体内)。图6就是用铁氧体或坡莫合金等高导磁率材料作成的壳体容器,通电流的线圈产生的磁场被限制在壳体内而不能辐射出去,这就防止了它对外界电路的干扰,同时也防止了外界磁场对它的干扰。在一些电信设备中,也常用磁盒将线圈密封起来,效果更好,如图7所示。一般的软磁材料如电工钢板甚至低碳钢板(俗称软铁板)等也都具有较好的导磁能力,而且成本低廉,因此有些电源变压器用厚电工钢板作成的壳体包起来进行磁屏蔽。


可是,磁屏蔽与电屏蔽不同,即使是用导磁金属材料做屏蔽壳,壳体接地与否也不影响屏蔽效果。当然,这时希望金属材料的导磁率要高。此外,从屏蔽原理来看,如果用良导磁材料做变压器铁芯,使绝大部分磁力线集中于磁路之内,漏磁很小,实际上也起到了屏蔽的作用,这时就不一定非加屏蔽壳不可了。
电磁屏敝
工作于高频的电路或器件周围是有交变电磁场即电磁波辐射的,而且交变电流的频率越高,幅度越大,电磁辐射就越厉害,对周围电路的影响也就越大。这常是造成干扰的主要因素。如电视机中的本振电路屏蔽不良时,在相距30米处其辐射场强还可达每米十几微伏,而行扫描输出级电路及高压变压器更是工作于高频高压状态,高压变压器次级脉冲电压可达一万至两万多伏!其电磁辐射就更严重,用示波器的探头远在几十公分之外就能接收到它,并在示波器上看到逆程反峰脉冲的波形。由于这种高频电磁辐射既有变化的电场,又有变化的磁场,而且两者是密不可分的,所以这时采取的屏蔽措施应该是电磁屏蔽。通常我们所说的屏蔽也主要是指电磁屏蔽。
用来进行电磁屏蔽的材料都是低阻金属材料,用这种材料作成屏蔽容器,将被屏蔽的电路或器件密封起来,利用金属材料在高频电磁场中产生涡流的现象起到屏蔽作用。例如在图8中,假设A处有高频电磁场(图中只画了磁场),为了减小它对B处的干扰,在A、B之间加入金属板。若此板与交变磁场方向垂直,则金属板上就会感应出涡流,而涡流本身又会产生与原磁场方向相反的反磁场,只要金属板的电阻很小,涡流就会很大,反磁场就强。由于反磁场抵消原磁场的作用,B处的交变磁场就被大大削弱,即金属板起到了屏蔽作用。当把金属板作成壳体容器,把A或B处的电路包起来时,屏蔽作用自然更好。

这里虽然是从屏蔽交变磁场的角度来说明的,但因为高频电磁辐射中的电场和磁场密不可分,所以对辐射磁场的削弱就是对电磁辐射的屏蔽作用。显然,我们并未要求屏蔽物接地,因为涡流是在板上流通,与接地与否无关。而为减小涡流损耗,要求金属材料的电阻率越小越好。如果再把屏蔽物接地,那就同时兼有了电屏蔽作用,所以高频电路中使用的屏蔽壳体总是接地的。
我们常用的中周,实际上是多重屏蔽,内部用磁杯构成了磁屏蔽(见图9)。外部壳体(图中未画)通常又总是接地的,所以既有磁屏蔽同时也兼有电屏蔽的作用,其屏蔽效果很好。

下面我们再谈谈与屏蔽有关的几个实际问题。
(一)导线的屏蔽:电路或元件间的引线如有高频电流流过也会造成电磁辐射干扰其它电路。反之凡是小信号工作的电路,其输入引线若接收了外界电磁辐射的干扰,对其工作影响很大。所以关键部位的引线也应加以屏蔽。如收音机或电视机的音量控制电位器与检波级和低放输入处的引线,就应该用隔离线相连,并将其外皮很好地接地,以起屏蔽作用(见图10)。但屏蔽高频电路的引线时,为减小损耗,就要采用同轴电缆。当然,外皮也要接地良好。例如电视机的高频头与中放,高频头与天线阻抗变换器之间的连线就要用电缆,若用隔离线代替,信号损失很大,又会产生反射,严重影响整机工作。

(二)正确地使用元件:许多无线电元器件在生产中已经考虑了屏蔽作用,应当正确使用。比如,有些卷绕的电容器,把外层金属极板片的引出线标注出来,在外壳上印有园环(见图11a)。使用时就应将这个引出端接地或接低电位点,以便起到屏蔽作用。又如,许多高频小功率晶体管象3DG15,3DG80等,金属管壳也单设一根管脚(见图11b),使用时此脚也应接地。

(三)直流电场的影响:电视机的高压部分直流电压可达一万伏至两万五千伏,所以会在其周围形成很强的直流电场。一般说来,直流电场不会干扰工作于交流信号的电路,但是,如果和具有低电位的部位如地线、各种引线及元件之间绝缘不够,再加上周围空气潮湿,或者结构及焊接上有尖角毛刺等,便会由于强电场的作用而导至击穿打火。打火则形成高频电脉冲干扰。为排除此干扰就应使高低电位点远离并加强绝缘。如在彩色电视机中多把高压部分的元件用高绝缘材料(环氧树脂或硅橡胶等)灌封起来,就是为了这个目的。

(四)屏蔽壳的孔洞和缝隙问题:被屏蔽的电路或器件,有的需要调整,如中周;不需要调整的也要有引出线与其它电路连接,这就要求在屏蔽壳上开孔洞或留有缝隙。这些孔洞或缝隙是否会影响屏蔽效果呢?从电屏蔽的原理可知,不大的孔洞对电容容量影响不大,所以不会影响电屏蔽。而对磁屏蔽则不然,如果缝隙和磁力线平行,则磁力线就会外溢(见图12a),破坏屏蔽作用。只有缝隙与磁力线垂直,而且缝隙较小时,才不至破坏屏蔽效果(见图12b)。(闻芒)