电子设备一般都需要稳定的直流电源,而电网电压却是交流的,为了把交流电变成直流电,必须采用整流滤波电路。整流滤波后的直流电源是否就能满足电子设备的需要呢?一般说来还不能,因为电网电压是不稳定的,国家规定电压变化只要小于10%就是正常的;另一方面,作为电源的负载也经常发生变化。以上两种变化都会引起直流电源电压的变化,使直流电源不稳定。为了解决这个问题,通常都是在整流滤波后加稳压电路。本文将介绍各种晶体管稳压电路及它们的工作原理。
最简单的稳压电路
图1是直接用稳压管组成的最简单的稳压电路。其中D为稳压管,R为限流电阻,V\(_{i}\)为整流滤波电路输出的直流电压,也就是稳压电路的输入电压,RL为负载电阻,I\(_{0}\)为负载电流,V0为稳压电路的输出电压。

这个电路是怎样稳压的呢?这需要从稳压管的特性谈起。图2是稳压管的伏安特性曲线,由该曲线可见,当稳压管的反向电压大于V\(_{Zmin}\)以后,稳压管便反向击穿,这时,其反向电压只要再增加极少一点,反向电流就会增加很多。该电路所以能够稳压,正是利用了稳压管的这一性能。下面我们详细分析图1电路的稳压过程。先分析输入电压变化,负载电阻不变的情况。假设输入电压Vi升高而引起输出电压V\(_{0}\)变大,因为负载电阻与稳压管并联,V0就加在稳压管两端,所以V\(_{0}\)只要增大一点,从图2曲线可知稳压管的电流IZ就会增加很多,于是通过限流电阻R的电流I\(_{R}\)也将增大,并使R上的电压降增大。R上电压降增大,实际上就会抵消输入电压Vi的上升,或者说,V\(_{i}\)上升的部分,几乎都降在电阻R上了,这就保证了输出电压V0基本不变,起到了稳压作用。

下面再分析负载变化而输入电压不变的情况。假设负载电阻R\(_{L}\)减小,如果这时不增大I0,则V\(_{0}\)必然减小。怎样才能增大I0呢?显然,若靠增大总电流I\(_{R}\)是不成的,因为V0=V\(_{i}\)-RIR,V\(_{i}\)和R不变,IR增大,也会使V\(_{0}\)减小。实际上只要V0减小一点,就会引起稳压管电流I\(_{Z}\)减小很多,IZ减小的部分便自动补充到I\(_{0}\)上,使I0增大,从而保持输出电压V\(_{0}\)基本不变。
由以上分析可以看出,在这种电路里,稳压管是通过调整流过它自身的电流来保持输出电压稳定的。但是,这种调整作用是有条件的,第一,当输入电压V\(_{i}\)最小而负载电流I0又最大时,流过稳压管的电流最小,但这个最小值必须大于手册上规定的稳压管最小稳定电流I\(_{Zmin}\),否则,稳压管将不能反向击穿,不具稳压特性。第二,当Vi最大而I\(_{0}\)又最小时,流过稳压管的电流最大,但这个最大值又必须小于手册上规定的稳压管最大稳定电流IZmax,否则稳压管将被烧坏。限流电阻R就是根据这两点要求进行选择的,所以R必须满足
\(_{Zmax}\)+I0min<R<V\(_{imin}\)-Vz;I\(_{Zmin}\)+I0max
式中V\(_{imax}\)和Vimin分别为输入电压的最大值和最小值,1\(_{0}\)max和I0min分别为负载电流的最大值和最小值。
这种电路虽然简单,但有一个很大的缺点,即负载电流的变化全靠稳压管的电流来补偿。目前小功率稳压管的最大稳定电流只有十几毫安到几十毫安,这就使电源输出电流受到稳压管最大稳定电流的限制,如果要求负载电流较大(如500mA),一般小功率稳压管就无法进行调整了。通常所说的硅稳压管稳压电路的容量小,就是指的这个意思。所以这种电路作为电源实际应用很少。但是各种类型的稳压电路所需要的基准电压,一般都是由这种电路提供。如果稳压管选用高精度的2DW7,则由它构成的基准电压可以代替标准电池。
简单串联型稳压电路
由上面的分析知道了图1所示的稳压电路的容量小,能不能利用晶体管的电流放大作用扩大它的容量呢?能。图3就是把图1和射极输出器结合起来构成的一种稳压电路叫作简单串联型稳压电路。设图3的负载电流I\(_{0}\)为500mA,显然,I0就是射极输出器的射极电流I\(_{e}\),而它的基极电流Ib就是简单稳压电路的输出电流。如果晶体管的β=50,那I\(_{b}\)=Ieβ=500mA;50=10mA。由此可见,I\(_{b}\)在10mA范围内变化时,I0将在500mA的范围内变化,这就扩大了电源的容量。而且挑选稳压管也比较容易了。

将图3改画成图4的形式。这就是我们常见的简单串联型晶体管稳压电路的习惯画法。晶体管BG称为调整管,由于它与负载串联,所以叫作串联型稳压电源。V\(_{Z}\)为基准电压,由图4可以看出,V0=V\(_{Z}\)-Vbe。由于晶体管BG的V\(_{be}\)较小,所以输出电压基本上等于稳压管的稳压值VZ。

下面我们简单分析一下图4电路的稳压过程。不管是输入电压的变化,还是负载电阻的变化,如果引起输出电压发生变化,该电路都能把这个变化限制在一个很小的数值范围内,以致可以认为输出电压基本不变。例如,若输出电压V\(_{0}\)下降,由于VZ不变,所以这时调整管BG的V\(_{be}\)必然增大,接下来便是Ib增大、I\(_{0}\)增大、V0上升。这就是说,通过一连串的控制作用,能够把输出电压的变化拉回来。当然,实际的稳压过程V\(_{0}\)并不是先下降,后上升,而是V0刚开始变化就稳定在某一数值上,而这个数值十分接近稳定输出电压值。
在上面的分析中,我们认为V\(_{Z}\)不变。由图2所示的曲线可以看出,当流过稳压管的电流发生变化时,稳压管两端的电压也略有变化。这个变化的电压和变化的电流之比,称为稳压管的动态电阻。动态电阻的数值一般都很小(说明电流变化时,电压变化极小),但并不等于零。因此当输入电压上升时,VZ也要上升,这就必然使I\(_{b}\)上升,并引起调整管电流上升,使输出电压增加。所以为了提高这种稳压电路的稳压效果,应尽量选用动态电阻小的稳压管。
简单串联型稳压电路由于扩大了容量,自然其应用范围也随着扩大,一般在要求稳压指标不太高的地方均可采用。例如,它可以作一般晶体管收音机的稳压电源。图5就是北京市电子技术普及服务部出售的供晶体管收音机用的稳压电源电路。其中整流二极管D\(_{1}\)~D4可用3AX25型晶体管的集电结代替,稳压管D\(_{5}\)可用3DG或3DK型晶体管的发射结代替(它的反向击穿电压大约在5.8V~6.5V之间),调整管为3AX型,C1、C\(_{2}\)是为旁路由电源线串入的电台信号而加的,取值可为0.047~0.1μ。

带放大环节的串联型稳压电路
简单串联型稳压电路的不足之处在于输出电压是固定的,不能调节。另外,上边也谈到,由于调整管的基极电位固定,因此其稳压过程是靠输出电压自身的变化来完成的,稳压效果不够好。如果不让调整管的基极电位V\(_{b}\)固定,而使它受输出电压的控制,并且和输出电压的变化方向相反,稳压效果就可以提高。带放大环节的稳压电路就是从这点出发进行设计的。
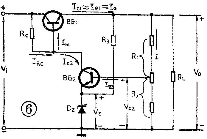
图6是带放大环节的稳压电源的典型电路。BG\(_{1}\)是调整管,BG2是比较放大管,R\(_{c}\)是BG2集电极的负载电阻,R\(_{3}\)与DZ提供基准电压V\(_{Z}\),R1和R\(_{2}\)为取样电阻。

该电路怎样建立正常的工作状态呢?加上输入电压V\(_{i}\)以后,从Vi的正端出发通过 R\(_{c}\)→BG1的发射结→取样电阻R\(_{1}\)、R2回到V\(_{i}\)的负端,从而产生调整管的基极电流Ib1,随之产生I\(_{e1}\)。Ie1在R\(_{1}\)、R2上建立起输出电压V\(_{0}\),V0一方面通过R\(_{3}\)使稳压管击穿产生基准电压VZ,另一方面又通过R\(_{1}\)、R2的分压在R\(_{2}\)上获得电压Vb2。V\(_{b2}\)加在比较放大管BG2的基极,V\(_{Z}\)加在BG2的发射极,于是建立起V\(_{be2}\),产生Ib2,随之产生I\(_{c2}\)。这样便建立起正常的工作状态,这时IRC=I\(_{b1}\)+Ic2。
下面再简单介绍一下该电路的稳压过程。当输出电压V\(_{0}\)变化的时候,例如,设V0升高,由于R\(_{1}\)、R2分压的关系,V\(_{b2}\)也跟着升高,随之Ic2升高,并使R\(_{c}\)两端的电压降升高,这就使调整管的基极电位下降,迫使Ib1、I\(_{e1}\)(即I0)、V\(_{0}\)都跟着下降,因而基本上抵消了原来输出电压V0的上升,使输出电压基本保持不变。说到这里我们就会明白,为什么把BG\(_{2}\)叫作比较放大管。 BG2的射极接基准电压,基极接分压电阻,所以基极电位能直接反映输出电压的变化,该变化和基准电压V\(_{Z}\)进行比较,并经BG2进行放大,所以把BG\(_{2}\)叫比较放大管。由于BG2的集电极和BG\(_{1}\)的基极接在一起,所以BG1基极电压的变化和输出电压的变化方向相反。例如,当输出电压下降时,BG\(_{1}\)基极电压上升,两者并同作用的结果,将使调整管电流有较大幅度的增长,这就使输出电压下降得少,因此稳压效果好。而对图4来说,由于基极电位固定,当负载电阻变小时,只能靠输出电压的减小来增大输出电流,所以输出电压变化较大,稳压效果就不如图5好。
一般在设计电路的时候,总是使取样电阻R\(_{1}\)、R2上的电流I远大于BG\(_{2}\)的基极电流Ib2,如果再忽略BG\(_{2}\)的Vbe2值,则根据R\(_{1}\)、R2的分压关系可得:V\(_{Z}\)≈R2R\(_{1}\)+R2V\(_{0}\),将该式加以变换则得:V0≈R\(_{1}\)+R2;R\(_{2}\)VZ。由此式可见,只要改变R\(_{1}\)、 R2的比例,便可调节输出电压V\(_{0}\)的大小,这就克服了简单稳压电路输出电压不能调节的缺点。
该电路应用范围很广,电视机电源,电子设备的专用电源以及各种通用电源,大都采用这种电路,有些晶体管收音机电源,也采用这种电路。
进一步改善稳压电路的性能
上面谈到的串联型晶体管稳压电路是最基本的电路,为了进一步提高稳压效果或扩大某种功能,还可以采用各种各样的改进措施,下面举几个例子说明。
(一)用恒流源代替R\(_{c}\)。前面谈到,BG2集电极负载电阻R\(_{e}\)上的电流IRc=I\(_{b1}\)+Ic2,I\(_{c2}\)上升,则Ib1下降,反之亦然。因此输出电压通过I\(_{c2}\)间接控制调整管的Ib1。为了提高稳压效果,我们希望I\(_{Rc}\)不变,那么Ic2变化多少,I\(_{b1}\)就相反地变化多少,这样就能更灵敏地控制调整管。采用恒流源代替Rc便可达到这个目的。图7是采用恒流二极管的电路,图8采用了晶体管恒流源电路。


(二)增加上辅助电源。在图6所示的电路里,引起输出电压变化的一个重要途径就是R\(_{c}\)接在不稳定的输入端,输入电压的变化将通过Rc使I\(_{b1}\)、Ie1发生变化,从而使输出电压也发生变化。能不能把R\(_{c}\)接在稳定的输出端,从而破坏这个不稳定的因素呢?不能简单地这样作。前面谈到,输入电压还要通过Rc建立地I\(_{b1}\),如果Rc不接输入电压,就无法产生I\(_{b1}\),稳压电路也就建立不起正常的工作状态。所以关键是想办法产生Ib1。我们可以给R\(_{c}\)串接一个电池E上(见图9),使E上给调整管提供I\(_{b1}\),这样,当有输入电压时,便能产生Ie1,从而建立起正常的输出电压,同时也甩掉了输入电压这个不稳定的因素。实际电路中E\(_{上}\)并不采用电池,而是从变压器次级多绕一组线圈,该线圈上的电压经整流、滤波和稳压后便可代替E上,这就是所谓的上辅助电源(见图10)。


以上我们仅列举了两例,实际上为了提高稳压效果以及扩大功能,可以采取的措施还很多。例如,用差分放大器代管单管比较放大器,可以改善稳压电源的温度稳定性。又如,假如调整管的β值不高可以采用复合管,最大输出电流不够可以把调整管并朕使用。有些电源还需考虑在过载或短路的情况采取保护措施等等。限于篇幅,这里不详述。(赵学泉)