如同黑白电视机一样,彩色电视机电路也设有处理黑白图象信号的视频通道,一般称它为“亮度通道”,又因为反映黑白图象的亮度信号用“Y”代表,所以又称为“Y通道”。
北京牌834型彩色电视机的亮度通道包括:四级视频放大、自动清晰度控制及亮度延迟线等部分,其方框图及电路图分别见图1和图2所示,下面分别介绍它的各部分组成及工作原理。


第一视放
第一视放是一级射极跟随器,见图2有关部分,它的频带很宽,输入阻抗很高,输出阻抗很低,可以带动很多负载,有亮度通道的后面各部分、色度通道、消噪、同步分离、AGC电路等等。
第一视放由BG\(_{11}\)等组成,其中L211\(_{、}\)C309组成并联谐振回路,对视频带宽进行补偿;R\(_{221}\)为前面检波级的负载电阻,C232为R\(_{221}\)的交流接地电容;R301为本级集电极电阻;C\(_{3}\)08为高频旁路电容;R320为发射极负载电阻。
第一视放输出的信号和检波级输出的信号一样,也为全电视信号,波形如图3a所示,其亮度信号频谱宽度为0~6MHz,色度信号频谱为4.43MHz±1.3MHz,如图3b。

由于在彩色全电视信号中,不仅包含亮度信号,还包括有色度信号,若不采取措施,色度信号会干扰图象亮度信号,引起图象上的亮点干扰。为此,在第一视放级之后,设置有自动清晰度控制电路。
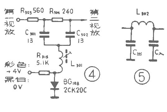
自动清晰度控制电路
自动清晰度控制电路包括副载波吸收网络及自动清晰度开关两部分,其电路如图4。其中R\(_{3}\)04、C301、C\(_{3}\)02、L301等组成桥T型副载波吸收网络,BG\(_{1}\)08、R315组成自动清晰度开关,R\(_{3}\)03是隔离电阻。当接收彩色电视信号时,控制电压为+4V,通过R315加到BG\(_{1}\)08的正端,使其饱和导通。将 L301下端接地,这时副载波吸收网络起作用,将全电视信号中的彩色副载波陷掉,理想情况下,只留下亮度信号,见图3c、d;当接收黑白电视广播节目时,若不把副载波吸收网络断开,会使亮度信号损失,影响图象的清晰度。所以该电路在接收黑白电视节目时,能使二极管的控制电压自动变为0V,使二极管截小,副载波吸收网络不起作用,保证了亮度信号不受损失。

第二视放
第二视放是亮度信号放大级,同时对比度及亮度控制也设在这一级,它由 BG\(_{12}\)(3AG48)等组成,电路见图2有关部分。它的集电极负载是亮度延迟线YC1和R\(_{3}\)05,R305同时也是YC\(_{1}\)的匹配电阻。R311是延迟线输出负载电阻,C\(_{3}\)06将R311下端交流接地。亮度延迟线的负载是第三视放BG\(_{13}\)。R313、W\(_{314}\)、R309、W\(_{31}\)0、R302、W\(_{312}\)为发射极直流偏置元件,其中W314为亮度调整电位器.W\(_{31}\)0为亮度预调电位器。W312为对比度调整电位器,它和C\(_{3}\)07组成对比度控制电路。调整W312可以改变BG\(_{12}\)发射极交流负反馈量,从而控制本级的输出信号幅度。
延迟线YC\(_{1}\)的输入阻抗R入≈1.5K,它与R\(_{3}\)05为并联关系,所以本级集电极交流负载为:RL=R\(_{入}\)×R305/R\(_{入}\)+R305≈820Ω。当对比度电位器W\(_{312}\)调至下端时,电容器 C307将 W\(_{312}\)全部短路,使发射极交流负反馈电阻Re=R\(_{3}\)02为最小值,使反馈量最小,增益最高,即K高=R\(_{L}\)/Re=R\(_{L}\)/R302=820/270≈3倍,此时对比度最大;当W\(_{312}\)调至最上端时,BG12发射极交流负馈电阻R\(_{e}\)=R302+W\(_{312}\)为最大值,反馈量最大,增益最低,即K低=R\(_{L}\)/Re=R\(_{L}\)/R302+W\(_{312}\)=820/270+1.2K≈0.56倍,这时对比度最小。根据计算,当对比度最大时,频带最窄(0~2.2MHz),对比度最小时,频带最宽(0~6MHz)。为了保证有一定的频带宽度,在发射极电阻R302上并联C\(_{3}\)03、R307,以减少高频负反馈,进行高频补偿;在集电极和延迟线之间串联一个电感L\(_{3}\)02,与本级输出电容和延迟线的输入电容形成π型补偿网络(见图5),也是进行高频补偿用的。
亮度信号经第二视放放大、反相之后,输出负极性亮度信号(即-Y),其最大幅值为2.8Vpp。
亮度延迟线
由于色度通道的频带宽度(1.3MHz左右)与亮度通道的带宽(6MHz左右)相差较大,所以色度信号通过色度通道时,产生的延迟时间(约为t\(_{CD}\)≈1/1.3MHz≈0.8μS)和亮度信号通过亮度通道时,产生的延迟时间(约为tBD≈1/6MHz≈0.17μS)之差为td=t\(_{CD}\)-tBD≈0.6μS=600ns(毫微秒)。这表明色度信号落后于亮度信号,而不能重合如图6a。对于20英寸的彩色电视机来说,其屏幕宽度400mm,正程扫描时间为52μS,色度信号落后于亮度信号的距离1=400×0.6/52≈4.6mm。为了使色度信号与亮度信号重合如图6b,在第二视放级之后,加了一只亮度延迟线YC\(_{1}\)(也称为视频延迟线)。

亮度延迟线一般有:分布参数型延迟线和集中参数型延迟线两种。分布参数型如图7a所示,它是在一根塑料骨架上,按一定规律绕很多圈漆包线,线圈和骨架之间还衬托着一条铜片,作为地线。这样,线圈和地之间形成一分布电容,相当于很多节LC回路如图7b,每一节LC回路造成的延迟时间可根据t\(_{延}\)=\(\sqrt{2}\)\(^{L}\)C计算出来,多节LC串联起来便可满足延迟600ns时间的要求。

集中参数型延迟线由18~20节LC元件组成如图8所示,我国彩色电视机所用为600nS延迟线,特性阻抗为1.5K左右,带宽为4~5MHz。

第三、四视放
第三、四视放是两级射极跟随器串接工作的见图2。由于第三、四视放处在亮度延迟线和矩阵电路(即视放末级)之间,所以对它有三方面要求:
1.输入阻抗高,以免影响延迟线的特性。第三视放这里选用的是3AG48晶体管,它的β值约100,则输入阻抗Z\(_{入}\)=βR356=100×3.9K=390K,远大于延迟线输出阻抗(1.5K)。
2.输出阻抗低,以便使组成矩阵电路的三个发射极并联的视放末级,共有内阻非常小的推动级,防止三个视放末级通过公共推动级内阻互相反馈,同时可以有足够的推动功率。这里第四机放选用的是3CK3D型晶体管,β值在50以上。已知延迟线的输出阻抗为R\(_{出}\)=1.5K,它和R311并联后阻抗R\(_{并}\)=1K。经过两级射极跟随器后将降低为Z出=1K/100×50=0.2Ω这个阻值已能满足要求了。
3.频带要宽,以免影响整个亮度通道的带宽。由于这两级都是接成射极跟随器形式,具有很强的负反馈,所以频带很宽,不会对亮度通道带宽有影响。
整个亮度通道的频带宽度主要由第二视放和亮度延迟线决定。第二视放带宽,在对比度最小时为0~6MHz;在对比度最大时为0~2.2MHz。考虑到采取了一些补偿措施和亮度延迟线的影响,综合起来,其频率特性及带宽如图9所示。

由于在第三视放级输入端又加入了行消隐信号,所以输出信号波形如图10所示。
最后我们要说明的是:北京牌834型彩色电视机的整个亮度通道,都是采用直接耦合的,没有隔直流电容,这样,就保证了直流成分的传输,使电视机所显示的画面的背景很真实。当然现在也有些彩色电视机的亮度通道采用的是电容耦合电路,但它们同时都采用了直流恢复电路,所以效果也很好,对此这里不再赘述了。(赵顺活 王锡城)