问:一台日本生产的BB—140CD·U型14英寸黑白电视机,在看完关机50秒钟后,屏幕中心往往出现小亮点,如何消除?

答:这种机子具有消亮点电路,但当消亮点电路的RC时间常数偏小时,就会出现上述故障。修理时先小心地取下显象管管脚处的一小块印刷电路板(线路如图所示),然后将 C\(_{2}\)07(1μ/100V)和R215(10K)焊下,用一个耐压相同的10μ/100V电容代换C\(_{2}\)07,用一个100KΩ的电阻化换R215,故障即能排除。(张国民)
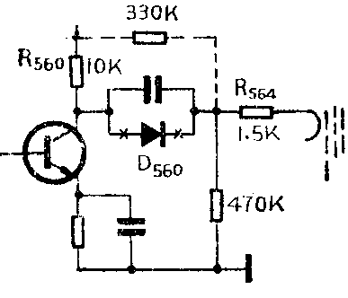
问:一台飞利蒲12英寸电视机的图象亮度经常随外界讯号的强弱而变化,一会儿亮得刺眼,一会儿又暗淡无光,收看时须不停地调节亮度旋扭,如何解决?

答:遇到这种情况,可以将原电路视放到显象管阴极的直接耦合改成电容耦合,使显象管的阴极电压不受图象讯号的牵制,从而使亮度稳定下来,具体做法是将二极管D560取下,然后如图中虚线所示加接一个33OK的电阻。加接电阻的目的是给阴极一固定电压,以配合亮度调节在适当范围内调整。(张新柱)
问:一台海燕31J—3型电视机光栅上有继续的黑点和黑线干扰,这是什么原因?
答:出现这种现象往往是由于行输出变压器U型磁芯的紧固螺杆与印刷电路板接地联结点的螺帽松动引起接地不良,局部打火所造成的。由于打火点在印刷电路板的圆孔内,上面又有接地焊片挡住,火花小,声音轻,不易被发觉,把螺帽拧紧,故障即消除。(吴樊梁)
问:按长城JTH—122型12英寸电视机自装一台,收看良好,关机2~3秒钟后,屏幕中心出现一细小亮点,何故?
答:长城牌JTH—122型电视机是采用联合设计电路。这种电路虽然有良好的亮点消除措施,但使用业余品电解电容器装配时6C24容量偏低。这样,关机后阻止电子到荧光屏的时间小于显象管阴极热情性时间。关机后亮点虽然不会立即出现,但隔了二、三秒后,屏幕中心会出现亮点。
解决的办法要视情况而定:假如亮点出现较晚而且亮度不大,换一只正品一试;如果亮点出现较早,就要在敷铜板有铜箔一侧并联一只2.2~4.7μ/160V电解电容。(冯万城)
问:有一台罗马尼亚生产的E31—110°—720S电视机行输出管T\(_{3}\)06BU407D损坏,不知能否用国产大功率晶体管代换,怎样代换?
答:该机行输出管 T\(_{3}\)06BU407D,是由一只高反压大功率晶体三极管和一只阻尼二极管组成的复合管,只要其中一管损坏,复合管就不能正常工作。目前国内还不生产这种复合管,但可用一只高反压大功率三极管和一只阻尼管按下图所示联接起来代替BU407D。高反压大功率三极管可选用一般12英寸黑白电视机的行输出管3DD15D、3DD50C等,阻尼管可选用国产12英寸机用的阻尼管2CN1、2CN2、2CN85F等。高反压大功率三极管需加散热板,可以把它固定在原BU407D的散热板上。(汪锡明)

问:为什么一些高档的盒式收录机中设置编辑开关?如何使用这一开关(按键)?
答:所谓编辑开关(EDIT SWITCH)是一个控制录音磁头上录音电流的开关。接通此开关,就切断了录音电流,这时磁带仍在运行,结果就得到一段空白带。断开该开关录音电流接通。编辑开关主要有两个用途:(1)收录机在自录广播节目时,如果不希望把插在节目中间的广告录入磁带,可将编辑键按住,信号就录不进了。放开按键,又能继续录制所需要的节目。(2)在自己录制可以用于人工选曲或自动(电脑)选曲的磁带时,每首歌曲之间按放音速度应留有3~5秒钟的空白带。如果想从广播、唱片、以及原版磁带中取出某几首歌曲编辑到自制的磁带中去,每录完一首歌曲将编辑键按下3~5秒钟(这段磁带就作为节目之间应留的空白带),再把编辑键松开,即可继续转录了一首歌曲,照此方法把选用的歌曲节目录满磁带。这样,每首歌曲之间都留有3~5秒钟的空白带,以便用于人工选曲或自动选曲的机器中放音。由于以上原因,在一些带有电脑选曲装置的高档盒式收录机中,普遍设置了编辑开关(按键)。(吴大伟)
问:我有一台CONIC V—130型录音机发生了故障,固定螺丝全部卸下来了,但是机芯然旧拿不出来,不知何故?
答:这种机器机芯拿不出来的原因是计数器的塑料罩与机壳粘住了,计数器塑料罩与机壳粘住的原因是它与喇叭离得太近。而喇叭与机壳是靠胶水粘住的。组装时由于涂胶过多,流到计数器塑料罩上,使其与机壳粘住,所以机芯拿不出来了。遇到这种情况,只有轻轻晃动机芯,使计数器与塑料罩分离开,机芯就可拿出来了。(赵楠)
问:用1.5伏、3伏、4.5伏供电的收音机可否改用6伏供电?
答:这样做是不可以的。因为收音机中各级晶体管的直流工作点是根据额定电源电压设计的。如果电源电压提高了,各晶体管的工作点均变高了,使得整机工作不稳定,产生自激、啸叫、失真,甚至损坏晶体管或电解电容器等元件。(林伟武)
问:我有一台日本SANYO公司9930K收录机,使用月余,机内LA4112、LA3361两种型号集成电路坏了,请问国内可有代用品?
答:LA4112是集成音频功率放大器,9930K机内共用两块LA4112,分别用做左、右通道低频放大器。国产同类型产品有上海8331厂的FZ\(_{8}\),性能与管脚均与LA4112相同,可以直接代换使用。
LA3361是集成锁相环式(PLL)立体声解码器,国内目前尚无类似产品可以代换。但该集成电路坏了,除整机无法收听立体声广播外,并不影响其它功能,仍可正常收录普遍调频、调幅广播。若有影响,说明坏了的LA3361使机内某部分电路短路,应该焊下坏了的LA3361,使鉴频级音频输出直接接至FM/AM转换开关。(高晴)
问:自装红灯711型六管收音机,可否采用市售101S和104S线圈代用?
答:单从电路角度来看,在配用360PF空气双连可变电容器的基础上,原则上可采用101S(550~1600KHz)和104S(6~18MHz)的线圈来代替原来的线圈,但代用后频率度盘的误差较大。其电路可按原711型联接,应注意的是:
1.中波段(550~1600MHz),本机振荡的垫整电容器C\(_{7}\),应从原来的360PF,改为470PF。
2.短波段(6~18MHz),原电路无垫整电容器,在改用104S线圈后,应加入6200Pf云母电容器作垫整用。(王云飞)
问:当多只扬声器与扩音机配接时,怎样计算单只扬声器上实际所得的功率?
答:单只扬声器上实际所得的功率P\(_{i}\),不仅与扬声器之间相互连接的形式有关,而且还与扩音机的输出方式有关,现就几种常见的连接方式分述如下:
(1)当场声器相串联接于定阻输出式扩音机上时,P\(_{i}\)为
P\(_{i}\)=ZiZ\(_{串}\)P0
式中P\(_{0}\)为扩音机的输出功率,Zi为单只扬声器的阻抗,Z\(_{串}\)为多只扬声器串联后的总阻抗。
(2)当扬声器相并联接于定阻式扩音机上时,P\(_{i}\)为:
P\(_{i}\)=Z并Z\(_{i}\)P0
式中Z\(_{并}\)为多只扬声器并联后的总阻抗。

(3)当扬声器混联接于定阻式扩音机上时(图1),P\(_{inj}\)为
P\(_{inj}\)=Zinj· Z\(_{混}\)Zn\(^{2}\)P0
式中n为支路序号,j为支路内扬声器序号,Z\(_{混}\)为混联接法时的总阻抗,Zn为支路n的总阻抗。
(4)当阻抗相同的m只扬声器接于定阻式扩音机上时,不管是串联、并联或混联(各支路内扬声器的个数须相等),P\(_{i}\)皆为
P\(_{i}\)=P0m
(5)当扬声器相串联接于定压式扩音机上时,P\(_{i}\)为:
P\(_{i}\)=ZiZ\(_{串}\)Vo\(^{2}\)
式中V\(_{0}\)为定压式扩音机的输出电压。
(6)当扬声器相并联接于定压式扩音机上时P\(_{i}\)为:
P\(_{i}\)=\(\frac{Vo}{^{2}}\)Zi

(7)当扬声器混联接于定压式扩音机上时(图2),P\(_{inj}\)为:
p\(_{inj}\)=\(\frac{Zn}{^{2}}\)Z2混·Vo\(^{2}\);Z\(_{inj}\)
式中n为分组序号,j为组内扬声器的序号。(郑浩)
问:我单位有一台飞跃150瓦电子管扩音机,输入变压器损坏,请问能否用农村有线广播站常用的20瓦定压式馈送变压器代替?
答:可以代替。飞跃150瓦电子管扩音机输入变压器的初、次数据见图1,20瓦馈送变压器的初、次线圈电压数据见图2。代换使用时,只要将图2按图3接线,再按图1编号接入原电路即可。



150瓦电子管扩音机输入变压器的铁心舌宽和叠厚与20瓦馈送变压器基本接近,图1的初、次级匝数比为n\(_{1}\)=N1\(_{2}\)=2800;1500≈1.8;图2的初、次级电压比为
n\(_{2}\)=V1V\(_{2}\)=180V;120V≈1.5。而它们的实际输入电压和输出电压又很接近。所以在使用中只要注意图3中A、B两绕组的相位,不使3、5为同名端,就可获得满意的效果。(丁六成)